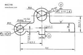
基准 第2页