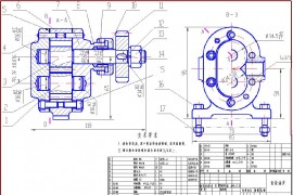
装配 第4页