Solidworks三维建模练习题,在学习中的朋友拿走不谢

Solidworks三维建模练习题
练习一:
    拉伸与切除
 
Solidworks三维建模练习题,在学习中的朋友拿走不谢,三维,建模,第1张
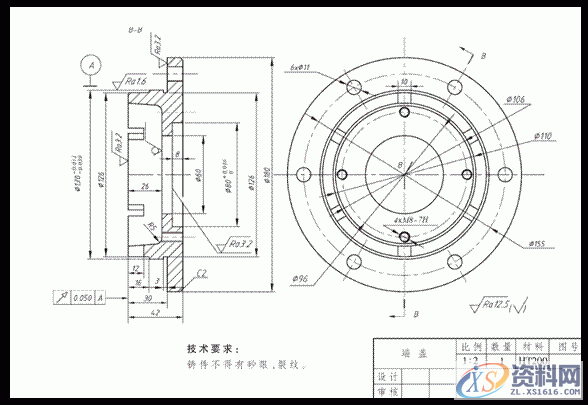
练习二:
     原点的合理选择,拉伸,旋转切除,几何关系的添加(如2XR15的圆)
 
Solidworks三维建模练习题,在学习中的朋友拿走不谢,三维,建模,第2张
练习三:
     原点的合理选择,旋转等
 
Solidworks三维建模练习题,在学习中的朋友拿走不谢,三维,建模,第3张

N95口罩机现货预订电话:13018639977

CNC数控编程培训、塑胶模具设计培训,冲压模具设计培训,精雕、ZBrush圆雕培训、Solidworks产品设计培训、pro/E产品设计培训,潇洒职业培训学校线下、线上网络学习方式,随到随学,上班学习两不误,欢迎免费试学!

学习联系李老师电话:13018639977(微信同号)QQ:2033825601

学习地址:东莞市横沥镇新城工业区兴业路121号-潇洒职业培训学校

练习四:
Solidworks三维建模练习题,在学习中的朋友拿走不谢,三维,建模,第4张
练习五:
    原点的合理选择,基准面的建立等
Solidworks三维建模练习题,在学习中的朋友拿走不谢,三维,建模,第5张
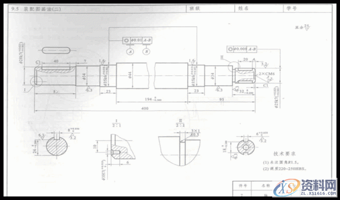
练习六:
    轴套类零件:原点的选择,旋转,
Solidworks三维建模练习题,在学习中的朋友拿走不谢,三维,建模,第6张
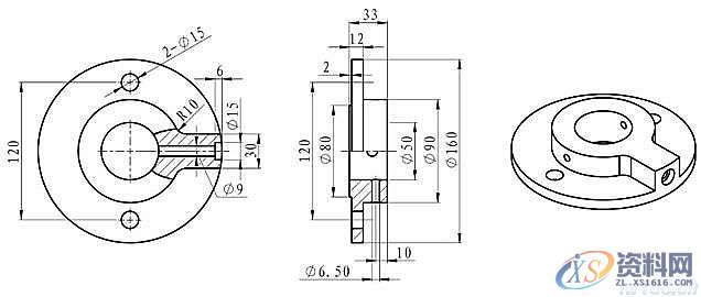
练习七:
    盘盖类零件:旋转
Solidworks三维建模练习题,在学习中的朋友拿走不谢,三维,建模,第7张
练习八:
    做一个弹簧,尺寸自定
免责声明:
1;所有标注为智造资料网zl.fbzzw.cn的内容均为本站所有,版权均属本站所有,若您需要引用、转载,必须注明来源及原文链接即可,如涉及大面积转载,请来信告知,获取《授权协议》。
2;本网站图片,文字之类版权申明,因为网站可以由注册用户自行上传图片或文字,本网站无法鉴别所上传图片或文字的知识版权,如果侵犯,请及时通知我们,本网站将在第一时间及时删除,相关侵权责任均由相应上传用户自行承担。
[complaint:内容投诉]
智造资料网打造智能制造3D图纸下载,在线视频,软件下载,在线问答综合平台 » Solidworks三维建模练习题,在学习中的朋友拿走不谢