浩辰CAD机械尺寸标注基本功能(图文教程)

尺寸标注是CAD制图中经常使用到的功能,下面就向大家介绍此功能。这里使用浩辰CAD机械2010进行示范:

  基本结构绘制完后,利用浩辰CAD机械软件里的标注功能对轴进行基本尺寸的标注如图所示。

浩辰CAD机械尺寸标注基本功能(图文教程),CAD教程 浩辰CAD制图标注基本尺寸功能,标注,尺寸,功能,第1张

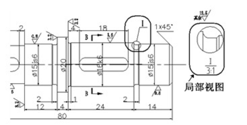
  修改标注:对需要特殊标注的尺寸进行修改,如各轴段直径表示方法、公差等级等。此处用到公差查询表极大地方便了用户查询公差等级,极限偏差值等工作,具体数值如图所示。

浩辰CAD机械尺寸标注基本功能(图文教程),CAD教程 浩辰CAD制图标注基本尺寸功能,标注,尺寸,功能,第2张

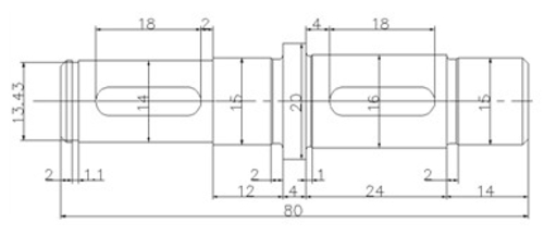
  倒角标注:对前面所绘制的轴端两倒角边进行倒角标注,按6.6步骤操作,结果如图。

浩辰CAD机械尺寸标注基本功能(图文教程),CAD教程 浩辰CAD制图标注基本尺寸功能,标注,尺寸,功能,第3张

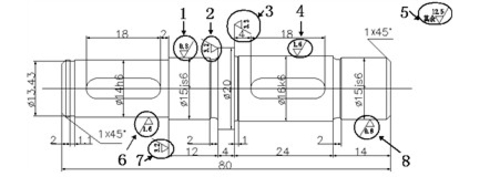
  符号标注:粗糙度的标注:对轴的各个表面做粗糙度要求,其中1、8标记粗糙度为0. 8,4、6标记粗糙度为1.6,2、3、7标记粗糙度为3.2,结果如图

浩辰CAD机械尺寸标注基本功能(图文教程),CAD教程 浩辰CAD制图标注基本尺寸功能,标注,尺寸,功能,第4张

  剖面代号标注:由于要对轴中键槽进行剖面图的绘制,浩辰CAD机械软件国标图库提供了键与键槽的插入功能,所以在这里须再次调用国标图库,按前面介绍的步骤选择“键与槽” —> “键槽”选择“普通平键槽(轴)”,设置键槽1参数:d=14,b=5,t=3.0,r=0.16;键槽2参数d=16,b=5,t=3.0,r=0.16,根据系统系统提示插入键槽1和键槽2剖面图,在根据7.6步骤进行剖面代号的标注。结果如图此处还用到了修改标注、粗糙度标注等功能(这里不再作介绍)。

浩辰CAD机械尺寸标注基本功能(图文教程),浩辰CAD机械尺寸标注基本功能,标注,尺寸,功能,第5张

形位公差:对需要有形位公差要求的对象进行标注,此处需对轴中心线进行直线度约束,在公差标注的对话框中进行如图设置,最后确定标注放置位置即可。结果如图所示。

浩辰CAD机械尺寸标注基本功能(图文教程),CAD教程 浩辰CAD制图标注基本尺寸功能,标注,尺寸,功能,第6张

  局部放大:零件轴的图纸要素基本确定,但某些细微处(如退刀槽)的结构在视图上表达不够清楚,又不便于标注尺寸,因此须对此部分进行局部的放大,以满足识图要求。运行“浩辰机械”菜单中—>命令,在弹出的对话框中设置视图比例为3:1,标识符号为Ⅰ,放大区域形状为圆形,点击确定,再根据5.6步骤生成工艺槽3的局部放大视图,结果如图所示。

浩辰CAD机械尺寸标注基本功能(图文教程),CAD教程 浩辰CAD制图标注基本尺寸功能,标注,尺寸,功能,第7张

  文字处理部分:此处对轴添加一些技术要求,运行“浩辰机械”菜单中—>,选择此轴的相关技术条件进行插入,结果如图所示。

浩辰CAD机械尺寸标注基本功能(图文教程),CAD教程 浩辰CAD制图标注基本尺寸功能,标注,尺寸,功能,第8张

  表栏填写:所有绘图工作完成,现在可以把表栏填写完整,这样有利于全局把握图纸的基本信息。回到功能,选择,在弹出图所示对话框中编辑相关内容即可。结果如图所示。

浩辰CAD机械尺寸标注基本功能(图文教程),CAD教程 浩辰CAD制图标注基本尺寸功能,标注,尺寸,功能,第8张

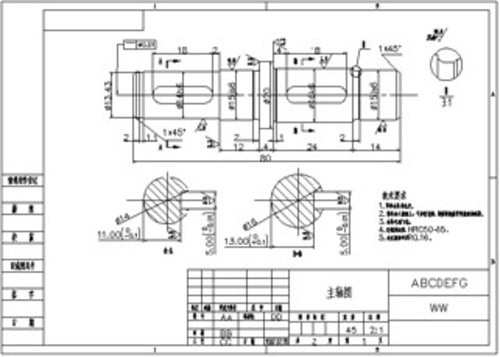
  至此所有绘图工作结束,轴的零件图如图所示。

浩辰CAD机械尺寸标注基本功能(图文教程),CAD教程 浩辰CAD制图标注基本尺寸功能,标注,尺寸,功能,第10张 

免责声明:
1;所有标注为智造资料网zl.fbzzw.cn的内容均为本站所有,版权均属本站所有,若您需要引用、转载,必须注明来源及原文链接即可,如涉及大面积转载,请来信告知,获取《授权协议》。
2;本网站图片,文字之类版权申明,因为网站可以由注册用户自行上传图片或文字,本网站无法鉴别所上传图片或文字的知识版权,如果侵犯,请及时通知我们,本网站将在第一时间及时删除,相关侵权责任均由相应上传用户自行承担。
[complaint:内容投诉]
智造资料网打造智能制造3D图纸下载,在线视频,软件下载,在线问答综合平台 » 浩辰CAD机械尺寸标注基本功能(图文教程)