UG编程-适合新手的详细讲解


项目一 UGCAD基础常识

UGNX7.0的工作环境

CAD/CAM根本概念、UG软件常识

UG软件根本操作:文件操作、视图操作

根本特征:立方体树立

特征操作:布尔运算的概念

辅助东西:点结构器

新建文件

UG编程-适合新手的详细讲解,建模,文件,保存,第1张

4.新建UG文档提示

注意挑选新建零件的单位:毫米/英寸。

UG文件地点的文件途径的称号不能包含中文字符

文件名中不能包含中文字符。

文件名和途径必须为数字、英文字母,“/、?、*”等符号无效。

UG文件的后缀为 . prt

由UG 入门模块能够进入UG的各个不同的运用模块。详细见“规范”东西条中下拉菜单。

UG编程-适合新手的详细讲解,建模,文件,保存,第2张

5.UG建模模块界面

UG编程-适合新手的详细讲解,建模,文件,保存,第3张

6.鼠标操作

鼠标右键菜单

视图东西条

挑选视图东西条实现相应的指令改写拟合缩放放大/缩小旋转平移透视线框显现类型上色显现线框定向视图

UG编程-适合新手的详细讲解,建模,文件,保存,第4张

视图东西条

7.界说东西条“指令”对话框

文件的保存、封闭与翻开保存文件

快速保存(文件→保存):以原文件名快速保存当时文件。

另存为(文件→另存为):换名保存当时文件。

保存一切文件(文件→保存一切):以原文件名快速保存当时一切翻开的文件。

封闭文件

所选部件封闭:挑选需求封闭的文件,体系翻开文件挑选对话框。此选项一般用于同时修改多个文件情况。

封闭一切文件:封闭一切的文件,并返回到入门环境(Gateway)。

保存并封闭:保存并封闭当时正在修改的文件。

另存为并封闭:将当时文件换名保存并封闭。

悉数保存并封闭:保存并封闭一切文件,返回到入门环境(Gateway)。

悉数保存并退出:保存一切文件并退出UG体系。

翻开文件

UG所翻开的文件名及其地点的文件途径的称号不能为中文。

能够经过预览检查即将翻开的文件

工作任务一

工作任务二

UG编程-适合新手的详细讲解,建模,文件,保存,第5张

工作任务三

UG编程-适合新手的详细讲解,建模,文件,保存,第6张

第二讲 教育重点(难点)

常识点

根本特征:圆柱体的创立

辅助东西:矢量结构器

根本特征:圆锥的创立

才能目标

经过锥形塞零件的建模学习,构成正确的建模思路,掌握UG的创立和运用根本体素 建模的三维建模办法。

工作任务(含零件二维、三维图形)或教育内容

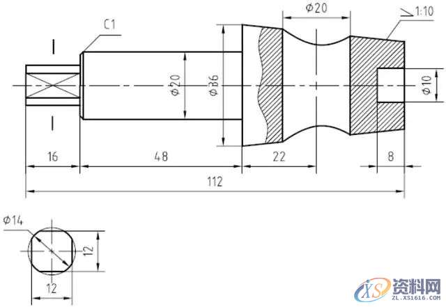
锥形塞建模。引导同学正确分析下图所示锥形塞建模零件图纸尺度的要求,协助学生树立正确的建模思路,在UG建模模块中顺次完结图1-所示的各分解特征,使用坐标改换简化建模过程,想学习UG编程,在Q群614096521能够协助到你经过成型特征办法创立孔、键槽等轴上常见工艺结构,终究完结偏心轴的三维建模。

UG编程-适合新手的详细讲解,建模,文件,保存,第7张

UG编程-适合新手的详细讲解,建模,文件,保存,第8张

教育演示

1。创立UG文档

发动UG NX4.0

点击“开始”→“程序”→“UGS NX 7.0”→“”,发动后进入UG NX7 初始界面,

锥形塞建模演示

1)创立长方体(长12、宽12、高16)

UG编程-适合新手的详细讲解,建模,文件,保存,第9张

2)创立圆柱体(Ø20×48)

3)创立圆台(Ø36×48 半角6°)

UG编程-适合新手的详细讲解,建模,文件,保存,第10张

4)创立圆柱体(Ø10×8)

UG编程-适合新手的详细讲解,建模,文件,保存,第11张

5)创立圆柱体(Ø20×50)

UG编程-适合新手的详细讲解,建模,文件,保存,第12张

6)创立圆柱体(Ø14×16)

UG编程-适合新手的详细讲解,建模,文件,保存,第13张

7)特征操作(布尔运算)

8)斜角(1×45°)

UG编程-适合新手的详细讲解,建模,文件,保存,第14张

9)完结的锥形塞

六、讲堂小结

锥形塞建模过程中触及的指令较多,图形不复杂,但是刚接触UG建模,许多指令和东西都不熟悉,需求同学多加练习,赶快熟悉UG界面。

“特征建模”是UG CAD的基础与中心建模东西,根据特征的实体建模和编功能,使得工程师能够直接修改实体特征的尺度,在树立复杂实体模型时具有交互性。

1、特征建模的优点

选用尺度驱动(参数化)方式修改模型,设计修改愈加便利。

能够有用削减建模的操作步骤,节省设计时间。

选用主模型技术驱动后续的设计运用,如工程图、安装、CAM等。主模型更新后,相关运用自动更新。

赋予实体材质后能够计算其物理特性,可进行干涉分析。

可对实体模型进行渲染处理,显现作用更好

2、特征创立的分类

根本体素特征:长方体、圆柱体、圆锥/圆台体、球体

扫掠特征:拉伸、旋转、沿导线扫掠、管路

成型特征:孔、圆台、凸垫、腔体、键槽、沟槽

基准特征:基准平面、基准轴、基准坐标系

特征操作:拔模角、边倒圆、倒斜角、抽壳、螺纹、特征引用(阵列、镜像)、实体修剪、实体分割、比例体、面分割、布尔运算(加、减、相交)等

七、讲堂练习

UG编程-适合新手的详细讲解,建模,文件,保存,第15张

潇洒职业培训学校课程包含:CNC数控编程培训、UG汽车模具设计培训、塑胶模具设计培训,五金冲压模具设计培训,精雕、pro/E产品设计培训等,线下、线上网络学习方式,随到随学,上班学习两不误,潇洒承诺一期不会,下期免费再学。欢迎来校免费试学!

联系电话:13712128767(微信同号)QQ:1595983931
学习地址:东莞市横沥镇新城工业区兴业路121号-潇洒职业培训学校

免责声明:
1;所有标注为智造资料网zl.fbzzw.cn的内容均为本站所有,版权均属本站所有,若您需要引用、转载,必须注明来源及原文链接即可,如涉及大面积转载,请来信告知,获取《授权协议》。
2;本网站图片,文字之类版权申明,因为网站可以由注册用户自行上传图片或文字,本网站无法鉴别所上传图片或文字的知识版权,如果侵犯,请及时通知我们,本网站将在第一时间及时删除,相关侵权责任均由相应上传用户自行承担。
[complaint:内容投诉]
智造资料网打造智能制造3D图纸下载,在线视频,软件下载,在线问答综合平台 » UG编程-适合新手的详细讲解