前 言
汽车底盘传动轴上的万向节叉位于传动的端部.其外圆内孔与传动轴端部的轴相配合,主要作用是传递扭矩和调整传动轴的长短、位置关系.万向节叉的加工质量不仅影响其安装精度和运动精度,而且影响到汽车底盘传动轴上的工作精度、使用性能和寿命。本文将从与大家分享万向叉节的钻夹具与车夹具的设计方法。
一、万向节叉钻夹具设计
零件图纸分析
万向节叉工件结构如图1所示,该零件结构较复杂,主要由右部的轴孔,上、下叉头端面组成.从零件图上可以看出,它一共有两组加工表面,而这二组加工表面之间有一定的位置要求,先加工其中一组表面,然后借助于专用夹具进行另一组表面的加工,以保证相互间的位置精度要求:
图1 万向节叉零件图
设计思路
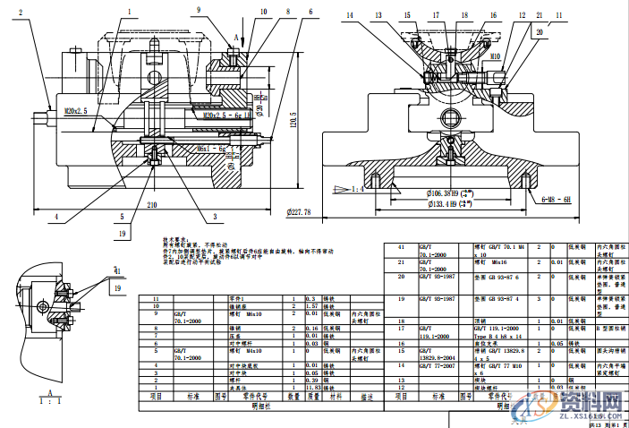
夹具使用在立式钻床Z535上,采用螺栓紧固在工作台上的方式,该夹具一次安装一件万向节叉零件(如图2所示).采用六点定位原理,采用钻模板和钻套控制孔Φ6.8mm的加工质量,手动控制压紧杠杆杆压紧零件。
图2 钻孔夹具结构示意图
工件定位问题
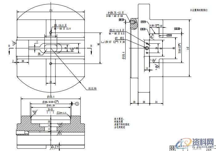
为了在保证零件加工质量的同时提高加工效率,决定为钻叉部四个螺纹底孔设计专用夹具。由于在钻孔的前面已经对本零件进行了半精车外圆→精镗两个内孔→磨削,可采用长心轴和V型块满足工件的定位要求对于本零件来说,如果以φ 93.5外圆表面作基准,则可能造成这一组内外圆柱表面与零件的叉部外形不对称。
按照有关粗基准的选择原则,现选取叉部两个φ 43的外轮廓表面作为粗基准(如图3所示),采用长心轴定位,限制工件的4个自由度,即X轴和Y轴的转动,X轴和Y轴的移动.利用一个V型块支撑这两个φ93.5的外轮廓作主要定位面,再用压紧杠杆夹持在φ 93.5的外圆柱面上,V型块限制了2自由度,即Z方向的转动和移动,从而达到完全定位。
图3 粗基准的选择
图4 夹具体底板结构示意图
控制夹紧方案
夹紧方式采用压紧杠杆压紧(如图5所示).压紧力与钻削力方向相同,可以减少压紧力,同时,压紧力的方向指向工件的定位基准面,定位安全可靠.将压紧杠杆放置在φ93.5的外圆柱面上,螺杆穿过杠杆,螺杆下部紧固在夹具体的底板上,拧紧螺母,压杆往下移动,压杆压紧工件.拧松螺母,压杆在弹簧力的作用下往上移动,压杆松开工件。压紧杠杆在上表面开有一个通的键槽,下表面有一个盲孔键槽,当零件加工完毕,松开螺母,压板沿着下表面键槽来回移动,实现移开和接触工件,达到快速拆卸工件的目的。
图5 夹紧结构示意图
二、万向节叉的车夹具
看完了钻夹具,再来了解下万向节叉的车夹具吧,二话不说,直接上图:













结 语
对于万向节叉夹具的设计,你有更好的思路吗?如果有,在文章底部留言吧!
东莞潇洒职业培训学校开设课程有:学历提升、数控编程培训、塑胶模具设计培训,压铸模具设计培训、冲压模具设计培训,精雕、ZBrush圆雕培训、Solidworks产品设计培训、pro/E产品设计培训、AutoformR7工艺分析培训,潇洒职业培训学校线下、线上网络学习方式,随到随学,上班学习两不误,欢迎免费试学!联系电话:13018639977
联系电话:13018639977(微信同号)QQ:2033825601
学习地址:东莞市横沥镇新城工业区兴业路121号-潇洒职业培训学校
1;所有标注为智造资料网zl.fbzzw.cn的内容均为本站所有,版权均属本站所有,若您需要引用、转载,必须注明来源及原文链接即可,如涉及大面积转载,请来信告知,获取《授权协议》。
2;本网站图片,文字之类版权申明,因为网站可以由注册用户自行上传图片或文字,本网站无法鉴别所上传图片或文字的知识版权,如果侵犯,请及时通知我们,本网站将在第一时间及时删除,相关侵权责任均由相应上传用户自行承担。
[complaint:内容投诉]
智造资料网打造智能制造3D图纸下载,在线视频,软件下载,在线问答综合平台 » 万向节叉车夹具与钻夹具设计前 言一、万向节叉钻夹具设计二、万向节叉的车夹具结 语

