浇注系统(图文教程)

    浇注系统是将熔融的塑料从注塑机引到模具的每一个型腔的机构,因此其参数和形式的差异均会影响到产品的品质。通过本课学习掌握流道浇口的设计原则及不同流道及浇口的选择。

一.流道

二.浇口

1.浇口的设计原则

A.浇口应开在产品断面较厚的部位、利于浇注

B.浇口位置的选择,应使溶融料充模流程最短、减少压力损失、

C.浇口位置的选择,尽量避免使溶融料直接冲入型腔,否则会产生漩流、在产品上留下螺旋状痕迹

D.浇口位置的选择,应有利于排除型腔内的空气

E.浇口位置的选择,防止在产品表面产生接合线

F.浇口位置的选择,避免正对细小型芯,使其产生变形

G.大型或遍平薄壁件成型,可采用多浇口来防止翘曲、变形、缺胶。

H.浇口应尽量开在不影响产品外观和装配的部位,并尽量易于修整

I.在型腔能注满的前提下,浇口数目是愈少愈好。

2.侧浇口

浇注系统(图文教程),浇注系统,浇口,流道,型腔,产品,第1张

    适用于大部塑料、各种侧边允许浇口痕迹的制品,开在制品的边缘或边缘顶面,又分标准入水、搭接入水和扇形入水,下图中t为产品壁厚,L一般为(0.8—1mm)

3.点浇口

     适用于流动性好的塑料,以及不允许侧浇口,只能在产品表面进胶的产品 ,也可用于

一模多腔的模具 

浇注系统(图文教程),浇注系统,浇口,流道,型腔,产品,第2张

4.潜水浇口

    适用于外观不允许浇口痕迹及要求自动去除料把的模具

浇注系统(图文教程),浇注系统,浇口,流道,型腔,产品,第3张

 弯钩形(又称香蕉形或牛角尖形)浇口

    适用于要求自动去除料把:外观不允许浇口痕迹 ; 对一些特殊需要的产品(如产品的内表面没有位置加骨位或骨位不够深)对PMMA等较硬透明料不适用

6.直接浇口:对大型单一型腔产品(如盆、桶、电视机后壳、复印机前后盖等 )成型效果非常好。

浇注系统(图文教程),浇注系统,浇口,流道,型腔,产品,第4张

三.唧咀

1.普通

浇注系统(图文教程),浇注系统,浇口,流道,型腔,产品,第5张

2.斜唧咀

浇注系统(图文教程),浇注系统,浇口,流道,型腔,产品,第6张

浇注系统(图文教程),浇注系统,浇口,流道,型腔,产品,第7张

3.细水口用唧咀 浇注系统(图文教程),浇注系统,浇口,流道,型腔,产品,第8张

四.热唧咀

    借助加热装置使浇注系统中的塑料不会凝固,也不会随产品脱模,所以又称无流道模。

1.热流道的优点:

A.无废料

B.压力损耗小

C.可缩短成型周期

D.提高产品的质量

2.热流道的不足:

A.模具高度增加

B.成本高

C.存在热膨胀,需计算

a。T.E.=A×B×C=预热膨胀补偿

其中A:热咀尺寸

B:温差,即热咀内的料温减模温

C:膨胀系数和钢材的关系:0.00000736cm/℃

b.A1=A+T.E.

其中:A:室温下热咀的长度

T.E.:膨胀长度

浇注系统(图文教程),浇注系统,浇口,流道,型腔,产品,第9张

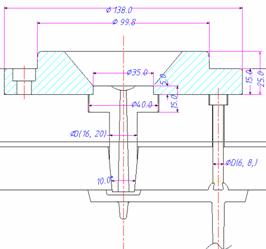
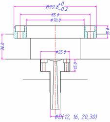
五.定位圈

1.定位圈的尺寸参数

 浇注系统(图文教程),浇注系统,浇口,流道,型腔,产品,第10张浇注系统(图文教程),浇注系统,浇口,流道,型腔,产品,第11张浇注系统(图文教程),浇注系统,浇口,流道,型腔,产品,第12张

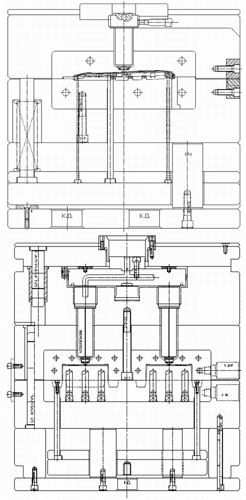
2.定位圈与唧咀的安装标准

浇注系统(图文教程),浇注系统,浇口,流道,型腔,产品,第13张浇注系统(图文教程),浇注系统,浇口,流道,型腔,产品,第14张

适用于两板模           适用于三板模

免责声明:
1;所有标注为智造资料网zl.fbzzw.cn的内容均为本站所有,版权均属本站所有,若您需要引用、转载,必须注明来源及原文链接即可,如涉及大面积转载,请来信告知,获取《授权协议》。
2;本网站图片,文字之类版权申明,因为网站可以由注册用户自行上传图片或文字,本网站无法鉴别所上传图片或文字的知识版权,如果侵犯,请及时通知我们,本网站将在第一时间及时删除,相关侵权责任均由相应上传用户自行承担。
[complaint:内容投诉]
智造资料网打造智能制造3D图纸下载,在线视频,软件下载,在线问答综合平台 » 浇注系统(图文教程)