整体要求:
1. 模胚:采用“LKM”模架。
2. 导柱倒装(前模导柱,后模导套)。
3. 面板和A板之间必须有两枚管钉作管位。
4. 顶针板必须要有导柱(即中托司)。
5. 钢材:常用加硬材料:LKM2083、LKM2344、LKM2767.一般加硬至52~54HRC。
6. 定位环:定位环要高出面板4mm,若有隔热板时定位环要高出隔热板4mm。 常用定位环直径:Ø90、Ø100、Ø110、Ø120、Ø125、Ø150、Ø160。
7. 唧嘴圆弧:常用FLAT(即平的)和R15.5 两种。唧嘴圆弧的开口最小保证:Ø3.5mm。
8. 顶针、司筒采有“DME”“HASCO”标准。
9. 水口:常用潜水和热流道(常用DME、MasterFlow)
10. 滑块: 滑块要做定位、限位.(常用波珠螺丝、弹簧定位,杯头螺丝限位)。
11. 压块:压块螺丝常用杯头螺丝和平头螺丝。
12. 斜顶:斜顶要做导滑块和耐磨块,材料采用青铜。
13. 连接块:见图示。
14. 运水塞:采有“HASCO”的1/4”BRS和1/8”BRS两种。
15. 运水内接孔:模具上下要加工, 模具左右不要加工.常用规格:Ø20x20、Ø25x20.。
16. 标识:常有零件名称、零件号、公司名称、型腔标识、材料标识、可回收标识、日期章。
17. 模具表面要求:Sparkerusion(火花纹)、Polished(省模)、Photoetched(蚀纹)。
18. 模胚A、B板之间要有锁模块(两个)。
19. 模具包装采用黄油、透明塑胶袋、消毒木箱。
20. 模具标签:模具号、零件号、产品名称、制造日期、模具重量。
(模架图例)


浇注系统:
1. 所有水口都必须自动切断,自动掉落.浇口一般采用”潜水”或热流道,如采用顶针位进胶,必须如图例.
2. 唧嘴必须用加硬材如SKD62,硬度必须HRC52左右, 唧嘴圆弧有”平” ; “ R15.5”等,公差为(+1.0,-0.5), 唧嘴圆弧的开口大小最小应保证:3.5mm.(离端面的参考尺寸为3mm)
3. 唧嘴如自己制作,请用加硬材料如” ASSAB8407, LKM2767,LKM2083”等,硬度必须HRC52左右,并且内孔一定要抛光,
4. 定位环尺寸有“ø90”;”ø110” ; “ø125” ;”ø160” ,离码模板高度一般为: 4.0mm,公差为(+/-0.5), 详情请见”技术要求”,最大倒角为1 X1mm
5. 浇口离零件胶位的最小距离应保证:1.5mm
6. 如用可旋转浇口,分流道形状请用“梯形”
7. 胶口设计请注意布局合理,顶出平衡.

顶出系统:
顶针应采用HASCO标准, 顶针孔应有避空位, 前端配合位长度可设计为15mm.在顶针板内每边至少须避空0.25mm,见图例. 顶针必须能用手轻松可推动.顶针离型芯边缘的距离最小为:1mm
特别是”扁顶”需要加避空位.
顶针板必须有四根导柱,不需用弹簧. 并且在顶针板上固定一个如”M16” 的连接块, 见图,螺纹孔一定要顶针板垂直. 如模具比较大,必须采用球轴承,如HASCO Z系列.
顶针顶出时不能有变形或翘起.即整个零件需平衡顶出.
顶针痕所形成的阶梯通常必须控制在0.10mm以内.

(顶针避空图例)

(连接块图例)
冷却系统:
冷却尽量采用大的管径” 如能用”ø10”,就必须用” ø10”,不能用” ø8”.
冷却管径最小可采用” ø3”
所有产品热量集中的地方,如深孔,深槽, 滑块.原则是尽量加多运水.
如果太小或窄,则需考虑用”铍青铜”做镶块.
冷却管端部沉孔和镙纹孔必须同心,而且不能钻歪.
堵水螺栓必须为英制1/8BSP或1/4BSP,外形为锥行。装配时必须用“乐泰567”胶水,
沉孔之间的距离,沉孔的大小,沉孔的深度,请按 “北极光技术要求”沉孔直径和深度公差应控制在(+1,0) 内.
管接头在侧面时,不需沉孔.
隔热板请用4-6个镙钉固定,不要用太多镙钉,以免装卸复杂.
模具上须标明” IN” , “ OUT”, 并定义好编号.
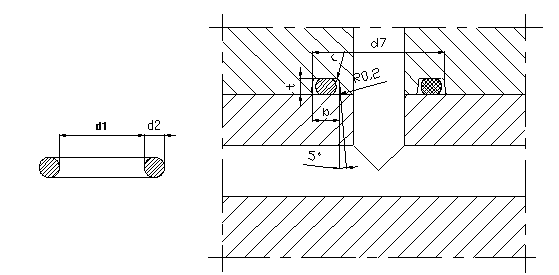
防水圈用HASCO标准,如下:

Max℃ | Zmn | d4 | d3 | d5 | d6 | d7 | b | r | t | d1 | d2 | Nr/No |
200 | 1.1 | 3.2 | 3.8 | 4 | 6.4 | 7.2 | 1.9 | 0.3 | 1.2 | 3.8 | 1.5 | Z98/3.8/1.5 |
3.2 | 4.8 | 5 | 7.4 | 8.2 | 4.6 | 4.8/1.5 | ||||||
1.5 | 9.2 | 5.2 | 6 | 10 | 10.7 | 3.2 | 0.6 | 2 | 5 | 2.5 | 5/2.5 | |
1.1 | 8.2 | 5.8 | 8.4 | 9.2 | 1.9 | 0.3 | 1.2 | 5.8 | 1.5 | 5.8/1.6 | ||
10 | 7.6 | 8 | 10.4 | 10.9 | 7.5 | 5.8/1.5 | ||||||
1.5 | 12 | 7.8 | 12.2 | 13.9 | 3.6 | 2.1 | 7.66 | 2.65 | 7.65/2.65 | |||
1.1 | 11.7 | 8.5 | 8.2 | 11.4 | 12.6 | 2.6 | 1.6 | 8 | 2 | 8/2 | ||
12 | 9.5 | 9.7 | 12.1 | 13.1 | 1.9 | 1.2 | 9.5 | 1.5 | 9.5/1.5 | |||
12.2 | 9.8 | 10 | 12.4 | 13.4 | 9.8 | 9.8/1.5 | ||||||
14 | 10.2 | 13.8 | 15.5 | 3.1 | 1.9 | 10 | 2.4 | 10/2.4 | ||||
16 | 12.2 | 12 | 15.8 | 17.3 | 11.8 | 11.8/2.4 | ||||||
15.3 | 12.1 | 12.2 | 15.4 | 16.6 | 2.6 | 1.6 | 12 | 2 | 12/2 | |||
18 | 14.2 | 14 | 17.8 | 19.4 | 3.1 | 1.9 | 13.9 | 2.4 | 13.9/2.4 | |||
1.8 | 19 | 14.6 | 14.6 | 19.3 | 20.9 | 3.9 | 0.6 | 2.4 | 14 | 3 | 14/3 | |
20 | 16.2 | 16 | 19.8 | 20.8 | 3.1 | 0.3 | 1.9 | 15.3 | 2.4 | 15.3/2.4 | ||
1.1 | 22 | 18.2 | 18 | 21.6 | 23 | 17.5 | 17.5/2.4 | |||||
1.8 | 23 | 18.6 | 22.6 | 24.6 | 3.9 | 0.6 | 2.4 | 3 | 17.5/3 |
其它
滑块的止位和运动的槽位应为”加硬材料”
日期章背后必须钻一孔, 这样可快速调整日期
不易排气的部位,如薄且深的壁,胫位等 , 如无顶针,则须有排气针.
产品检测报告.(出模前一定给客户)
模具检测报告. (出模前一定给客户)
机器参数. (出模前一定给客户)
最新模具图纸. (出模前一定给客户)
图纸要求:
表面粗糙度对照表
AGIE 1 | Ra 0.2 | VDI 12 | Ra 0.40 | |
AGIE 2 | Ra 0.315 | VDI 15 | Ra 0.50 | |
AGIE 3 | Ra 0.5 | VDI 18 | Ra 0.80 | |
AGIE 4 | Ra 0.8 | VDI 21 | Ra 1.12 | |
AGIE 5 | Ra 1.25 | Fin | VDI 24 | Ra 1.60 |
AGIE 6 | Ra 2.00 | Fin | VDI 27 | Ra 2.24 |
AGIE 7 | Ra 3.15 | Medel | VDI 30 | Ra 3.15 |
AGIE 8 | Ra 5.0 | Grov | VDI 33 | Ra 4.50 |
AGIE 9 | Ra 8.0 | VDI 36 | Ra 6.30 | |
AGIE 10 | Ra 12.5 | VDI 39 | Ra 9.00 | |
VDI 42 | Ra 12.5 | |||
VDI 45 | Ra 18.0 |
GENERAL TOLERANCESACCORDING TO SS-ISO 2768-1(根据SS-ISO2768-1的公差标准)
(Replace SMS 715)
Table 1 – Accepted deviation for linear measurementexcept for chamfer edges.
表1---除倒角外, 所有线性尺寸的公差标准
(与基准的可接受偏差) | ||||||||||||||
Description(描述) | Over 0,5 1) t o m 3 | 3 6 | 6 30 | 30 120 | 120 400 | 400 1000 | 1000 2000 | 2000 4000 | ||||||
Fine(高) Medium(中) Coarse(低) Very Coarse (低下) | +/- 0,05 +/- 0,1 +/- 0,2 - | +/- 0,05 +/- 0,1 +/- 0,3 +/- 0,5 | +/-0,1 +/- 0,2 +/- 0,5 +/-1 | +/- 0,15 +/- 0,3 +/- 0,8 +/- 1,5 | +/- 0,2 +/- 0,5 +/- 1,2 +/- 2,5 | +/- 0,3 +/- 0,8 +/-2 +/- 4 | +/- 0,5 +/- 1,2 +/- 3 +/- 6 | - +/-2 +/-4 +/-8 | ||||||
1) Forbase measurement under 0,5 mm shall deviations be written together with actualbase measurement.对于小于0.5MM的尺寸,公差应和实际尺寸写出.
Table 2 – Accepted deviation for chamfer edges.(Outside radius and chamfer heights).
表2----倒角的公差标准(外圆弧和倒角高度)
Tolerance Class 公差等级 | ||||
Type(类型) | Description(描述) | Over 0,5 1) t o m 3 | 3 6 | 6 |
f m c v | Fine(高) Medium(中) Coarse(低) Very Coarse (低下) | +/- 0,2 +/- 0,2 +/- 0,4 +/- 0,4 | +/- 0,5 +/- 0,5 +/- 1 +/- 1 | +/- 1 +/- 1 +/- 2 +/- 2 |
1) For base measurement under 0,5 mm shalldeviations be written together with actual base measurement.( 对于小于0.5MM的尺寸,公差应和实际尺寸写出).
Table 3 –Accepted deviation for angel measurements
表3----角度公差标准
Tolerance Class 公差等级 | ||||||||
Type(类型) | Description(描述) | Over tom 10 | 10 50 | 50 120 | 120 400 | 400 | ||
f m c v | Fine(高) Medium(中) Coarse(低) Very Coarse (低下) | +/- 1o +/- 1o +/- 1o30o +/- 3o | +/- 0o30 +/- 0o30 +/- 1o +/- 2o | +/- 0o20 +/- 0o20 +/-0o30 +/- 1o | +/- 0o10 +/- 0o10 +/- 0o15 +/- 0o30 | +/-0o5 +/- 0o5 +/- 0o10 +/- 0o20 | ||
试模要求:
试模必须尽量模仿正常生产状态, 例如加长冷却时间,加长顶出时间等都是不可取的. 一般来说,都需要加上运水和模温机,并根据要求调整前后模具的温度.
调试时,一般不允许使用脱模剂.
试模时应记录所有不正常现象,如顶出不平衡,粘模, 不饱满,顶出变形,缩水,接合纹,浇口痕迹,顶针痕迹, 色差, 不能自动掉落,水口不能自动剪断.
样板检验要求:
1. 确保样板数量正确
2. 样板不能做任何处理,例如:刮掉批锋.
3. 样板必须干净,并包装好不被刮伤,变形.
4. 标明样板材料,并附带”试模参数”,和”样板检测报告”.格式请见附表
5. 样板应在不引起刮伤和变形的状况下间隔包装好,包装箱需用抗变形强度好的纸箱.
1;所有标注为智造资料网zl.fbzzw.cn的内容均为本站所有,版权均属本站所有,若您需要引用、转载,必须注明来源及原文链接即可,如涉及大面积转载,请来信告知,获取《授权协议》。
2;本网站图片,文字之类版权申明,因为网站可以由注册用户自行上传图片或文字,本网站无法鉴别所上传图片或文字的知识版权,如果侵犯,请及时通知我们,本网站将在第一时间及时删除,相关侵权责任均由相应上传用户自行承担。
[complaint:内容投诉]
智造资料网打造智能制造3D图纸下载,在线视频,软件下载,在线问答综合平台 » 欧美模具设计制造要求(图文教程)

