装配图序号和明细栏标注(图文教程)

    为了便于读图,便于图样管理,以及做好生产准备工作,装配图中所有零、部件都必须编写序号,并在标题栏上方填写与图中序号一致的明细表。

一、编写序号的方法

装配图序号和明细栏标注(图文教程),装配图序号和明细栏标注,装配图,明细,标注,序号,第1张编写序号的常见形式如下:在所指的零、部件的可见轮廓内画一圆点,然后从圆点开始画指引线(细实线),在指引线的另一端画一水平线或圆(也都是细实线),在水平线上或圆内注写序号,序号的字高应比尺寸数字大一号或两号,如下图a所示;也可以不画水平线或圆,在指引线另一端附近注写序号,序号字高比尺寸数字大两号,如下图b所示;对很薄的零件或涂黑的剖面,可在指引线未端画出箭头,并指向该部分的轮廓,如下图c所示。

装配图序号和明细栏标注(图文教程),装配图序号和明细栏标注,装配图,明细,标注,序号,第1张指引线相互不能相交:当它通过有剖面线的区域时,不应与剖面线平行;必要时,指引线可以画成折线,但只允许曲折一次,如下图d所示。

装配图序号和明细栏标注(图文教程),装配图序号和明细栏标注,装配图,明细,标注,序号,第3张

装配图序号和明细栏标注(图文教程),装配图序号和明细栏标注,装配图,明细,标注,序号,第1张一组紧固件以及装配关系清楚的零件组,可采用公共指引线,如下图所示。

装配图序号和明细栏标注(图文教程),装配图序号和明细栏标注,装配图,明细,标注,序号,第5张

装配图序号和明细栏标注(图文教程),装配图序号和明细栏标注,装配图,明细,标注,序号,第1张装配图中的标准化组件(如油杯、滚动轴承、电动机等)看作为一个整体,只编写一个序号。

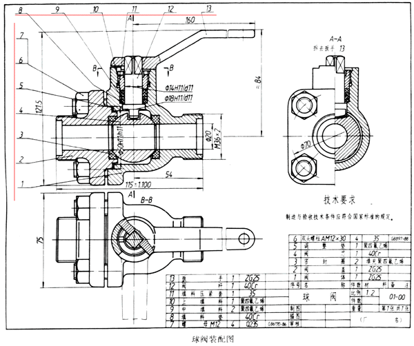
装配图序号和明细栏标注(图文教程),装配图序号和明细栏标注,装配图,明细,标注,序号,第1张零、部件序号应沿水平或垂直方向按顺时针(或逆时针)方向顺次排列整齐,并尽可能均匀分布,如下图所示。

装配图序号和明细栏标注(图文教程),装配图序号和明细栏标注,装配图,明细,标注,序号,第8张

装配图序号和明细栏标注(图文教程),装配图序号和明细栏标注,装配图,明细,标注,序号,第1张部件中的标准件,可以如上图所示,与非标准零件同样地编写序号;也可以如图所示,不编写序号,而将标准件的数量与规格直接用指引线标明在图中。

装配图序号和明细栏标注(图文教程),装配图序号和明细栏标注,装配图,明细,标注,序号,第10张

免责声明:
1;所有标注为智造资料网zl.fbzzw.cn的内容均为本站所有,版权均属本站所有,若您需要引用、转载,必须注明来源及原文链接即可,如涉及大面积转载,请来信告知,获取《授权协议》。
2;本网站图片,文字之类版权申明,因为网站可以由注册用户自行上传图片或文字,本网站无法鉴别所上传图片或文字的知识版权,如果侵犯,请及时通知我们,本网站将在第一时间及时删除,相关侵权责任均由相应上传用户自行承担。
[complaint:内容投诉]
智造资料网打造智能制造3D图纸下载,在线视频,软件下载,在线问答综合平台 » 装配图序号和明细栏标注(图文教程)