气动技术_8、PLC与气压控制(图文教程)

第8章PLC与气压控制

一. 基础气压

1. 气压系统基本架构

气动技术_8、PLC与气压控制(图文教程),气动技术_8、PLC与气压控制,控制,教程,第1张

    空 压 机 干 燥 机 储 气 槽

三点组合

压源 气 压 缸

方 向 阀

2. 气压源:工作压力 4~7 bar ( 1 Kg / cm2 = 0.981 bar)

3. 三点组合(调理组):调压、滤水、润滑

4. 气压缸:单动缸、双动缸

5. 方向阀:

(1)口与位的观念

气动技术_8、PLC与气压控制(图文教程),气动技术_8、PLC与气压控制,控制,教程,第2张

一个方块代表一个作动位置

气动技术_8、PLC与气压控制(图文教程),气动技术_8、PLC与气压控制,控制,教程,第3张

方块内的箭头表示气流的方向

( T代表不通的口 )

气动技术_8、PLC与气压控制(图文教程),气动技术_8、PLC与气压控制,控制,教程,第4张

一个作动位置中进气与出气口的总和为口数

例题:

气动技术_8、PLC与气压控制(图文教程),气动技术_8、PLC与气压控制,控制,教程,第4张

3口2位 ( 3/2 阀 )

气动技术_8、PLC与气压控制(图文教程),气动技术_8、PLC与气压控制,控制,教程,第6张

气动技术_8、PLC与气压控制(图文教程),气动技术_8、PLC与气压控制,控制,教程,第7张

气动技术_8、PLC与气压控制(图文教程),气动技术_8、PLC与气压控制,控制,教程,第8张

气动技术_8、PLC与气压控制(图文教程),气动技术_8、PLC与气压控制,控制,教程,第9张

气动技术_8、PLC与气压控制(图文教程),气动技术_8、PLC与气压控制,控制,教程,第10张

(2)作动与复归方式

气动技术_8、PLC与气压控制(图文教程),气动技术_8、PLC与气压控制,控制,教程,第11张 气动技术_8、PLC与气压控制(图文教程),气动技术_8、PLC与气压控制,控制,教程,第12张 气动技术_8、PLC与气压控制(图文教程),气动技术_8、PLC与气压控制,控制,教程,第13张 气动技术_8、PLC与气压控制(图文教程),气动技术_8、PLC与气压控制,控制,教程,第14张

按钮作动 手炳作动 踏板作动 辊轮作动

气动技术_8、PLC与气压控制(图文教程),气动技术_8、PLC与气压控制,控制,教程,第15张 气动技术_8、PLC与气压控制(图文教程),气动技术_8、PLC与气压控制,控制,教程,第16张 气动技术_8、PLC与气压控制(图文教程),气动技术_8、PLC与气压控制,控制,教程,第17张

气压作动 电磁作动 电磁导引气压作动

气动技术_8、PLC与气压控制(图文教程),气动技术_8、PLC与气压控制,控制,教程,第18张 气动技术_8、PLC与气压控制(图文教程),气动技术_8、PLC与气压控制,控制,教程,第19张 气动技术_8、PLC与气压控制(图文教程),气动技术_8、PLC与气压控制,控制,教程,第20张 气动技术_8、PLC与气压控制(图文教程),气动技术_8、PLC与气压控制,控制,教程,第21张

弹簧复归 气压复归 电磁复归 电磁导引气压复归

例题:

气动技术_8、PLC与气压控制(图文教程),气动技术_8、PLC与气压控制,控制,教程,第22张 3口2位 按钮作动 弹簧复归 的方向阀

气动技术_8、PLC与气压控制(图文教程),气动技术_8、PLC与气压控制,控制,教程,第23张

气动技术_8、PLC与气压控制(图文教程),气动技术_8、PLC与气压控制,控制,教程,第24张

气动技术_8、PLC与气压控制(图文教程),气动技术_8、PLC与气压控制,控制,教程,第25张

气动技术_8、PLC与气压控制(图文教程),气动技术_8、PLC与气压控制,控制,教程,第26张

6. 基本气压回路

气动技术_8、PLC与气压控制(图文教程),气动技术_8、PLC与气压控制,控制,教程,第27张

气动技术_8、PLC与气压控制(图文教程),气动技术_8、PLC与气压控制,控制,教程,第28张

气动技术_8、PLC与气压控制(图文教程),气动技术_8、PLC与气压控制,控制,教程,第29张

气动技术_8、PLC与气压控制(图文教程),气动技术_8、PLC与气压控制,控制,教程,第30张

二. 以PLC控制气压系统

例题1-1 : A为单动缸,以单边电磁阀控制

当按钮开关PB ON,则气压缸前进A+

当按钮开关PB OFF,则气压缸后退A-

气动技术_8、PLC与气压控制(图文教程),气动技术_8、PLC与气压控制,控制,教程,第31张

气动技术_8、PLC与气压控制(图文教程),气动技术_8、PLC与气压控制,控制,教程,第32张

气动技术_8、PLC与气压控制(图文教程),气动技术_8、PLC与气压控制,控制,教程,第33张

输入:PB=X0

输出:A+=Y0

气动技术_8、PLC与气压控制(图文教程),气动技术_8、PLC与气压控制,控制,教程,第34张气动技术_8、PLC与气压控制(图文教程),气动技术_8、PLC与气压控制,控制,教程,第35张

LD X0

OUT Y0

END

气动技术_8、PLC与气压控制(图文教程),气动技术_8、PLC与气压控制,控制,教程,第36张

※ 按钮开关PB可以用训练器上方的仿真开关代替

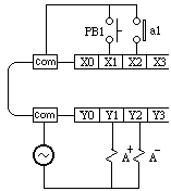
例题1-2 : A为单动缸,以单边电磁阀控制

当按钮开关PB1 ON,则气压缸前进A+,

此时放开PB1(PB1 OFF)气压缸仍保持在前位状态(自保)

当按钮开关PB2 ON,则气压缸后退A-

气动技术_8、PLC与气压控制(图文教程),气动技术_8、PLC与气压控制,控制,教程,第37张气动技术_8、PLC与气压控制(图文教程),气动技术_8、PLC与气压控制,控制,教程,第38张

气动技术_8、PLC与气压控制(图文教程),气动技术_8、PLC与气压控制,控制,教程,第39张

输入:PB1=X1

PB2=X2

输出:A+=Y0

气动技术_8、PLC与气压控制(图文教程),气动技术_8、PLC与气压控制,控制,教程,第40张气动技术_8、PLC与气压控制(图文教程),气动技术_8、PLC与气压控制,控制,教程,第41张

LD X1

OR M0

ANI X2

OUT M0

LD M0

OUT Y0

END

※ 想想看,这个程序可以再简化!

例题1-3 : A为单动缸,以单边电磁阀控制,加上节流阀调整气缸运动速度

当按一下PB(Pulse),则气压缸慢慢前进A+

一直到气压缸触碰到前顶点a1,则气压缸慢慢后退A-

气动技术_8、PLC与气压控制(图文教程),气动技术_8、PLC与气压控制,控制,教程,第42张

气动技术_8、PLC与气压控制(图文教程),气动技术_8、PLC与气压控制,控制,教程,第43张

气动技术_8、PLC与气压控制(图文教程),气动技术_8、PLC与气压控制,控制,教程,第44张 输入:PB=X0

a1=X1

输出:A+=Y0

LD X0

OR Y0

ANI X1

OUT Y0

END

气动技术_8、PLC与气压控制(图文教程),气动技术_8、PLC与气压控制,控制,教程,第45张

练习 : A为单动缸,以单边电磁阀控制,加上节流阀调整气缸运动速度

当按一下PB(Pulse),则气压缸慢慢前进A+

当气压缸触碰到前顶点a1,气压缸静止不动

3秒钟后,气压缸慢慢后退A-

气动技术_8、PLC与气压控制(图文教程),气动技术_8、PLC与气压控制,控制,教程,第46张

练习: A为单动缸,以单边电磁阀控制,加上节流阀调整气缸运动速度

当按一下PB(Pulse),则气压缸A来回往复运动

A+ A- A+ A- A+ A-……………….

气动技术_8、PLC与气压控制(图文教程),气动技术_8、PLC与气压控制,控制,教程,第47张

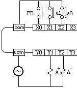
例题2-1: A为双动缸,以单边电磁阀控制

当按钮开关PB ON,则气压缸前进A+

当按钮开关PB OFF,则气压缸后退A-

气动技术_8、PLC与气压控制(图文教程),气动技术_8、PLC与气压控制,控制,教程,第48张

气动技术_8、PLC与气压控制(图文教程),气动技术_8、PLC与气压控制,控制,教程,第32张

气动技术_8、PLC与气压控制(图文教程),气动技术_8、PLC与气压控制,控制,教程,第33张

输入:PB=X0

输出:A+=Y0

LD X0

OUT Y0

END

气动技术_8、PLC与气压控制(图文教程),气动技术_8、PLC与气压控制,控制,教程,第35张

例题2-2: A为双动缸,以双边电磁阀控制

当按钮开关PB1 ON(Pulse),则气压缸前进A+

当按钮开关PB2 ON(Pulse),则气压缸后退A-

气动技术_8、PLC与气压控制(图文教程),气动技术_8、PLC与气压控制,控制,教程,第52张

气动技术_8、PLC与气压控制(图文教程),气动技术_8、PLC与气压控制,控制,教程,第37张

输入:PB1=X1

PB2=X2

输出:A+=Y1

A-=Y2

气动技术_8、PLC与气压控制(图文教程),气动技术_8、PLC与气压控制,控制,教程,第54张

气动技术_8、PLC与气压控制(图文教程),气动技术_8、PLC与气压控制,控制,教程,第55张

LD X1

OUT Y1

LD X2

OUT Y2

END

例题2-3: A为双动缸,以双边电磁阀控制,加上节流阀调整气缸运动速度

当按一下PB(Pulse),则气压缸慢慢前进A+

当气压缸触碰到前顶点a1,则气压缸慢慢后退A-

气动技术_8、PLC与气压控制(图文教程),气动技术_8、PLC与气压控制,控制,教程,第56张

气动技术_8、PLC与气压控制(图文教程),气动技术_8、PLC与气压控制,控制,教程,第43张

气动技术_8、PLC与气压控制(图文教程),气动技术_8、PLC与气压控制,控制,教程,第58张 输入:PB=X1

a1=X2

输出:A+=Y1

A-=Y2

气动技术_8、PLC与气压控制(图文教程),气动技术_8、PLC与气压控制,控制,教程,第59张气动技术_8、PLC与气压控制(图文教程),气动技术_8、PLC与气压控制,控制,教程,第60张

LD X1

OUT Y1

LD X2

OUT Y2

END

练习: A为双动缸,以双边电磁阀控制,加上节流阀调整气缸运动速度

当按一下PB1(Pulse),则气压缸A来回往复运动

A+ A- A+ A- ……………….

当按一下PB2(Pulse),则气压缸停止运动

气动技术_8、PLC与气压控制(图文教程),气动技术_8、PLC与气压控制,控制,教程,第61张

练习:A为双动缸,以双边电磁阀控制,加上节流阀调整气缸运动速度

当按一下PB1(Pulse),则气压缸A来回往复运动5回后自动停止

A+ A- A+ A- A+ A- A+ A- A+ A-

气动技术_8、PLC与气压控制(图文教程),气动技术_8、PLC与气压控制,控制,教程,第62张

例题3-1: A、B皆为单动缸,分别以单边电磁阀控制

动作顺序如图

PB ON (Pulse) ,则系统激活

一次循环后自动停止

气动技术_8、PLC与气压控制(图文教程),气动技术_8、PLC与气压控制,控制,教程,第63张

气动技术_8、PLC与气压控制(图文教程),气动技术_8、PLC与气压控制,控制,教程,第64张

气动技术_8、PLC与气压控制(图文教程),气动技术_8、PLC与气压控制,控制,教程,第65张

输入:PB=X0

a1=X1

b1=X2

输出:A+=Y1

B+=Y2

气动技术_8、PLC与气压控制(图文教程),气动技术_8、PLC与气压控制,控制,教程,第66张

气动技术_8、PLC与气压控制(图文教程),文本框: LD X0 OR M0 ANI X2 OUT M0 LD M0 OUT Y1 LD X1 OUT Y2 END ,控制,教程,第67张

气动技术_8、PLC与气压控制(图文教程),气动技术_8、PLC与气压控制,控制,教程,第68张

例题3-2: A、B皆为双动缸,分别以双边电磁阀控制

动作顺序如图

PB ON (Pulse) ,则系统激活

一次循环后自动停止

气动技术_8、PLC与气压控制(图文教程),气动技术_8、PLC与气压控制,控制,教程,第63张

气动技术_8、PLC与气压控制(图文教程),气动技术_8、PLC与气压控制,控制,教程,第70张 

气动技术_8、PLC与气压控制(图文教程),气动技术_8、PLC与气压控制,控制,教程,第71张输入:PB=X0

a1=X1

b1=X2

输出:A+=Y0

A-=Y1

B+=Y2

B-=Y3

气动技术_8、PLC与气压控制(图文教程),气动技术_8、PLC与气压控制,控制,教程,第72张

气动技术_8、PLC与气压控制(图文教程),气动技术_8、PLC与气压控制,控制,教程,第73张

气动技术_8、PLC与气压控制(图文教程),文本框: LD X0 OUT Y0 LD X1 OUT Y1 LD X2 OUT Y2 OUT Y3 END ,控制,教程,第74张

练习: A、B皆为双动缸,分别以双边电磁阀控制

动作顺序如图

PB ON (Pulse) ,则系统激活

一次循环后自动停止

气动技术_8、PLC与气压控制(图文教程),气动技术_8、PLC与气压控制,控制,教程,第75张

练习: A、B皆为双动缸,分别以双边电磁阀控制

动作顺序如图

PB ON (Pulse) ,则系统激活

一次循环后自动停止

气动技术_8、PLC与气压控制(图文教程),气动技术_8、PLC与气压控制,控制,教程,第76张

练习: A、B皆为单动缸,分别以单边电磁阀控制

动作顺序如图(循环动作)

PB1 ON (Pulse) ,则系统激活

PB2 ON (Pulse) ,则系统停止

气动技术_8、PLC与气压控制(图文教程),气动技术_8、PLC与气压控制,控制,教程,第77张

练习: A、B皆为双动缸,分别以双边电磁阀控制

动作顺序如图(循环动作)

PB1 ON (Pulse) ,则系统激活

PB2 ON (Pulse) ,则系统停止

气动技术_8、PLC与气压控制(图文教程),气动技术_8、PLC与气压控制,控制,教程,第77张

三. PLC与气压过程控制

(一)单一流程

例题4-1 : A为双动缸,由双边电磁阀控制,当按下激活开关

START,则气压缸前进,当气压缸到达前顶点,则气压缸

后退,当气压缸到达后顶点时,则系统停止,并等待下一

个激活命令。

气动技术_8、PLC与气压控制(图文教程),气动技术_8、PLC与气压控制,控制,教程,第79张

气动技术_8、PLC与气压控制(图文教程),气动技术_8、PLC与气压控制,控制,教程,第80张

气动技术_8、PLC与气压控制(图文教程),气动技术_8、PLC与气压控制,控制,教程,第81张

I/O规划如下:

X0=START

X1=前极限 Y1=A+

X2=后极限 Y2=A-

气动技术_8、PLC与气压控制(图文教程),气动技术_8、PLC与气压控制,控制,教程,第82张

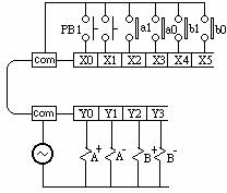
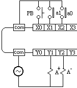
例题4-2 : A、B皆为双动缸,分别以双边电磁阀控制

动作顺序如图

PB ON (Pulse) ,则系统激活

一次循环后自动停止

气动技术_8、PLC与气压控制(图文教程),气动技术_8、PLC与气压控制,控制,教程,第77张

气动技术_8、PLC与气压控制(图文教程),气动技术_8、PLC与气压控制,控制,教程,第84张

I/O 规划如下

气动技术_8、PLC与气压控制(图文教程),气动技术_8、PLC与气压控制,控制,教程,第85张输入:PB=X0

a1=X1

a0=X2

b1=X3

b0=X4

输出:A+=Y0

A-=Y1

B+=Y2

B-=Y3

气动技术_8、PLC与气压控制(图文教程),气动技术_8、PLC与气压控制,控制,教程,第86张

练习: A、B皆为双动缸,分别以双边电磁阀控制

动作顺序如图

PB ON (Pulse) ,则系统激活

一次循环后自动停止

气动技术_8、PLC与气压控制(图文教程),气动技术_8、PLC与气压控制,控制,教程,第75张

练习: A、B皆为双动缸,分别以双边电磁阀控制

动作顺序如图

PB ON (Pulse) ,则系统激活

气动技术_8、PLC与气压控制(图文教程),气动技术_8、PLC与气压控制,控制,教程,第88张一次循环后自动停止

练习: A、B皆为双动缸,分别以双边电磁阀控制

动作顺序如图

PB ON (Pulse) ,则系统激活

一次循环后自动停止

气动技术_8、PLC与气压控制(图文教程),气动技术_8、PLC与气压控制,控制,教程,第89张

练习: A、B皆为双动缸,分别以双边电磁阀控制

动作顺序如图(循环动作)

PB1 ON (Pulse) ,则系统激活

PB2 ON (Pulse) ,则系统停止

气动技术_8、PLC与气压控制(图文教程),气动技术_8、PLC与气压控制,控制,教程,第76张

练习: A为双动缸,以双边电磁阀控制,加上节流阀调整气缸运动速度

当按一下PB1(Pulse),则气压缸A来回往复运动

A+ A- A+ A- ……………….

当按一下PB2(Pulse),则气压缸停止运动

气动技术_8、PLC与气压控制(图文教程),气动技术_8、PLC与气压控制,控制,教程,第61张

练习:A为双动缸,以双边电磁阀控制,加上节流阀调整气缸运动速度

当按一下PB1(Pulse),则气压缸A来回往复运动5回后自动停止

A+ A- A+ A- A+ A- A+ A- A+ A-

气动技术_8、PLC与气压控制(图文教程),气动技术_8、PLC与气压控制,控制,教程,第62张

练习:ETTC-1是一台气压控制的简易型机械臂,共有五个轴:

轴向名称

X轴

Y轴

Z轴

旋转轴

夹爪

电磁阀

单边

(ON向右)

单边

(ON向前)

单边

(ON向下)

单边

(ON顺时)

单边

(ON打开)

极限点

左右

前后

上下

顺逆

请依动作要求设计顺序控制电路,并实际驱动之

(1) 归回原位(所有电磁阀OFF的位置)

(2) 设定X轴向之左右极限点为A及B,并在A点放置一工件

(3) 驱动ETTC-1 将工件自A点移至B点

(4) 归回原位

(二)选择性分歧

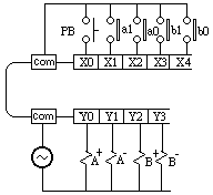
例题4-3:A、B皆为双动缸,分别以双边电磁阀控制

动作顺序如图,当PB1ON时,A气压缸来回运动一次, 当PB2ON时,B气压缸来回运动一次

气动技术_8、PLC与气压控制(图文教程),气动技术_8、PLC与气压控制,控制,教程,第93张

I/O 规划如下

输入:PB1=X0

气动技术_8、PLC与气压控制(图文教程),气动技术_8、PLC与气压控制,控制,教程,第94张 PB2=X1

a1=X2

a0=X3

b1=X4

b0=X5

输出:A+=Y0

A-=Y1

B+=Y2

B-=Y3

气动技术_8、PLC与气压控制(图文教程),气动技术_8、PLC与气压控制,控制,教程,第95张

练习:利用ETTC-1设计下列程序:

当X0 ON且X1 OFF,则ETTC-1将工件自A点移至B点

当X1 ON且X0 OFF,则ETTC-1将工件自B点移至A点

气动技术_8、PLC与气压控制(图文教程),气动技术_8、PLC与气压控制,控制,教程,第84张(三)并进式分歧

例题4-4: A、B皆为双动缸,分别以双边电磁阀控制

动作顺序如图,当PB ON时,A气压缸来回运动一次

同时,B气压缸来回运动一次

气动技术_8、PLC与气压控制(图文教程),气动技术_8、PLC与气压控制,控制,教程,第97张

I/O 规划如下

输入:PB=X0气动技术_8、PLC与气压控制(图文教程),气动技术_8、PLC与气压控制,控制,教程,第98张

a1=X2

a0=X3

b1=X4

b0=X5

输出:A+=Y0

A-=Y1

B+=Y2

B-=Y3

气动技术_8、PLC与气压控制(图文教程),气动技术_8、PLC与气压控制,控制,教程,第99张

免责声明:
1;所有标注为智造资料网zl.fbzzw.cn的内容均为本站所有,版权均属本站所有,若您需要引用、转载,必须注明来源及原文链接即可,如涉及大面积转载,请来信告知,获取《授权协议》。
2;本网站图片,文字之类版权申明,因为网站可以由注册用户自行上传图片或文字,本网站无法鉴别所上传图片或文字的知识版权,如果侵犯,请及时通知我们,本网站将在第一时间及时删除,相关侵权责任均由相应上传用户自行承担。
[complaint:内容投诉]
智造资料网打造智能制造3D图纸下载,在线视频,软件下载,在线问答综合平台 » 气动技术_8、PLC与气压控制(图文教程)