1.背压回路

2.比例远调压力回路

3.变量泵回路

4.冲液阀回路

5.串联同步回路

6.电磁泄荷回路

7.增速缸快速回路

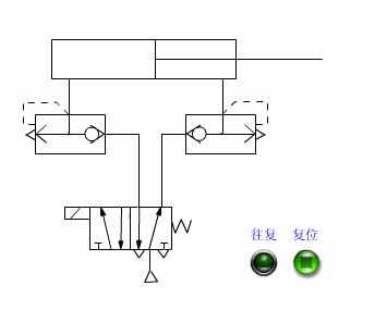
8.换向回路1

9.换向回路2

10.节流阀出口节流回路

11.节流阀旁路旁路节流调速回路

12.单级调压回路

13.无级减压回路

14.平衡回路

15.减压回路

16.增速缸快速回路

17.液压缸差动连接快速回路

18.调速阀并联的速度换接回路

19.调速阀串联的速度换接回路

20.电磁溢流回路

21.进油调速回路

22.节流阀进油调速回路

23.节流阀进油调速回路

24.蓄能器油缸回路

25.气缸快速往复运动回路

26.三压回路

27.双泵回路

28.双压调压回路

29.行程阀控制顺序动作回路

30.行程开关和电磁阀控制顺序动作回路

31.双作用增压缸的增压回路

32.液压泵保压回路

33.锁紧回路

34.蓄能器保压回路

35.中位泄荷回路

36.单作用增压缸增压回路

37.远程调压回路

38.典型机床回路

39.典型机床回路2

40.快进工进回路

41.用行程阀的速度换接回路

42.调速阀串联的二次进给速度换接回路

43.调速阀并联的二次进给速度换接回路

44.调速阀并联的二次进给速度换接回路2

45.行程阀控制的快慢速换接回路

46.行程控制制动式换向回路

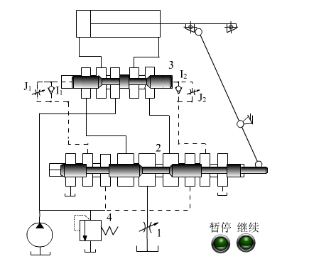
47.行程开关和电磁换向阀控制的顺序运动回路

48.行程开关控制的快慢速换接回路

免责声明:
1;所有标注为智造资料网zl.fbzzw.cn的内容均为本站所有,版权均属本站所有,若您需要引用、转载,必须注明来源及原文链接即可,如涉及大面积转载,请来信告知,获取《授权协议》。
2;本网站图片,文字之类版权申明,因为网站可以由注册用户自行上传图片或文字,本网站无法鉴别所上传图片或文字的知识版权,如果侵犯,请及时通知我们,本网站将在第一时间及时删除,相关侵权责任均由相应上传用户自行承担。
[complaint:内容投诉]
智造资料网打造智能制造3D图纸下载,在线视频,软件下载,在线问答综合平台 » 液压基本回路动画大全(图文教程)
1;所有标注为智造资料网zl.fbzzw.cn的内容均为本站所有,版权均属本站所有,若您需要引用、转载,必须注明来源及原文链接即可,如涉及大面积转载,请来信告知,获取《授权协议》。
2;本网站图片,文字之类版权申明,因为网站可以由注册用户自行上传图片或文字,本网站无法鉴别所上传图片或文字的知识版权,如果侵犯,请及时通知我们,本网站将在第一时间及时删除,相关侵权责任均由相应上传用户自行承担。
[complaint:内容投诉]
智造资料网打造智能制造3D图纸下载,在线视频,软件下载,在线问答综合平台 » 液压基本回路动画大全(图文教程)

