机械制图教程-(7.3)零件图的尺寸标注(图文教程)

7.3 零件图的尺寸标注

    零件图中的尺寸,是加工和检验零件的重要依据。因此,在零件图上标注尺寸,除了要符合前面所述的尺寸正确、完整、清晰外,还应尽量标注得合理。尺寸的合理性主要是指既符合设计要求,又便于加工、测量和检验。为了合理标注尺寸,必须了解零件的作用,在机器中的装配位置及采用的加工方法等,从而选择恰当的尺寸基准,合理地标注尺寸。

7.3.1 尺寸基准的选择

    尺寸基准是指零件在设计、制造和检验时,计量尺寸的起点。

要做到合理标注尺寸,首先必须选择好尺寸基准。一般以安装面、重要的端面、装配的结合面、对称平面和回转体的轴线等作为基准。零件在长、宽、高三个方向都应有一个主要尺寸基准。除此之外,在同一方向上有时还有辅助尺寸基准,如图7-14所示。同一方向主要基准与辅助基准之间的联系尺寸应直接注出。 

机械制图教程-(7.3)零件图的尺寸标注(图文教程),机械制图教程-(7.3)零件图的尺寸标注,教程,制图,标注,零件,尺寸,第1张 

 图7-14 尺寸基准 

从设计和工艺的不同角度来确定基准。一般把基准分成设计基准和工艺基准两大类。下面以如图7-15所示的轴承座为例加以说明

机械制图教程-(7.3)零件图的尺寸标注(图文教程),机械制图教程-(7.3)零件图的尺寸标注,教程,制图,标注,零件,尺寸,第2张

图7-15 轴承座

 1. 设计基准

    在设计零件时,为保证功能,确定零件结构形状和各部分相对位置时所选用的基准。

    用来作为设计基准的,大多是工作时确定零件在机器或部件中位置的面或线,如零件的重要端面、底面、对称面、回转面的轴线等。设计基准通常是主要基准。从设计基准出发标注尺寸,可以直接反映设计要求,能体现零件在装配体中的功能。

    如图7-15所示的轴承座,分别选底面为高度方向的设计基准,对称平面为长度方向的设计基准,如图7-15所示。因为一根轴通常要用两个轴承座支持,两者的轴孔应在同一轴线上。两个轴承座都以底面确定高度方向的位置,以对称平面确定左右方向的位置。所以,在设计时以底面为基准来确定高度方向的尺寸,以面为基准确定底板上两个螺栓孔的孔心距及其对于轴孔的对称关系,最终实现二轴承座安装后轴孔同心,保证功能。

 2. 工艺基准

    工艺基准是在加工或测量时,确定零件相对机床、工装或量具位置的面或线。工艺基准通常是辅助基准。从工艺基准出发标注尺寸,可直接反映工艺要求,便于测量,保证加工质量。

    有时工艺基准和设计基准是重合的。如图7-15所示的轴承座,底面既是设计基准,又是工艺基准。对于顶部的螺纹孔来说,顶面既是螺纹孔深度的设计基准,又是加工和测量时的工艺基准。

在标注尺寸时,最好能把设计基准和工艺基准统一起来,这样,既能满足设计要求,又能满足工艺要求。当设计基准和工艺基准不能统一时,重要尺寸应从设计基准出发直接注出,以保证加工时达到设计要求,避免尺寸之间的换算。一般尺寸考虑到测量方便,应从工艺基准出发标注。

7.3.2 标注尺寸的合理原则

1. 重要的尺寸应直接注出

    重要尺寸是指直接影响机器装配精度和工作性能的尺寸。如零件之间的配合尺寸、重要的安装定位尺寸等,一般都有公差要求。一般尺寸包括外形轮廓尺寸、无配合要求的尺寸、工艺尺寸(如退刀槽、凸台、凹坑、倒角等),一般都不注公差。

如图7-7中尺寸23,图7-15中65、17、40±0.012等。

2. 避免注成封闭尺寸链

机械制图教程-(7.3)零件图的尺寸标注(图文教程),机械制图教程-(7.3)零件图的尺寸标注,教程,制图,标注,零件,尺寸,第3张

(a) 封闭尺寸链                          (b) 正确注法

图7-16 不能注成封闭尺寸链

    零件上某一方向尺寸首尾相接,形成封闭尺寸链,在如图7-16a所示的标注中,长度方向的尺寸L1、L2、L3、L4首尾相连,绕成一个整圈,呈现L4=L1+L2+L3的关系,这称之为“封闭尺寸链”。由于加工误差的存在,很难保证L4=L1+L2+L3,所以在标注时出现封闭尺寸链是不合理的,应该避免它。为了保证每个尺寸的精度要求,通常对尺寸精度要求最低的一环不注尺寸(如L1),使尺寸误差都累积到这个尺寸上,从而保证重要尺寸的精度,又可降低加工成本,如图7-16b所示。若因某种原因必须将其注出时,应将此尺寸数值用圆括号括起,称之为“参考尺寸”。

3. 应考虑到测量方便

    标注尺寸应考虑零件便于加工、便于测量。例如在加工阶梯孔时,一般先加工小孔,然后依次加工出大孔。因此,在标注轴向尺寸时,应从端面注出大孔的深度,以便于测量,如图7-17所示。

 机械制图教程-(7.3)零件图的尺寸标注(图文教程),机械制图教程-(7.3)零件图的尺寸标注,教程,制图,标注,零件,尺寸,第4张机械制图教程-(7.3)零件图的尺寸标注(图文教程),机械制图教程-(7.3)零件图的尺寸标注,教程,制图,标注,零件,尺寸,第5张

(a) 便于测量    (b) 不便于测量     (c) 便于测量    (d) 不便于测量

图7-17 尺寸标注要便于测量

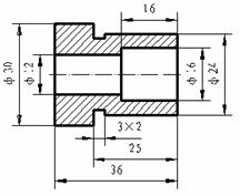
4. 应符合加工顺序

    图7-18中的阶梯轴,其加工顺序一般是:先车外圆φ14、长50;其次车φ10、长36一段;再车离右端面20、宽2、6的退刀槽;最后车螺纹和倒角。如图7-18中(b)(c)(d)(e)所示。所以它的尺寸应按图7-18(a)标注。

机械制图教程-(7.3)零件图的尺寸标注(图文教程),机械制图教程-(7.3)零件图的尺寸标注,教程,制图,标注,零件,尺寸,第6张

机械制图教程-(7.3)零件图的尺寸标注(图文教程),机械制图教程-(7.3)零件图的尺寸标注,教程,制图,标注,零件,尺寸,第7张

图7-18尺寸标注应符合加工顺序

图7-19是按加工顺序标注轴向尺寸,是合理的。图7-20的尺寸注法不符合加工顺序,是不合理的。注意退刀槽的尺寸注法,如图7-19。 

机械制图教程-(7.3)零件图的尺寸标注(图文教程),机械制图教程-(7.3)零件图的尺寸标注,教程,制图,标注,零件,尺寸,第8张机械制图教程-(7.3)零件图的尺寸标注(图文教程),机械制图教程-(7.3)零件图的尺寸标注,教程,制图,标注,零件,尺寸,第9张

图7-19 按加工顺序标注尺寸        图7-20 不符合加工顺序

5. 考虑加工方法

用不同工种加工的尺寸应尽量分开标注,这样配置的尺寸清晰,便于加工时读图。如图7-21中的铣工和车工尺寸分布。


 机械制图教程-(7.3)零件图的尺寸标注(图文教程),机械制图教程-(7.3)零件图的尺寸标注,教程,制图,标注,零件,尺寸,第10张机械制图教程-(7.3)零件图的尺寸标注(图文教程),机械制图教程-(7.3)零件图的尺寸标注,教程,制图,标注,零件,尺寸,第11张

图7-21 考虑加工方法图     7.22 毛坯面尺寸注法

6. 加工面和非加工面

    对于铸造或锻造零件,同一方向上的加工面和非加工面应各选择一个基准分别标注有关尺寸,并且两个基准之间只允许有一个联系尺寸,如图7-22a所示,加工基准面与非加工基准面之间只用一个尺寸A相联系。图7-22b所标注尺寸是不合理的,加工基准面与非加工基准面之间有五个尺寸相联系。

 7.3.3 零件上常见孔的尺寸注法

    零件上常见孔的尺寸注法见表7-1。

表7-1 常见孔的尺寸注法

机械制图教程-(7.3)零件图的尺寸标注(图文教程),机械制图教程-(7.3)零件图的尺寸标注,教程,制图,标注,零件,尺寸,第12张

该文章所属专题:机械制图技术教程

免责声明:
1;所有标注为智造资料网zl.fbzzw.cn的内容均为本站所有,版权均属本站所有,若您需要引用、转载,必须注明来源及原文链接即可,如涉及大面积转载,请来信告知,获取《授权协议》。
2;本网站图片,文字之类版权申明,因为网站可以由注册用户自行上传图片或文字,本网站无法鉴别所上传图片或文字的知识版权,如果侵犯,请及时通知我们,本网站将在第一时间及时删除,相关侵权责任均由相应上传用户自行承担。
[complaint:内容投诉]
智造资料网打造智能制造3D图纸下载,在线视频,软件下载,在线问答综合平台 » 机械制图教程-(7.3)零件图的尺寸标注(图文教程)