机械制图标准学习-表面结构(图文教程)

4 表面结构

    表面结构根据GB/T 131-2006 产品几何技术规范(GPS) 技术产品文件中表面结构的表示法的规定执行。

4.1 表面结构术语及图形符号

4.1.1基本图形符号

    基本图形符号由两条不等长的与标注表面成60°夹角的直线构成, 基本图形符号仅用于简化代号标注没有补充说明时不能单独使用。如果基本图形符号与补充的或辅助的说明一起使用,则不需要进一步说明为了获得指定的表面是否应去除材料或不去除材料。


机械制图标准学习-表面结构(图文教程),机械制图标准学习-表面结构,制图,结构,第1张

4.1.2 扩展图形符号

(1)要求去除材料的图形符号

在基本图形符号上加一短横,表示指定表面是用去除材料的方法获得,如通过机械加工获得的表面

机械制图标准学习-表面结构(图文教程),机械制图标准学习-表面结构,制图,结构,第2张

(2)不允许去除钤料的图形符号

在基本图形符号上加一个圆圈,表示指定表面是用不去除材料方法获得。

机械制图标准学习-表面结构(图文教程),机械制图标准学习-表面结构,制图,结构,第3张

4.1.3 完整图形符号

    当要求标注表面结构特征的补充信息时,应在基本图形符号的长边上加-横线。

机械制图标准学习-表面结构(图文教程),机械制图标准学习-表面结构,制图,结构,第4张

4.1.4 工件轮廓各表面的图形符号

    当在图样某个视图上构成封闭轮廓的各表面有相同的表面结构要求时,应在完整图形符号上加一圆圈,标注在图样中工件的封闭轮廓线上,如图所示。如果标注会引起歧义时,各表面应分别标注。

机械制图标准学习-表面结构(图文教程),机械制图标准学习-表面结构,制图,结构,第5张

4.2 表面结构完整图形符号的组成

4.2.1 概述

    为了明确表面结构要求,除了标注表面结构参数和数值外,必要时应标注补充要求,补充要求包括传输带、取样长度、加工工艺、表面纹理及方向、加工余量等。为了保证表面的功能特征,应对表面结构参数规定不同要求。

4.2.2 表面结构补充要求的注写位置

    在完整符号中,对表面结构的单一要求和补充要求应注写在如图所示的指定位置。

机械制图标准学习-表面结构(图文教程),机械制图标准学习-表面结构,制图,结构,第6张

表面结构补充要求包括:

——表面结构参数代号;

——数值;

——传输带/取样长度。

图中位置a~e分别注写以下内容:

a)位置a 注写表面结构的单一要求

根据标注表面结构参数代号、极限值和传输带或取样长度。为了避免误解,在参数代号和极限值间应插入空格。传输带或取样长度后应有一斜线“/”,之后是表面结构参数代号,最后是数值。

示例1: 0.0025-0. 8ARz 6. 3 (传输带标注)。

示例2: -0. 8ARZ 6.3 (取样长度标注)。

对图形法应标注传输带,后面应有一斜线“/”,之后是评定长度值,再后是一斜线“/”,最后是表面结 构参数代号及其数值。

示例 3: 0.008-0. 5/16AR 10。

注:传输带是两个定义的滤波器之间的波长范围,见GB/T 6062和GB/T 18777;对于图形法,是在两个定义极限 值之间的波长范围(见GB/T 18618)。

b)位置a和b  注写两个或多个表面结构要求

在位置a注写第一个表面结构要求,方法同a)。在位置b注写第二个表面结构要求。如果要注写第三个或更多个表面结构要求,图形符号应在垂直方向扩大,以空出足够的空间。扩大图形符号时,a 和b的位置随之上移。

c)位置c注写加工方法

    注写加工方法、表面处理、涂层或其他加工工艺要求等。如车、磨、镀等加工表面。

d)位置d注写表面纹理和方向

    注写所要求的表面纹理和纹理的方向,如“ = ”、“X”、“M”。

e)位置e注写加工余量

    注写所要求的加工余量,以毫米为单位给出数值。

4.3 表面结构要求在图样和其他技术产品文件中的注法

4.3.1 概述

    表面结构要求对每一表面一般只标注一次,并尽可能注在相应的尺寸及其公差的同一视图上。除非另有说明,所标注的表面结构要求是对完工零件表面的要求。

4.3.2 表面结构符号、代号的标注位置与方向

(1)概述

    总的原则是根据GB/T 4458. 4的规定.使表面结构的注写和读取方向与尺寸的注写和读取方向一致。

机械制图标准学习-表面结构(图文教程),机械制图标准学习-表面结构,制图,结构,第7张

(2)标注在轮廓线上或指引线上

    表面结构要求可标注在轮廓线上,其符号应从材料外指向并接触表面。必要时,表面结构符号也可用带箭头或黑点的指引线引出标注。

机械制图标准学习-表面结构(图文教程),机械制图标准学习-表面结构,制图,结构,第8张

机械制图标准学习-表面结构(图文教程),机械制图标准学习-表面结构,制图,结构,第9张

(3)标注在特征尺寸的尺寸线上

    在不致引起误解时,表面结构要求可以标注在给定的尺寸线上。

机械制图标准学习-表面结构(图文教程),机械制图标准学习-表面结构,制图,结构,第10张

(4)标注在形位公差的框格上

    表面结构要求可标注在形位公差框格的上方。

机械制图标准学习-表面结构(图文教程),机械制图标准学习-表面结构,制图,结构,第11张

(5)标注在延长线上

    表面结构要求可以直接标注在延长线上,或用带箭头的指引线引出标注。

机械制图标准学习-表面结构(图文教程),机械制图标准学习-表面结构,制图,结构,第12张

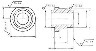
(6)标注在圆柱和棱柱表面上

    圆柱和棱柱表面的表面结构要求只标注一次。如果每个棱柱表面有不同的表面结构要求,则应分别单独标注。

机械制图标准学习-表面结构(图文教程),机械制图标准学习-表面结构,制图,结构,第13张

该文章所属专题:机械制图标准学习

4.4 表面结构要求的简化注法

4.4.1 有相同表面结构要求的简化注法

    如果在工件的多数(包括全部)表面有相同的表面结构要求,则其表面结构要求可统一标注在图样的标题栏附近。此时(除全部表面有相同要求的情况外),表面结构要求的符号后面应有:

——在圆括号内给出无任何其他标注的基本符号;

——-在圆括号内给出不同的表面结构要求。

机械制图标准学习-表面结构(图文教程),机械制图标准学习-表面结构,制图,结构,第14张 机械制图标准学习-表面结构(图文教程),机械制图标准学习-表面结构,制图,结构,第15张

不同的表面结构要求应直接标注在图形中

4.4.2 多个表面有共同要求的注法

(1)概述

    当多个表面具有相同的表面结构要求或图纸空间有限时,可以采用简化注法。

(2)用带字母的完整符号的简化注法

    可用带字母的完整符号,以等式的形式,在图形或标题栏附近,对有相同表面结构要求的表面进行简化标注。

机械制图标准学习-表面结构(图文教程),机械制图标准学习-表面结构,制图,结构,第16张

(3)只用表面结构符号的简化注法

    以等式的形式给出对多个表面共同的表面结构要求。

机械制图标准学习-表面结构(图文教程),机械制图标准学习-表面结构,制图,结构,第17张 机械制图标准学习-表面结构(图文教程),机械制图标准学习-表面结构,制图,结构,第18张 机械制图标准学习-表面结构(图文教程),机械制图标准学习-表面结构,制图,结构,第19张

(4)两种或多种工艺获得的同一表面的注法

    由几种不同的工艺方法获得的同一表面,当需要明确每种工艺方法的表面结构要求时,可按图进行标注。

机械制图标准学习-表面结构(图文教程),机械制图标准学习-表面结构,制图,结构,第20张

4.5 表面结构符号、代号的含义

B1表面结构符号

机械制图标准学习-表面结构(图文教程),机械制图标准学习-表面结构,制图,结构,第21张

B2表面结构代号

机械制图标准学习-表面结构(图文教程),机械制图标准学习-表面结构,制图,结构,第22张

机械制图标准学习-表面结构(图文教程),机械制图标准学习-表面结构,制图,结构,第23张

B3带有补充注释的符号

机械制图标准学习-表面结构(图文教程),机械制图标准学习-表面结构,制图,结构,第24张

该文章所属专题:机械制图标准学习

4.6 表面结构要求的标注示例

机械制图标准学习-表面结构(图文教程),机械制图标准学习-表面结构,制图,结构,第25张


机械制图标准学习-表面结构(图文教程),机械制图标准学习-表面结构,制图,结构,第26张

机械制图标准学习-表面结构(图文教程),机械制图标准学习-表面结构,制图,结构,第27张

该文章所属专题:机械制图标准学习

免责声明:
1;所有标注为智造资料网zl.fbzzw.cn的内容均为本站所有,版权均属本站所有,若您需要引用、转载,必须注明来源及原文链接即可,如涉及大面积转载,请来信告知,获取《授权协议》。
2;本网站图片,文字之类版权申明,因为网站可以由注册用户自行上传图片或文字,本网站无法鉴别所上传图片或文字的知识版权,如果侵犯,请及时通知我们,本网站将在第一时间及时删除,相关侵权责任均由相应上传用户自行承担。
[complaint:内容投诉]
智造资料网打造智能制造3D图纸下载,在线视频,软件下载,在线问答综合平台 » 机械制图标准学习-表面结构(图文教程)