第五章 组合体
第一讲 组合体的画图
1.知识要点
(1)组合体的组合方式;(2)形体分析法;(3)线面分析法
2.教学设计:在讲解组合体的画图方法时,要紧紧抓住两个顺序(①组合体的各基本几何体的画图顺序。一般按组合体的生成过程先画基础形体,再画局部细节;②同一个形体三个视图的画图顺序。一般先画形状特征最明显的那个视图,或有积聚性的视图)。可先给出模型或实体仿真模型,引导同学作形体分析,然后按形体分析的过程绘制三视图。这个过程要反复进行几次,可停下来让同学画一个模型的三视图,教师观察同学的画图方法,对不正确的方法给予纠正,直到同学掌握正确的观察方法和画图方法为止。线面分析法是形体分析的补充。
3.课前准备:上课之前要准备好模型,模型要能够充分体现形体分析法的特点。
4.教学内容
(1)组合体的组成方式(形体分析法)
叠加如图5-1所示

图5-1叠加
切割如图5-2所示

图5-2切割
相切如图5-3所示

图5-3相切
图5-4为常见的画图错误,主视图上的错误原因是因为没有认识到立体是一个实体,即由各种材料制造成的立体,板和柱面的结合部分柱面已经消失,所以不存在转向轮廓线。左视图上的错误原因是没有考虑宽相等,不作形体分析。

图5-4常见错误画法.
综合如图5-5所示

图5-5综合
(2)用线面分析法绘制组合体的三视图(图5-6和图5-7)

图5-6平面立体的线面分析

图5-7曲面立体的线面分析
5.作业习题集:按模型或立体图绘制三视图。
第二讲 组合体的看图方法
1.知识要点
(1)形体分析法;(2)基础形体法;(3)线面分析法;(4)立体图法
2.教学设计:看图是画图的逆,画图是由物到图,看图是由图想象物,二者是互相联系的两个过程,看图能力可通过多画图来提高,同时也应当总结看图的基本规律,空间想象能力的培养和提高是一个逐渐的过程。在教学中要由浅入深,先给出形体组合特点明显的模型的三视图,让同学想象物体的形状,理解形体分析法的实质;再给出较复杂的物体的三视图,教会同学忽略细节,抓住组成物体的基础形体,称为基础形体法;线面分析法一般和形体分析法一起使用,但教学中可列举一些典型例子,讲解线面分析法在处理模型细节上的应用。
3.教学内容
(1)形体分析法
形体分析法的实质是:分部分想形状,合起来想整体,由整体到局部,由局部到整体。

图5-8形体分析法看图
(2)基础形体法
[例1]如图5-9中,已知主视图和俯视图,想象出物体的形状,并补画出左视图。

图5-9想象基础形体法

图5-10想象细节
[例2]如图5-11中,已知主视图和俯视图,补画左视图。
参考上例,请同学先想象基础形体,然后再想象细节。最后教师作出总结。
总结:基础形体法总是先想大的整体,此时,先不考虑孔槽和局部结构,想象出基础形体后再深入到局部细节。

图5-11基础形体法

图5-12想象细节
(3)线面分析法
利用Flash动画演示线面分析法的原理。(图5-13)

图5-13线面分析法
(4)利用立体图帮助看图
利用Flash动画演示线面分析法的原理。(图5-14)
图5-14利用立体图帮助看图
4.作业习题集上的作业,布置作业时要明确采用的看图方法。 该文章所属专题:AutoCAD机械制图教程
第三讲 组合体的尺寸标注
1.知识要点
(1)基本几何体的尺寸标注;(2)尺寸标注的基本要求;(3)尺寸分类和尺寸基准;
(4)具有截交线和相贯线的组合体的尺寸标注;(5)常见结构的尺寸标注;
(6)尺寸标注综合举例
2.教学设计:尺寸标注知识点多、乱,教材中讲的简单,但作业较复杂,所以本讲在教材的基础上作了补充。在教学中结合实例介绍概念和标注方法,从简单到复杂使同学逐步掌握尺寸标注的方法。介绍组合体的尺寸标注要和生产实际相结合,要从加工、测量等方面介绍为什么要标注这个尺寸,而不标注那个尺寸。虽然同学没有生产知识,但还是可以理解的。
3.教学内容
(1)基本几何体的尺寸标注
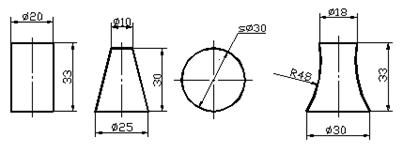
常见的基本平面立体的尺寸标注如图5-15所示。
常见的基本回转体的尺寸标注如图5-16所示。

图5-15基本平面立体的尺寸标注

图5-16基本曲面立体的尺寸标注
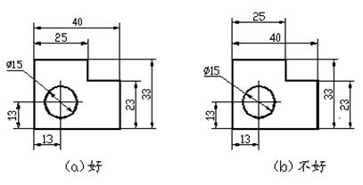
(2)尺寸标注的基本要求:完整、清晰、合理的要求。

图5-17尺寸标注要完整

图5-8尺寸标注要清晰

图5-9尺寸的集中标注

图5-20寸标注要符合加工和测量的要求(b图不能体现重点尺寸)
(3)尺寸分类和尺寸基准
尺寸分类:按尺寸所起的作用,可将尺寸分为三类:定形尺寸、定位尺寸和总体尺寸。定形尺寸是确定形体形状的尺寸,定位尺寸是确定形体位置的尺寸,总体尺寸确定物体的总长、总宽、总高。标注尺寸时,一般按“先定形尺寸,后定位尺寸,最后总体尺寸”的顺序标注。
尺寸基准:标注定位尺寸的起点称为尺寸基准。在组合体长、宽、高三个方向上至少各有一个基准,标注定位尺寸时,首先要考虑基准问题,通常以对称平面、回转曲面的轴线或物体上较大的底面、端面等为尺寸基准,同一方向上的定位尺寸基准尽量统一,这一原则称为“基准统一原则”,如图5-21所示。

图5-21尺寸基准
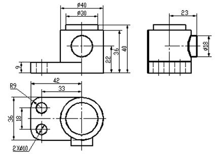
(4)切割体和相贯体的尺寸标注

图5-22截交线的尺寸标注

图5-23截交线尺寸标注中的常见错误

图5-24相贯线的尺寸标注
4.作业习题集中的尺寸标注练习 该文章所属专题:AutoCAD机械制图教程
第四讲 综合举例
1.按实物(或立体图)绘制组合体的三视图
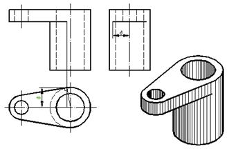
[例1]测绘滑动轴承座。如图5-25所示,画出轴承座的三视图,并标注尺寸。

图5-25滑动轴承座
[例2]如图图5-26所示,已知物体的主视图和左视图,想象出物体的形状,并补画出俯视图。

图5-26想象基础形体

图5-27想象细节
[例3]已知左视图和俯视图,想象组合体的形状,补画主视图。

图5-28补主视图
该文章所属专题:AutoCAD机械制图教程
1;所有标注为智造资料网zl.fbzzw.cn的内容均为本站所有,版权均属本站所有,若您需要引用、转载,必须注明来源及原文链接即可,如涉及大面积转载,请来信告知,获取《授权协议》。
2;本网站图片,文字之类版权申明,因为网站可以由注册用户自行上传图片或文字,本网站无法鉴别所上传图片或文字的知识版权,如果侵犯,请及时通知我们,本网站将在第一时间及时删除,相关侵权责任均由相应上传用户自行承担。
[complaint:内容投诉]
智造资料网打造智能制造3D图纸下载,在线视频,软件下载,在线问答综合平台 » 五、组合体|AutoCAD机械制图教程(图文教程)

