数控车加工的零件图及加工出来的零件图片(图文教程)

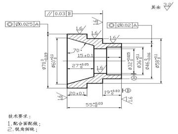
  数控车加工的零件图实例一:

数控车加工的零件图及加工出来的零件图片(图文教程),数控车加工的零件图及加工出来的零件图片,零件,加工,第1张

数控车加工的零件图及加工出来的零件图片(图文教程),数控车加工的零件图及加工出来的零件图片,零件,加工,第2张

 

数控车加工的零件图及加工出来的零件图片(图文教程),数控车加工的零件图及加工出来的零件图片,零件,加工,第3张

数控车加工的零件图及加工出来的零件图片(图文教程),数控车加工的零件图及加工出来的零件图片,零件,加工,第4张数控车加工的零件图及加工出来的零件图片(图文教程),数控车加工的零件图及加工出来的零件图片,零件,加工,第5张

  用数控车床加工后的零件实物图片:

数控车加工的零件图及加工出来的零件图片(图文教程),数控车加工的零件图及加工出来的零件图片,零件,加工,第6张

数控车加工的零件图及加工出来的零件图片(图文教程),数控车加工的零件图及加工出来的零件图片,零件,加工,第7张

数控车加工的零件图及加工出来的零件图片(图文教程),数控车加工的零件图及加工出来的零件图片,零件,加工,第8张

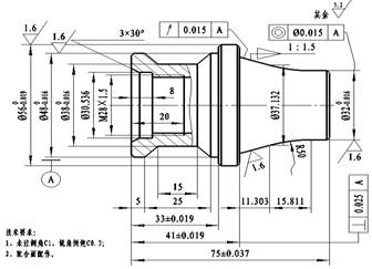
  数控车加工的零件图实例二:

数控车加工的零件图及加工出来的零件图片(图文教程),数控车加工的零件图及加工出来的零件图片,零件,加工,第9张

数控车加工的零件图及加工出来的零件图片(图文教程),数控车加工的零件图及加工出来的零件图片,零件,加工,第10张

数控车加工的零件图及加工出来的零件图片(图文教程),数控车加工的零件图及加工出来的零件图片,零件,加工,第11张

数控车加工的零件图及加工出来的零件图片(图文教程),数控车加工的零件图及加工出来的零件图片,零件,加工,第12张

数控车加工的零件图及加工出来的零件图片(图文教程),数控车加工的零件图及加工出来的零件图片,零件,加工,第13张

  用数控车床加工后的零件实物图片:

数控车加工的零件图及加工出来的零件图片(图文教程),数控车加工的零件图及加工出来的零件图片,零件,加工,第14张

数控车加工的零件图及加工出来的零件图片(图文教程),数控车加工的零件图及加工出来的零件图片,零件,加工,第15张

数控车加工的零件图及加工出来的零件图片(图文教程),数控车加工的零件图及加工出来的零件图片,零件,加工,第16张

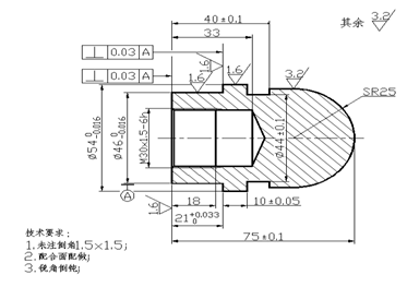
  数控车加工的零件图实例三:

数控车加工的零件图及加工出来的零件图片(图文教程),数控车加工的零件图及加工出来的零件图片,零件,加工,第17张

数控车加工的零件图及加工出来的零件图片(图文教程),数控车加工的零件图及加工出来的零件图片,零件,加工,第18张

数控车加工的零件图及加工出来的零件图片(图文教程),数控车加工的零件图及加工出来的零件图片,零件,加工,第19张

数控车加工的零件图及加工出来的零件图片(图文教程),数控车加工的零件图及加工出来的零件图片,零件,加工,第20张数控车加工的零件图及加工出来的零件图片(图文教程),数控车加工的零件图及加工出来的零件图片,零件,加工,第21张

  用数控车床加工后的零件实物图片:

数控车加工的零件图及加工出来的零件图片(图文教程),数控车加工的零件图及加工出来的零件图片,零件,加工,第22张

数控车加工的零件图及加工出来的零件图片(图文教程),数控车加工的零件图及加工出来的零件图片,零件,加工,第23张

数控车加工的零件图及加工出来的零件图片(图文教程),数控车加工的零件图及加工出来的零件图片,零件,加工,第24张

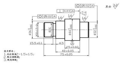
  数控车加工的零件图实例四:

数控车加工的零件图及加工出来的零件图片(图文教程),数控车加工的零件图及加工出来的零件图片,零件,加工,第25张

数控车加工的零件图及加工出来的零件图片(图文教程),数控车加工的零件图及加工出来的零件图片,零件,加工,第26张

数控车加工的零件图及加工出来的零件图片(图文教程),数控车加工的零件图及加工出来的零件图片,零件,加工,第27张

数控车加工的零件图及加工出来的零件图片(图文教程),数控车加工的零件图及加工出来的零件图片,零件,加工,第28张数控车加工的零件图及加工出来的零件图片(图文教程),数控车加工的零件图及加工出来的零件图片,零件,加工,第29张

  用数控车床加工后的零件实物图片:

数控车加工的零件图及加工出来的零件图片(图文教程),数控车加工的零件图及加工出来的零件图片,零件,加工,第30张

数控车加工的零件图及加工出来的零件图片(图文教程),数控车加工的零件图及加工出来的零件图片,零件,加工,第31张

免责声明:
1;所有标注为智造资料网zl.fbzzw.cn的内容均为本站所有,版权均属本站所有,若您需要引用、转载,必须注明来源及原文链接即可,如涉及大面积转载,请来信告知,获取《授权协议》。
2;本网站图片,文字之类版权申明,因为网站可以由注册用户自行上传图片或文字,本网站无法鉴别所上传图片或文字的知识版权,如果侵犯,请及时通知我们,本网站将在第一时间及时删除,相关侵权责任均由相应上传用户自行承担。
[complaint:内容投诉]
智造资料网打造智能制造3D图纸下载,在线视频,软件下载,在线问答综合平台 » 数控车加工的零件图及加工出来的零件图片(图文教程)