通过较复杂零件轮廓的加工,进一步熟悉和掌握数控系统常用指令的编程与加工工艺,掌握数控铣床的加工步骤及方法。
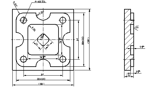
1、实训图纸(XX模具厂冲压模)
2、工艺分析
该零件需要加工的轮廓相对比较多,包括内外轮廓的铣削加工和孔加工,而16X16凸台为岛屿铣削加工,在下刀时应注意下刀点位置,防止轮廓过切而报废。从加工尺寸精度分析可知,加工精度较高控制在IT7-IT8级,应分粗、半精、精加工来完成轮廓的加工,并达到表面粗糙度要求。采用平口钳来装夹工件,工件坐标系设置在工件对称中心轴上。具体加工步骤如下:
(1)分析零件图,合理安排加工工艺;
(2)编制中心孔、钻孔、铣削孔等加工程序;
(3)安装夹毛坯,伸出平口虎钳钳口10mm左右;
(4)安装寻边器(或铣刀),确定工件坐标系原点为毛坯上表面中心位置,并设定零点偏置;
(5)安装面铣刀,粗、精铣工件上表面,作为深度方向的测量基准;
(6)安装
立铣刀并对刀,设定相对应的工件坐标系原点偏置和刀具半径补偿值为6.5;
(7)粗铣四方外轮廓、四方内轮廓和岛屿,单边余量为0.5mm;
(8)粗铣四方外轮廓、四方内轮廓和岛屿,调整相应的刀具半径补偿值为6.2;
(9)半精加工四方外轮廓、四方内轮廓和岛屿,单边余量为0.2mm;
(10)半精加工四方外轮廓、四方内轮廓和岛屿,调整相应的刀具半径补偿值为修整值;
(11)精加工四方外轮廓、四方内轮廓和岛屿;
(12)若轮廓加工精度达不到加工要求,继续调整刀具半径补偿值,直到满足零件图纸的加工要求;
免责声明:
1;所有标注为智造资料网zl.fbzzw.cn的内容均为本站所有,版权均属本站所有,若您需要引用、转载,必须注明来源及原文链接即可,如涉及大面积转载,请来信告知,获取《授权协议》。
2;本网站图片,文字之类版权申明,因为网站可以由注册用户自行上传图片或文字,本网站无法鉴别所上传图片或文字的知识版权,如果侵犯,请及时通知我们,本网站将在第一时间及时删除,相关侵权责任均由相应上传用户自行承担。
[complaint:内容投诉]
智造资料网打造智能制造3D图纸下载,在线视频,软件下载,在线问答综合平台 » 复杂零件加工工艺(图文教程)
1;所有标注为智造资料网zl.fbzzw.cn的内容均为本站所有,版权均属本站所有,若您需要引用、转载,必须注明来源及原文链接即可,如涉及大面积转载,请来信告知,获取《授权协议》。
2;本网站图片,文字之类版权申明,因为网站可以由注册用户自行上传图片或文字,本网站无法鉴别所上传图片或文字的知识版权,如果侵犯,请及时通知我们,本网站将在第一时间及时删除,相关侵权责任均由相应上传用户自行承担。
[complaint:内容投诉]
智造资料网打造智能制造3D图纸下载,在线视频,软件下载,在线问答综合平台 » 复杂零件加工工艺(图文教程)

