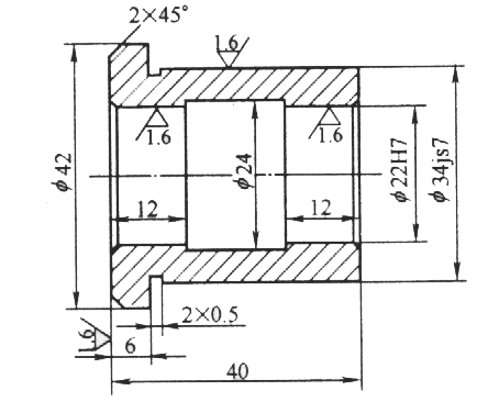
加工图1所示的套筒零件,毛坯直径为φ55mM,长为50mm,材料为45钢,未注倒角1×45°,其余Ra12.5。
表1 加工φ34mm、φ42mm外圆、切2×0.5槽的程序
程序 | 说明 |
%7101 | 程序名 |
N10 G92 X100 Z100 | 设置工件坐标系 |
N20 M03 S500 | 主轴正转,转速500r/min |
N30 M06 T0101 | 换刀补号为01的0号刀(粗车刀) |
N40 G90 G00 X50 Z2 | 快速定位到φ50mm外圆,距端面2mm处 |
N50 G80 X42.5 Z-40.5 F200 | 粗车φ42mm外圆,留径向余量0.5mm |
N60 G80 X34.5 Z-34 F200 | 粗车φ34mm外圆,留径向余量0.5mm |
N70 G01 X31 Z1 F200 | 刀尖移到φ31mm直径,距端面1mm处 |
N80 X35 Z-1 | 倒角1×45° |
N90 X42 | 刀尖移到φ42mm直径处 |
N100 Z-34 | 刀尖移到距端面34mm处 |
N110 Z-40.5 | 精车φ42mm外圆 |
N120 X45 | 退刀至φ45mm处 |
N130 G00 X100 Z100 | 刀尖快速定位到φ100mm直径,距端面100mm处 |
N135 T0100 | 清除刀偏 |
N140 M06 T0202 | 换宽2mm的切槽刀 |
N150 G00 X45 Z-34 | 刀尖快速定位的φ45mm直径,距端面34mm处 |
N160 G01 X33 F50 | 切2×0.5的槽 |
N170 X48 | 刀尖移到φ48mm直径处 |
N180 G00 Z-42.5 | 刀尖移到距端面42.5mm处 |
N190 G01 X0 F50 | 切断工件,保持工件长40.5mm |
N200 G00 X100 Z100 | 刀尖快速定位到φ100mm直径,距端面100mm处 |
N210 T0200 | 清除刀偏 |
N215 M05 | 主轴停 |
N220 M02 | 程序结束 |

图1 套筒零件
表2 加工内孔的程序
程序 | 说明 |
%7102 | 程序名 |
N10 G92 X100 Z100 | 设置工件坐标系 |
N20 M03 S500 | 主轴正转,转速500r/min |
N30 M06 T0101 | 换刀补号为01的01号刀(端面车刀) |
N40 G90 G00 X44 Z0 | 快速定位到φ44mm直径处 |
N50 G01 X20 F50 | 车端面 |
N60 G00 Z50 | 刀尖快速定位到距端面50mm处 |
N70 X100 | 刀尖快速定位到φ100mm直径处 |
N75 T0100 | 清除刀偏 |
N80 M06 T0202 | 换刀补号为02的02号刀(内孔刀) |
N90 G00 X18 Z2 | 刀尖快速定位 |
N100 G80 X21.6 Z-41 F200 | 粗车φ22mm外圆,留径向余量0.4mm |
N110 G01 X26 Z1 F50 |
|
N120 X22 Z-1 | 倒角1×45° |
N130 Z-40.5 | 精车φ22mm的内孔 |
N140 G01 X18 | 刀尖退至φ18mm直径处 |
N150 Z100 |
|
N160 X100 |
|
N165 T0100 | 清除刀偏 |
N170 M06 T0303 | 换刀,使用4mm的内孔切槽刀 |
N180 G00 X18 Z2 |
|
N190 Z-16.5 | 刀尖快速定位 |
N200 G01 X23.5 F50 | 切退刀槽 |
N210 X20 | 退刀至φ20mm直径处 |
N220 G81 X23.5 Z-20.5 F50 | 切槽 |
N230 G81 X23.5 Z-24.5 F50 |
|
N240 G81 X23.5 Z-28 F50 |
|
N250 G01 Z-28 | 刀尖移动定位 |
N260 X24 | 精加工槽 |
N270 Z-16 |
|
N280 X20 | 退刀至φ20mm直径处 |
N290 G00 Z100 | 刀尖快速退到至距端面100mm处 |
N300 X100 | 刀尖快速退刀至φ100mm直径处 |
N310 T0000 | 清除刀偏 |
N315 M05 | 主轴停 |
N320 M02 | 程序结束 |
表3 精车φ34mm外圆的程序
程序 | 说明 |
%7103 | 程序名 |
N10 G92 X100 Z100 | 设置工件坐标系 |
N20 M03 S1000 | 主轴正转,转速1000r/min |
N30 M06 T0101 | 外圆精车刀 |
N40 G00 Z2 |
|
N50 X36 |
|
N60 G01 X30 Z1 F50 |
|
N70 X34 Z-1 | 倒角1×45° |
N80 Z-34 | 精车φ34mm的外圆 |
N90 G01 X45 |
|
N100 G00 X100 Z100 | 刀尖快速定位到φ100mm直径,距端面100mm处 |
N110 T0000 | 清除刀偏 |
N115 M05 | 主轴停 |
N120 M02 | 程序结束 |
装夹φ50mm的外圆,找正。粗加工φ34mm的外圆、加工φ42mm的外圆、切2×0.5的槽。所用刀具有外圆加工正偏刀(T01)、刀宽为2mm的切槽刀(T02)。加工工艺路线为:粗加工φ42mm的外圆(留余量)→粗加工φ34mm的外圆(余留量)→精加工φ42mm的外圆→切槽→切断。加工程序见表1。
用软爪装夹φ34mm外圆,加工内孔。所用刀具有45°端面刀(T01)、内孔车刀(T02)、刀宽为4mm的切槽刀(T03)。加工工艺路线为:加工端面→粗加工φ22mm的内孔→精加工φ22mm的内孔→切槽(φ24×16)。加工程序见表2。
工件套心轴,两顶尖装夹,精车φ34mm的外圆。所用刀具为精加工正偏刀(T01)。加工工艺路线为:精加工φ34mm的外圆。加工程序见表3。
1;所有标注为智造资料网zl.fbzzw.cn的内容均为本站所有,版权均属本站所有,若您需要引用、转载,必须注明来源及原文链接即可,如涉及大面积转载,请来信告知,获取《授权协议》。
2;本网站图片,文字之类版权申明,因为网站可以由注册用户自行上传图片或文字,本网站无法鉴别所上传图片或文字的知识版权,如果侵犯,请及时通知我们,本网站将在第一时间及时删除,相关侵权责任均由相应上传用户自行承担。
[complaint:内容投诉]
智造资料网打造智能制造3D图纸下载,在线视频,软件下载,在线问答综合平台 » 数控车粗精加工套筒零件的工艺设计和程序编制(图文教程) ...

