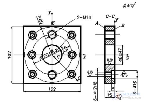
用卧式加工中心加工图1所示的端盖(B面及各孔),试编制加工程序。
根据图纸要求,选择A面为定位基准,用弯板装夹。加工路线如下:粗铣和精铣B面(选用φ100mm端铣刀T01、T13);粗镗、半精镗和精镗φ60H7孔分别至φ58、φ59.95、φ60H7(选用镗刀T02、T03、T04);钻、扩、铰φ12H8孔(φ3mm中心钻T05、φ10mm钻头T06、φ11.85mm扩孔钻T07、φ12H8铰刀T09);M16螺纹钻孔、攻丝(φ14mm钻头T10、M16机用丝锥T12)。工件坐标系原点选在φ60H7孔中心上,Z方向零点选在加工表面上,快速进给终点平面选在距离工件表面2mm处平面。对刀点选在中心孔上方50mm处。

图1 端盖零件
加工程序如下:
O0001 ;
N1 G92 X0 Y0 Z50.0 ; 工件坐标系设定
N2 T01 M06; 换T01号刀具
N3 G90 G00 Y0 Z10.0;
N4 X-135.0 Y45.0;
N5 S300 M03;
N6 G43Z0.5 H01 M08; 建立长度补偿
N7 G01X75. 0 F70; 粗铣B面
N8 Y-45.0;
N9 X-135.0 M09;
N10 G00 G49 Z10. 0 M05; 取消长度补偿
N11 X0 Y0;
N12 T13 M06; 换T13号刀具
N13 X-135.0 Y45.0;
N14 G43 Z0 H13 S500 M03;
N15 G01 X75.0 F50 M08; 精铣B面
N16 Y-45.0;
N17 X-135.0 M09;
N18 G00 G49 Z10.0 M05;
N19 X0 Y0;
N20 T02 M06; 换T02号刀具
N21 G43 Z4.0 H02 S400 M03;
N22 G98G85 Z-17.0 R2.0 F40; 粗镗φ60H7孔
N23 G00 G49 Z10.0 M05;
N24 X0 Y0;
N25 T03 M06; 换T03号刀具
N26 G43 Z4.0 H03 S450 M03;
N27 G98 G85 Z-17.0 R2.0 F50; 半精镗φ60H7孔
N28 G00 G49 Z10.0 M05;
N29 T04 M06; 换T04号刀具
N30 X0 Y0;
N31 G43 Z2.0 H04 S450 M03;
N32 G98 G85 Z-17.0 R1.0 F40; 精镗φ60H7循环
N33 G00 G49 Z10.0 M05;
N34 T05 M06; 换T05号刀具
N35 X60 Y0.0;
N36 G43 Z4.0 H05 S1000 M03;
N37 G98 G91 G81 Z-5.0 R2.0 F50; 固定循环,钻中心孔
N38 M98P0005; 子程序调用
N39 G00 G49 Z10.0 M05;
N41 T06 M06; 换T06号刀具
N42 X60.0 Y0;
N43 G43 Z4.0 H06 S600 M03;
N44 G99 G81 Z-17.0R2.0 F60; 钻孔固定循环
N45 M98P0005; 子程序调用
N46 G00 G49 Z10.0 M05;
N47 T07 M06; 换T07号刀具
N48 X60.0 Y0;
N49 G43 Z4.0 H07 S300 M03;
N50 G99 G82 Z-5.0 R2.0 P2000 F40; 扩孔固定循环
N51 M98P0005; 子程序调用
N52 G49 G00 Z10.0 M05;
N54 T09 M06; 换T09号刀具
N55 X60 Y0;
N56 G43 Z4.0 H09 S500 M03;
N57 G99G81 Z-17.0 R2.0 F40; 铰孔固定循环
N58 M98P0005; 子程序调用
N59 G49 G00 Z10.0 M05;
N60 T10 M06; 换T10号刀具
N61 X0 Y60;
N62 G43 Z4.0 H10 S500 M03;
N63 G99G81 Z-17.0 R2.0 F40; 钻孔固定循环
N64 X0 Y-60.0;
N65 G49 G00 Z10.0 M05;
N66 T11 M06; 换T11号刀具
N67 X0 Y60;
N68 G43 Z4.0 H11 S500 M03;
N69 G99G84 Z-17.0 R2.0 F200; 攻螺纹固定循环
N70 X0 Y-60.0;
N71 G00 G49 Z10.0 M05;
N72 G28 X0 Y0;
N73 M30;
O0005;(子程序)
N10 X56.57 Y56.57;
N20 X-56.57;
N30 X-60.0 Y0;
N40 X-56.57 Y-56.57;
N50 X56.57;
N50 M99;
1;所有标注为智造资料网zl.fbzzw.cn的内容均为本站所有,版权均属本站所有,若您需要引用、转载,必须注明来源及原文链接即可,如涉及大面积转载,请来信告知,获取《授权协议》。
2;本网站图片,文字之类版权申明,因为网站可以由注册用户自行上传图片或文字,本网站无法鉴别所上传图片或文字的知识版权,如果侵犯,请及时通知我们,本网站将在第一时间及时删除,相关侵权责任均由相应上传用户自行承担。
[complaint:内容投诉]
智造资料网打造智能制造3D图纸下载,在线视频,软件下载,在线问答综合平台 » 加工中心加工端盖编程实例(图文教程)

