数控机床操作教程-(2)数控编程实验(图文教程)

第二章 数控编程实验

通过《数控技术》课程的学习,我们已知道,数控加工是把编好的加工程序输入数控装置,数控装置再将输入的信息进行运算处理后转换成驱动伺服机构的指令信号,最后由伺服机构控制机床的各种动作,自动地加工出零件。由此可看出,用数控机床加工零件,程序编制是一项重要的工作,它对有效利用数控机床起主要作用。数控加工的程序编制也称数控编程,数控编程时,必须对零件进行分析,将加工零件的全部工艺过程、工艺参数、位移数据等以规定的代码、程序格式写出。我们在学习了数控编程的基本知识(坐标系的确定、基本数控指令、指令格式等)后,如何编制出适合某一数控机床的实用加工程序?这在编程前,必须对该数控机床的规格、性能、切削范围、CNC系统所具备的功能、编程指令及指令格式等有较全面的了解,并将机床的运动过程、零件的工艺过程、切削用量和走刀路线等都编入程序,最后通过上机床进行加工模拟、试切加工等来验证程序的正确性、合理性。
  由此可以看出,数控编程是集工艺于程序中,且其实践性很强。通过数控编程实验这一章的学习,要求掌握数控编程的一般步骤、基本方法和常用编程技巧,学会数控机床的调整、参数设置和数控系统的基本操作等。

第一节 数控加工的工艺路线分析

  理想的加工程序不仅应保证加工出符合图样的合格工件,同时应能使数控机床的功能得到合理的应用和充分的发挥。数控机床是一种高效率的自动化设备,它的效率高于普通机床的2~3倍,所以,要充分发挥数控机床的这一特点,必须熟练掌握其性能、特点、使用操作方法,同时还必须在编程之前正确地确定加工方案。
  由于生产规模的差异,对于同一零件的加工方案是有所不同的,应根据具体条件,选择经济、合理的工艺方案。
一、加工工序划分
  在数控机床上加工零件,工序可以比较集中,一次装夹应尽可能完成全部工序。与普通机床加工相比,加工工序划分有其自己的特点,常用的工序划分原则有以下两种。
1.保证精度的原则
数控加工要求工序尽可能集中,常常粗、精加工在一次装夹下完成,为减少热变形和切削力变形对工件的形状、位置精度、尺寸精度和表面粗糙度的影响,应将粗、精加工分开进行。对轴类或盘类零件,将各处先粗加工,留少量余量精加工,来保证表面质量要求。同时,对一些箱体工件,为保证孔的加工精度,应先加工表面而后加工孔。
2. 提高生产效率的原则
  数控加工中,为减少换刀次数,节省换刀时间,应将需用同一把刀加工的加工部位全部完成后,再换另一把刀来加工其它部位。同时应尽量减少空行程,用同一把刀加工工件的多个部位时,应以最短的路线到达各加工部位。
  实际中,数控加工工序要根据具体零件的结构特点、技术要求等情况综合考虑。
二、加工路线的确定

数控机床操作教程-(2)数控编程实验(图文教程),数控机床操作教程-(2)数控编程实验,工件,加工,坐标系,第1张

在数控加工中,刀具(严格说是刀位点)相对于工件的运动轨迹和方向称为加工路线。即刀具从对刀点开始运动起,直至结束加工程序所经过的路径,包括切削加工的路径及刀具引入、返回等非切削空行程。加工路线的确定首先必须保证被加工零件的尺寸精度和表面质量,其次考虑数值计算简单,走刀路线尽量短,效率较高等。
  下面举例分析数控机床加工零件时常用的加工路线。
1.车圆锥的加工路线分析
  数控车床上车外圆锥,假设圆锥大径为D,小径为d ,锥长为L,车圆锥的加工路线如图2-1所示。
  按图2-1a的阶梯切削路线,二刀粗车,最后一刀精车;二刀粗车的终刀距S要作精确的计算,可有相似三角形得:

数控机床操作教程-(2)数控编程实验(图文教程),数控机床操作教程-(2)数控编程实验,工件,加工,坐标系,第2张

数控机床操作教程-(2)数控编程实验(图文教程),数控机床操作教程-(2)数控编程实验,工件,加工,坐标系,第3张

  此种加工路线,粗车时,刀具背吃刀量相同,但精车时,背吃刀量不同;同时刀具切削运动的路线最短。
  按图2-1b的相似斜线切削路线,也需计算粗车时终刀距S,同样由相似三角形可计算得:

数控机床操作教程-(2)数控编程实验(图文教程),数控机床操作教程-(2)数控编程实验,工件,加工,坐标系,第4张

数控机床操作教程-(2)数控编程实验(图文教程),数控机床操作教程-(2)数控编程实验,工件,加工,坐标系,第5张

  按此种加工路线,刀具切削运动的距离较短。
  按图2-1c的斜线加工路线,只需确定了每次背吃刀量ap,而不需计算终刀距,编程方便。但在每次切削中背吃刀量是变化的,且刀具切削运动的路线较长。
2.车圆弧的加工路线分析
  应用G02(或G03)指令车圆弧,若用一刀就把圆弧加工出来,这样吃刀量太大,容易打刀。所以,实际车圆弧时,需要多刀加工,先将大多余量切除,最后才车得所需圆弧。
  下面介绍车圆弧常用加工路线。

数控机床操作教程-(2)数控编程实验(图文教程),数控机床操作教程-(2)数控编程实验,工件,加工,坐标系,第6张


  图2-2 为车圆弧的阶梯切削路线。即先粗车成阶梯,最后一刀精车出圆弧。此方法在确定了每刀吃刀量ap后,须精确计算出粗车的终刀距S,即求圆弧与直线的交点。此方法刀具切削运动距离较短,但数值计算较繁。
  图2-3 为车圆弧的同心圆弧切削路线。即用不同的半径圆来车削,最后将所需圆弧加工出来。此方法在确定了每次吃刀量ap后,对90°圆弧的起点、终点坐标较易确定,数值计算简单,编程方便,常采用。但按图2-3b加工时,空行程时间较长。

数控机床操作教程-(2)数控编程实验(图文教程),数控机床操作教程-(2)数控编程实验,工件,加工,坐标系,第7张

图2-4 为车圆弧的车锥法切削路线。即先车一个圆锥,再车圆弧。但要注意,车锥时的起点和终点的确定,若确定不好,则可能损坏圆锥表面,也可能将余量留得过大。确定方法如图2-4所示,连接OC交圆弧于D,过D点作圆弧的切线AB。
  由几何关系CD=OC-OD=数控机床操作教程-(2)数控编程实验(图文教程),数控机床操作教程-(2)数控编程实验,工件,加工,坐标系,第8张-R=0.414R,此为车锥时的最大切削余量,即车锥时,加工路线不能超过AB线。由图示关系,可得AC=BC=0.586R,这样可确定出车锥时的起点和终点。当R不太大时,可取AC=BC=0.5R。此方法数值计算较繁,刀具切削路线短。

数控机床操作教程-(2)数控编程实验(图文教程),数控机床操作教程-(2)数控编程实验,工件,加工,坐标系,第9张
3.车螺纹时轴向进给距离的分析
  车螺纹时,刀具沿螺纹方向的进给应与工件主轴旋转保持严格的速比关系。考虑到刀具从停止状态到达指定的进给速度或从指定的进给速度降至零,驱动系统必有一个过渡过程,沿轴向进给的加工路线长度,除保证加工螺纹长度外,还应增加δ1(2~5mm)的刀具引入距离和δ2(1~2mm)的刀具切出距离,如图2-5所示。这样来保证切削螺纹时,在升速完成后使刀具接触工件,刀具离开工件后再降速。
4.轮廓铣削加工路线的分析
  对于连续铣削轮廓,特别是加工圆弧时,要注意安排好刀具的切入、切出,要尽量避免交接处重复加工,否则会出现明显的界限痕迹。如图2-6所示,用圆弧插补方式铣削外整圆时,要安排刀具从切向进入圆周铣削加工,当整圆加工完毕后,不要在切点处直接退刀,而让刀具多运动一段距离,最好沿切线方向,以免取消刀具补偿时,刀具与工件表面相碰撞,造成工件报废。铣削内圆弧时,也要遵守从切向切入的原则,安排切入、切出过渡圆弧,如图3-7所示,若刀具从工件坐标原点出发,其加工路线为1→2→3→4→5,这样,来提高内孔表面的加工精度和质量。

数控机床操作教程-(2)数控编程实验(图文教程),数控机床操作教程-(2)数控编程实验,工件,加工,坐标系,第10张

5.位置精度要求高的孔加工路线的分析
  对于位置精度要求精度较高的孔系加工,特别要注意孔的加工顺序的安排,安排不当时,就有可能将沿坐标轴的反向间隙带入,直接影响位置精度。如图2-8所示,图a为零件图,在该零件上加工的六个尺寸相同的孔,有两种加工路线。当按b 图所示路线加工时,由于5、6孔与1、2、3、4孔定位方向相反,在Y方向反向间隙会使定位误差增加,而影响5、6孔与其它孔的位置精度。按图c所示路线,加工完4孔后,往上移动一段距离到P点,然后再折回来加工5、6孔,这样方向一致,可避免反向间隙的引入,提高5、6孔与其它孔的位置精度。

数控机床操作教程-(2)数控编程实验(图文教程),数控机床操作教程-(2)数控编程实验,工件,加工,坐标系,第11张


6.铣削曲面的加工路线的分析
  铣削曲面时,常用球头刀采用“行切法”进行加工。所谓行切法是指刀具与零件轮廓的切点轨迹是一行一行的,而行间的距离是按零件加工精度的要求确定。对于边界敞开的曲面加工,可采用两种加工路线。如图2-9所示,对于发动机大叶片,当采用图2-9a的加工方案时,每次沿直线加工,刀位点计算简单,程序少,加工过程符合直纹面的形成,可以准确保证母线的直线度。当采用图2-9b的加工方案时,符合这类零件数据给出情况,便于加工后检验,叶形的准确度高,但程序较多。由于曲面零件的边界是敞开的,没有其他表面限制,所以曲面边界可以延伸,球头刀应由边界外开始加工。 

数控机床操作教程-(2)数控编程实验(图文教程),数控机床操作教程-(2)数控编程实验,工件,加工,坐标系,第12张

以上通过几例分析了数控加工中常用的加工路线,实际生产中,加工路线的确定要根据零件的具体结构特点,综合考虑,灵活运用。而确定加工路线的总原则是:在保证零件加工精度和表面质量的条件下,尽量缩短加工路线,以提高生产率。

第二节 夹具、刀具的选择及切削用量的确定


一、夹具的选择、工件装夹方法的确定
1.夹具的选择
  数控加工对夹具主要有两大要求:一是夹具应具有足够的精度和刚度;二是夹具应有可靠的定位基准。选用夹具时,通常考虑以下几点:
1)尽量选用可调整夹具、组合夹具及其它通用夹具,避免采用专用夹具,以缩短生产准备时间。
2)在成批生产时才考虑采用专用夹具,并力求结构简单。
3)装卸工件要迅速方便,以减少机床的停机时间。
4)夹具在机床上安装要准确可靠,以保证工件在正确的位置上加工。
2.夹具的类型
  数控车床上的夹具主要有两类:一类用于盘类或短轴类零件,工件毛坯装夹在带可调卡爪的卡盘(三爪、四爪)中,由卡盘传动旋转;另一类用于轴类零件,毛坯装在主轴顶尖和尾架顶尖间,工件由主轴上的拨动卡盘传动旋转。
  数控铣床上的夹具,一般安装在工作台上,其形式根据被加工工件的特点可多种多样。如:通用台虎钳、数控分度转台等。

3.零件的安装
  数控机床上零件的安装方法与普通机床一样,要合理选择定位基准和夹紧方案,注意以下两点:
1)力求设计、工艺与编程计算的基准统一,这样有利于编程时数值计算的简便性和精确性。
2)尽量减少装夹次数,尽可能在一次定位装夹后,加工出全部待加工表面。
二、刀具的选择及对刀点、换刀点的设置
1.刀具的选择
  与普通机床加工方法相比,数控加工对刀具提出了更高的要求,不仅需要刚性好、精度高,而且要求尺寸稳定,耐用度高,断屑和排屑性能好;同时要求安装调整方便,这样来满足数控机床高效率的要求。数控机床上所选用的刀具常采用适应高速切削的刀具材料(如高速钢、超细粒度硬质合金)并使用可转位刀片。(1)车削用刀具及其选择 数控车削常用的车刀一般分尖形车刀、圆弧形车刀以及成型车刀三类。
1)尖形车刀 尖形车刀是以直线形切削刃为特征的车刀。这类车刀的刀尖由直线形的主副切削刃构成,如90°内外圆车刀、左右端面车刀、切槽(切断)车刀及刀尖倒棱很小的各种外圆和内孔车刀。
  尖形车刀几何参数(主要是几何角度)的选择方法与普通车削时基本相同,但应结合数控加工的特点(如加工路线、加工干涉等)进行全面的考虑,并应兼顾刀尖本身的强度。
2)圆弧形车刀 圆弧形车刀是以一圆度或线轮廓度误差很小的圆弧形切削刃为特征的车刀。该车刀圆弧刃每一点都是圆弧形车刀的刀尖,应此,刀位点不在圆弧上,而在该圆弧的圆心上。
  圆弧形车刀可以用于车削内外表面,特别适合于车削各种光滑连接(凹形)的成型面。选择车刀圆弧半径时应考虑两点:一是车刀切削刃的圆弧半径应小于或等于零件凹形轮廓上的最小曲率半径,以免发生加工干涉;二是该半径不宜选择太小,否则不但制造困难,还会因刀尖强度太弱或刀体散热能力差而导致车刀损坏。
3)成型车刀 成型车刀也称样板车刀,其加工零件的轮廓形状完全由车刀刀刃的形状和尺寸决定。
  数控车削加工中,常见的成型车刀有小半径圆弧车刀、非矩形车槽刀和螺纹刀等。在数控加工中,应尽量少用或不用成型车刀。
(2)铣削用刀具及其选择 数控加工中,铣削平面零件内外轮廓及铣削平面常用平底立铣刀,该刀具有关参数的经验数据如下:
1)铣刀半径RD应小于零件内轮廓面的最小曲率半径Rmin,一般取RD=(0.8~0.9)Rmin
2)零件的加工高度H≤(1/4-1/6)RD,以保证刀具有足够的刚度。

数控机床操作教程-(2)数控编程实验(图文教程),数控机床操作教程-(2)数控编程实验,工件,加工,坐标系,第13张

3)粗加工内轮廓时,铣刀最大直径D可按下式计算(参见图2-10):

数控机床操作教程-(2)数控编程实验(图文教程),数控机床操作教程-(2)数控编程实验,工件,加工,坐标系,第14张

式中
D1——轮廓的最小凹圆角半径;
Δ——圆角邻边夹角等分线上的精加工余量;
Δ1——精加工余量;
j——圆角两邻边的最小夹角。

数控机床操作教程-(2)数控编程实验(图文教程),数控机床操作教程-(2)数控编程实验,工件,加工,坐标系,第15张

数控机床操作教程-(2)数控编程实验(图文教程),数控机床操作教程-(2)数控编程实验,工件,加工,坐标系,第16张


4)用平底立铣刀铣削内槽底部时,由于槽底两次走刀需要搭接,而刀具底刃起作用的半径Re=R-r,如图2-11 所示,即直径为d=2 Re=2(R-r),编程时取刀具半径为Re=0.95(R-r)。
  对于一些立体型面和变斜角轮廓外形的加工,常用球形铣刀、环形铣刀、鼓形铣刀、锥形铣刀和盘铣刀。如图2-12所示。
(3)标准化刀具 目前,数控机床上大多使用系列化、标准化刀具,对可转位机夹外圆车刀、端面车刀等的刀柄和刀头都有国家标准及系列化型号;对于加工中心及有自动换刀装置的机床,刀具的刀柄都已有系列化和标准化的规定,如锥柄刀具系统的标准代号为TSG—JT,直柄刀具系统的标准代号为DSG—JZ。
  此外,对所选择的刀具,在使用前都需对刀具尺寸进行严格的测量以获得精确数据,并由操作者将这些数据输入数据系统,经程序调用而完成加工过程,从而加工出合格的工件。
2.对刀点、换刀点的设置
  工件装夹方式在机床确定后,通过确定工件原点来确定了工件坐标系,加工程序中的各运动轴代码控制刀具作相对位移。例如:某程序开始第一个程序段为N0010 G90 G00 X100 Z20 ,是指刀具快速移动到工件坐标下 X=100mm Z=20mm处。究竟刀具从什么位置开始移动到上述位置呢?所以在程序执行的一开始,必须确定刀具在工件坐标系下开始运动的位置,这一位置即为程序执行时刀具相对于工件运动的起点,所以称程序起始点或起刀点。此起始点一般通过对刀来确定,所以,该点又称对刀点。
  在编制程序时,要正确选择对刀点的位置。对刀点设置原则是:
1)便于数值处理和简化程序编制。
2)易于找正并在加工过程中便于检查。
3)引起的加工误差小。
  对刀点可以设置在加工零件上,也可以设置在夹具上或机床上,为了提高零件的加工精度,对刀点应尽量设置在零件的设计基准或工艺基准上。例:以外圆或孔定位零件,可以取外圆或孔的中心与端面的交点作为对刀点。
  实际操作机床时,可通过手工对刀操作把刀具的刀位点放到对刀点上,即“刀位点”与“对刀点”的重合。所谓“刀位点”是指刀具的定位基准点,车刀的刀位点为刀尖或刀尖圆弧中心;平底立铣刀是刀具轴线与刀具底面的交点;球头铣刀是球头的球心,钻头是钻尖等。用手动对刀操作,对刀精度较低,且效率低。而有些工厂采用光学对刀镜、对刀仪、自动对刀装置等,以减少对刀时间,提高对刀精度。
  加工过程中需要换刀时,应规定换刀点。所谓“换刀点”是指刀架转动换刀时的位置,换刀点应设在工件或夹具的外部,以换刀时不碰工件及其它部件为准。
三、切削用量的确定
  数控编程时,编程人员必须确定每道工序的切削用量,并以指令的形式写入程序中。切削用量包括主轴转速、背吃刀量及进给速度等。对于不同的加工方法,需要选用不同的切削用量。切削用量的选择原则是:保证零件加工精度和表面粗糙度,充分发挥刀具切削性能,保证合理的刀具耐用度;并充分发挥机床的性能,最大限度提高生产率,降低成本。
1.主轴转速的确定主轴转速应根据允许的切削速度和工件(或刀具)直径来选择。其计算公式为:

n=1000v/πD

式中
v----切削速度,单位为m/min,由刀具的耐用度决定;
n-- -主轴转速,单位为 r/min;
D----工件直径或刀具直径,单位为mm。
  计算的主轴转速n最后要根据机床说明书选取机床有的或较接近的转速。
2.进给速度的确定
  进给速度是数控机床切削用量中的重要参数,主要根据零件的加工精度和表面粗糙度要求以及刀具、工件的材料性质选取。最大进给速度受机床刚度和进给系统的性能限制。
  确定进给速度的原则:
1)当工件的质量要求能够得到保证时,为提高生产效率,可选择较高的进给速度。一般在100~200mm/min范围内选取。
2)在切断、加工深孔或用高速钢刀具加工时,宜选择较低的进给速度,一般在20~50mm/min范围内选取。
3)当加工精度,表面粗糙度要求高时,进给速度应选小些,一般在20~50mm/min范围内选取。
4)刀具空行程时,特别是远距离“回零”时,可以设定该机床数控系统设定的最高进给速度。

3.背吃刀量确定
  背吃刀量根据机床、工件和刀具的刚度来决定,在刚度允许的条件下,应尽可能使背吃刀量等于工件的加工余量,这样可以减少走刀次数,提高生产效率。为了保证加工表面质量,可留少量精加工余量,一般0.2~0.5mm。
  总之,切削用量的具体数值应根据机床性能、相关的手册并结合实际经验用类比方法确定。同时,使主轴转速、切削深度及进给速度三者能相互适应,以形成最佳切削用量。

第三节 数控编程的有关问题


一、数控机床的坐标系统
  数控机床各坐标轴按标准JB3051-82 <数控机床及其数控机械的坐标系和运动方向的命名方法> 确定后,还要确定坐标系原点的位置,这样坐标系才能确定下来。依原点的不同,数控机床的坐标系统分为机床坐标系和工件坐标系。
1. 机床坐标系
  以机床原点为坐标原点建立起来的X、Y、Z轴直角坐标系,称为机床坐标系。机床原点为机床上的一个固定点,也称机床零点。机床零点是通过机床参考点间接确定的,机床参考点也是机床上的一个固定点,其与机床零点间有一确定的相对位置,一般设置在刀具运动的X、Y、Z正向最大极限位置。在机床每次通电之后,工作之前,必须进行回机床零点操作,使刀具运动到机床参考点,其位置由机械档块确定。这样,通过机床回零操作,确定了机床零点,从而准确地建立机床坐标系,即相当于数控系统内部建立一个以机床零点为坐标原点的机床坐标系。机床坐标系是机床固有的坐标系,一般情况下,机床坐标系在机床出厂前已经调整好,不允许用户随意变动。
2. 工件坐标系

数控机床操作教程-(2)数控编程实验(图文教程),数控机床操作教程-(2)数控编程实验,工件,加工,坐标系,第17张数控机床操作教程-(2)数控编程实验(图文教程),数控机床操作教程-(2)数控编程实验,工件,加工,坐标系,第18张


  工件图样给出以后,首先应找出图样上的设计基准点。其他各项尺寸均是以此点为基准进行标注。该基准点称为工件原点。以工件原点为坐标原点建立的X、Y、Z轴直角坐标系,称为工件坐标系。
  工件坐标系是用来确定工件几何形体上各要素的位置而设置的坐标系,工件原点的位置是人为设定的,它是由编程人员在编制程序时根据工件的特点选定的,所以也称编程原点。
  数控车床加工零件的工件原点一般选择在工件右端面、左端面或卡爪的前端面与Z轴的交点上。图2-13所示,是以工件右端面与Z轴的交点作为工件原点的工件坐标系。
  数控铣床加工零件的工件原点选择时应该注意:工件原点应选在零件图的尺寸基准上,对于对称零件,工件原点应设在对称中心上;对于一般零件,工件原点设在工件外轮廓的某一角上,这样便于坐标值的计算。对于Z轴方向的原点,一般设在工件表面,并尽量选在精度较高的工件表面。
  同一工件,由于工件原点变了,程序段中的坐标尺寸也随之改变。因此,数控编程时,应该首先确定编程原点,确定工件坐标系。编程原点的确定是在工件装夹完毕后,通过对刀确定。
二、对刀
  在数控加工中,工件坐标系确定后,还要确定刀具的刀位点在工件坐标系中的位置。即常说的对刀问题。数控机床上,目前,常用的对刀方法为手动试切对刀。
1.数控车床的对刀
  数控车床对刀方法基本相同,首先,将工件在三爪卡盘上装夹好之后,用手动方法操作机床,具体步骤如下:
1)回参考点操作 采用ZERO(回参考点)方式进行回参考点的操作,建立机床坐标系。此时CRT上将显示刀架中心(对刀参考点)在机床坐标系中的当前位置的坐标值。
2)试切对刀 先用已选好的刀具将工件外圆表面车一刀,保持X向尺寸不变,Z向退刀,按设置编程零点键,CRT屏幕上显示X、Z坐标值都清成零(即X0,Z0);然后,停止主轴,测量工件外圆直径D。如图2-14所示。再将工件端面车一刀,当CRT上显示的X坐标值为-(D/2)时,按设置编程零点键,CRT屏幕上显示X、Z坐标值都清成零(即X0,Z0),系统内部完成了编程零点的设置功能。
3)建立工件坐标系 刀尖(车刀的刀位点)当前位置就在编程零点(即工件原点)上。
2.数控铣床的对刀
  假设零件为对称零件,并且毛坯已测量好长为L1宽为L2,平底立铣刀的直径也已测量好。如图2-15所示,将工件在铣床工作台上装夹好后,在手动方式操纵机床,具体步骤如下:
1)回参考点操作
  采用ZERO(回参考点)方式进行回参考点的操作,建立机床坐标系。此时CRT上将显示铣刀中心(对刀参考点)在机床坐标系中的当前位置的坐标值。

数控机床操作教程-(2)数控编程实验(图文教程),数控机床操作教程-(2)数控编程实验,工件,加工,坐标系,第19张
2)手工对刀
  先使刀具靠拢工件的左侧面(采用点动操作,以开始有微量切削为准),刀具如图A位置,按设置编程零点键,CRT上显示X0、Y0、Z0,则完成X方向的编程零点设置。再使刀具靠拢工件的前侧面,刀具如图B位置,保持刀具Y方向不动,使刀具X向退回,当CRT上X坐标值0时,按编程零点设置键,就完成X、Y两个方向的编程零点设置。最后抬高Z轴,移动刀具,考虑到存在铣刀半径,当CRT上显示X坐标值为(L1/2+铣刀半径),Y的坐标值为(L2/2+铣刀半径)时,使铣刀底部靠拢工件上表面,按编程零点设置键,CRT屏幕上显示X、Y、Z坐标值都清成零(即X0,Y0,Z0),系统内部完成了编程零点的设置功能。就把铣刀的刀位点设置在工件对称中心上,即工件坐标系的工件原点上。
3)建立工件坐标系
  此时,刀具(铣刀的刀位点)当前位置就在编程零点(即工件原点)上。由于手动试切对刀方法,调整简单、可靠,且经济,所以得到广泛的应用。

第四节 数控车床编程实例(参考程序见相应超级链接)
实例一 

1.根据零件图样要求、毛坯情况,确定工艺方案及加工路线
1)对短轴类零件,轴心线为工艺基准,用三爪自定心卡盘夹持φ45外圆,使工件伸出卡盘80㎜,一次装夹完成粗精加工。
2)工步顺序
① 粗车端面及φ40㎜外圆,留1㎜精车余量。
② 精车φ40㎜外圆到尺寸。
2.选择机床设备
  根据零件图样要求,选用经济型数控车床即可达到要求。故选用CK0630型数控卧式车床。
3.选择刀具
  根据加工要求,选用两把刀具,T01为90°粗车刀,T03为90°精车刀。同时把两把刀在自动换刀刀架上安装好,且都对好刀,把它们的刀偏值输入相应的刀具参数中。
4.确定切削用量
  切削用量的具体数值应根据该机床性能、相关的手册并结合实际经验确定,详见加工程序。
5.确定工件坐标系、对刀点和换刀点
  确定以工件右端面与轴心线的交点O为工件原点,建立XOZ工件坐标系,如前页图2-16所示。
  采用手动试切对刀方法(操作与前面介绍的数控车床对刀方法基本相同)把点O作为对刀点。换刀点设置在工件坐标系下X55、Z20处。
6.编写程序(以CK0630车床为例)
  按该机床规定的指令代码和程序段格式,把加工零件的全部工艺过程编写成程序清单。该工件的加工程序如下:
N0010 G59 X0 Z100 ;设置工件原点
N0020 G90
N0030 G92 X55 Z20 ;设置换刀点
N0040 M03 S600
N0050 M06 T01 ;取1号90°偏刀,粗车
N0060 G00 X46 Z0
N0070 G01 X0 Z0
N0080 G00 X0 Z1
N0090 G00 X41 Z1
N0100 G01 X41 Z-64 F80 ;粗车φ40㎜外圆,留1㎜精车余量
N0110 G28
N0120 G29 ;回换刀点
N0130 M06 T03 ;取3号90°偏刀,精车
N0140 G00 X40 Z1
N0150 M03 S1000
N0160 G01 X40 Z-64 F40 ;精车φ40㎜外圆到尺寸
N0170 G00 X55 Z20
N0180 M05
N0190 M02

如图2-16所示工件,毛坯为φ45㎜×120㎜棒材,材料为45钢,数控车削端面、外圆。

数控机床操作教程-(2)数控编程实验(图文教程),数控机床操作教程-(2)数控编程实验,工件,加工,坐标系,第20张数控机床操作教程-(2)数控编程实验(图文教程),数控机床操作教程-(2)数控编程实验,工件,加工,坐标系,第21张

实例二 

1.根据零件图样要求、毛坯情况,确定工艺方案及加工路线
1)对细长轴类零件,轴心线为工艺基准,用三爪自定心卡盘夹持φ25㎜外圆一头,使工件伸出卡盘85㎜,用顶尖顶持另一头,一次装夹完成粗精加工。
2) 工步顺序
① 手动粗车端面。
② 手动钻中心孔。
③ 自动加工粗车φ16㎜、φ22㎜外圆,留精车余量1㎜。
④ 自右向左精车各外圆面:倒角→车削φ16㎜外圆,长35㎜→车φ22㎜右端面→倒角→车φ22㎜外圆,长45㎜。
⑤ 粗车2㎜×0.5㎜槽、3㎜×φ16㎜槽。
⑥ 精车3㎜×φ16㎜槽,切槽3㎜×0.5㎜槽,切断。
2.选择机床设备
  根据零件图样要求,选用经济型数控车床即可达到要求。故选用CK0630型数控卧式车床。
3.选择刀具
  根据加工要求,选用五把刀具,T01为粗加工刀,选90°外圆车刀,T02为中心钻,T03为精加工刀,选90°外圆车刀,T05为切槽刀,刀宽为2㎜,T07为切断刀,刀宽为3㎜(刀具补偿设置在左刀尖处)。
  同时把五把刀在自动换刀刀架上安装好,且都对好刀,把它们的刀偏值输入相应的刀具参数中。
4.确定切削用量
  切削用量的具体数值应根据该机床性能、相关的手册并结合实际经验确定,详见加工程序。
5.确定工件坐标系、对刀点和换刀点
  确定以工件右端面与轴心线的交点O为工件原点,建立XOZ工件坐标系,如图2-17所示。
  采用手动试切对刀方法(操作与前面介绍的数控车床对刀方法基本相同)把点O作为对刀点。换刀点设置在工件坐标系下X35、Z30处。
6.编写程序(以CK0630车床为例)
  按该机床规定的指令代码和程序段格式,把加工零件的全部工艺过程编写成程序清单。该工件的加工程序如下:
N0010 G59 X0 Z105
N0020 G90
N0030 G92 X35 Z30
N0040 M03 S700
N0050 M06 T01
N0060 G00 X20 Z1
N0070 G01 X20 Z-34.8 F80
N0080 G00 X20 Z1
N0090 G00 X17 Z1
N0100 G01 X17 Z-34.8 F80
N0110 G00 X23 Z-34.8
N0120 G01 X23 Z-80 F80
N0130 G28
N0140 G29
N0150 M06 T03
N0160 M03 S1100
N0170 G00 X14 Z1
N0171 G01 X14 Z0
N0180 G01 X16 Z-1 F60
N0190 G01 X16 Z-35 F60
N0200 G01 X20 Z-35 F60
N0210 G01 X22 Z-36 F60
N0220 G01 X22 Z-80 F60
N0230 G28
N0240 G29
N0250 M06 T05
N0260 M03 S600
N0270 G00 X23 Z-72.5
N0280 G01 X21 Z-72.5 F40
N0290 G04 P2
N0300 G00 X23 Z-46.5
N0310 G01 X16.5 Z-46.5 F40
N0320 G28
N0330 G29
N0340 M06 T07
N0350 G00 X23 Z-47
N0360 G01 X16 Z-47 F40
N0370 G04 P2
N0380 G00 X23 Z-35
N0390 GO1 X15 Z-35 F40
N0400 G00 X23 Z-79
N0410 G01 X20 Z-79 F40
N0420 G00 X22 Z-78
N0430 G01 X20 Z-79 F40
N0440 G01 X0Z-79 F40
N0450 G28
N0460 G29
N0470 M05
N0480 M02

如图2-17所示变速手柄轴,毛坯为φ25㎜×100㎜棒材,材料为45钢,完成数控车削。

数控机床操作教程-(2)数控编程实验(图文教程),数控机床操作教程-(2)数控编程实验,工件,加工,坐标系,第22张

实例三 

1.根据零件图样要求、毛坯情况,确定工艺方案及加工路线
1)对短轴类零件,轴心线为工艺基准,用三爪自定心卡盘夹持φ25㎜外圆,一次装夹完成粗精加工。
2) 工步顺序
① 粗车外圆。基本采用阶梯切削路线,为编程时数值计算方便,圆弧部分可用同心圆车圆弧法,分三刀切完。
② 自右向左精车右端面及各外圆面:车右端面→倒角→切削螺纹外圆→车φ16㎜外圆→车R3㎜圆弧→车φ22㎜外圆。
③ 切槽。
④ 车螺纹。
⑤ 切断。
2.选择机床设备
  根据零件图样要求,选用经济型数控车床即可达到要求。故选用CJK6136D型数控卧式车床。
3.选择刀具
  根据加工要求,选用四把刀具,T01为粗加工刀,选90°外圆车刀,T02为精加工刀,选尖头车刀,T03为切槽刀,刀宽为4㎜,T04为60°螺纹刀。刀具布置如图2-19所示。
  同时把四把刀在四工位自动换刀刀架上安装好,且都对好刀,把它们的刀偏值输入相应的刀具参数中。
4.确定切削用量
  切削用量的具体数值应根据该机床性能、相关的手册并结合实际经验确定,详见加工程序。
5.确定工件坐标系、对刀点和换刀点
  确定以工件右端面与轴心线的交点O为工件原点,建立XOZ工件坐标系,如图2-18所示。
  采用手动试切对刀方法(操作与前面介绍的数控车床对刀方法相同)把点O作为对刀点。换刀点设置在工件坐标系下X15、Z150处。
6.编写程序(该程序用于CJK6136D车床)
  按该机床规定的指令代码和程序段格式,把加工零件的全部工艺过程编写成程序清单。该工件的加工程序如下:(该系统X方向采用半径编程)
N0010 G00 Z2 S500 T01.01 M03
N0020 X11 ;粗车外圆得φ22㎜
N0030 G01 Z-50 F100
N0040 X15
N0050 G00 Z2
N0060 X9.5 ;粗车外圆得φ19㎜
N0070 G01 Z-32 F100
N0080 G91 G02 X1.5 Z-1.5 I1.5 K0 ;粗车圆弧一刀得R1.5㎜
N0090 G90 G00 X15
N0100 Z2
N0110 X8.5 ;粗车外圆得φ17㎜
N0120 G01 Z-32 F100
N0130 G91 G02 X2.5 Z-2.5 I2.5 K0 ;粗车圆弧二刀得R3㎜
N0140 G90 G00 X15 Z150
N0150 T02.02 ;精车刀,调精车刀刀偏值
N0160 X0 Z2
N0170 G01 Z0 F50 S800 ;精加工
N0180 X7
N0190 X8 Z-1
N0200 Z-32
N0210 G91 G02 X3 Z-3 I3 K0
N0220 G90 G01 X11 Z-50
N0230 G00 X15
N0240 Z150
N0250 T03.03 ;换切槽刀,调切槽刀刀偏值
N0260 G00 X10 Z-19 S250 M03 ;割槽
N0270 G01 X5.5 F80
N0280 X10
N0290 G00 X15 Z150
N0300 T04.04 ;换螺纹刀,调螺纹刀刀偏值
N0310 G00 X8 Z5 S200 M03 ;至螺纹循环加工起始点
N0320 G86 Z-17 K2 I6 R1.08 P9 N1 ;车螺纹循环
N0330 G00 X15 Z150
N0340 T03.03 ;换切槽刀,调切槽刀刀偏值
N0350 G00 X15 Z-49 S200 M03 ;切断
N0360 G01 X0 F50
N0370 G00 X15 Z150
N0380 M02

如图2-18所示工件,毛坯为φ25㎜×65㎜棒材,材料为45钢。

数控机床操作教程-(2)数控编程实验(图文教程),数控机床操作教程-(2)数控编程实验,工件,加工,坐标系,第23张

实例四 

编程之一


  采用阶梯切削路线编程法,刀具每次运动的位置都需编入程序,程序较长,但刀具切削路径短,效率高,被广泛采用。
1.根据零件图样要求、毛坯及前道工序加工情况,确定工艺方案及加工路线
1)以已加工出的φ12+0。005㎜内孔及左端面为工艺基准,用长心轴及左端面定位工件,工件右端面用压板、螺母夹紧,用三爪自定心卡盘夹持心轴,一次装夹完成粗精加工。
2) 工步顺序
① 粗车外圆。基本采用阶梯切削路线,为编程时数值计算方便,圆弧部分可用同心圆车圆弧法,分四刀切完;圆锥部分用相似斜线车锥法分三刀切完。
② 自右向左精车外轮廓面。
2.选择机床设备
  根据零件图样要求,选用经济型数控车床即可达到要求。故选用CJK6136D型数控卧式车床。
3.选择刀具
  根据加工要求,考虑加工时刀具与工件不发生干涉,可用一把尖头外圆车刀(或可转位机夹外圆车刀)完成粗精加工。
4.确定切削用量
  切削用量的具体数值应根据该机床性能、相关的手册并结合实际经验确定,详见加工程序。
5.确定工件坐标系、对刀点和换刀点
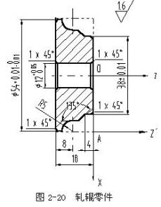
  确定以工件右端面与轴心线的交点O为工件原点,建立XOZ工件坐标系,如图2-20所示。
  采用手动对刀方法把工件右端面与毛坯外圆面的交点A作为对刀点,如图2-20所示。采用MDI方式操纵机床,具体操作步骤如下:
1)回参考点操作
  采用ZERO(回参考点)方式进行回参考点的操作,建立机床坐标系。
2)试切对刀
  主轴正转,先用已选好车刀的刀尖紧靠工件右端面,按设置编程零点键,CRT屏幕上显示X、Z坐标值都清成零(即X0,Z0);然后退刀,再将工件外圆表面车一刀,保持X向尺寸不变,Z向退刀,当CRT上显示的Z坐标值为零时,按设置编程零点键,CRT屏幕上显示X、Z坐标值都清成零(即X0,Z0)。系统内部完成了编程零点的设置功能,即对刀点A为编程零点,建立了XAZ′工件坐标系。停止主轴,测量工件外圆直径D,若D测得φ55㎜。
3)建立工件坐标系
  刀尖(车刀的刀位点)当前位置就在编程零点上(即对刀点A点),现为编程方便,把工件右端面与轴心线的交点O为工件原点,要建立XOZ工件坐标系。则可执行程序段为G92 X27.5 Z0,CRT将会立即变为显示当前刀尖在XOZ工件坐标系中的位置,X坐标值为27.5,Y坐标值为0。即数控系统用新建立的XOZ工件坐标系取代了前面建立的XAZ′工件坐标系。
  换刀点设置在XOZ工件坐标系下X15 Z150处。
6.编写程序(该程序用于CJK6136D车床)
  按该机床规定的指令代码和程序段格式,把加工零件的全部工艺过程编写成程序清单。该工件的加工程序如下(该系统X方向采用半径编程):
N0010 G92 X27.5 Z0;建立XOZ工件坐标系
N0020 G00 Z2 S500 M03
N0030 X27 ;车外圆得φ54㎜
N0040 G01 Z-18.5 F100
N0050 G00 X30
N0060 Z2
N0070 X25.5;粗车一刀外圆得φ51㎜
N0080 G01 Z-10 F100
N0090 G91 G02 X1.5 Z-1.5 I1.5 K0;粗车一刀圆弧得R1.5㎜
N0100 G90 G00 X30
N0110 Z2
N0120 X24;粗车二刀外圆得φ48㎜
N0130 G01 Z-10 F100
N0140 G91 G02 X3 Z-3 I3 K0;粗车二刀圆弧得R3㎜
N0150 G90 G00 X30
N0160 Z2
N0170 X22.5;粗车三刀外圆得φ45㎜
N0180 G01 Z-10 F100
N0190 G91 G02 X4.5 Z-4.5 I4.5 K0;粗车三刀圆弧得R4.5㎜
N0200 G90 G00 X30
N0210 Z2
N0220 X21;粗车四刀外圆得φ42㎜
N0230 G01 Z-4 F100
N0240 G91 X1.5 Z-1.5;粗车圆锥一刀
N0250 G90 G00 X25
N0260 Z2
N0270 X19.5;粗车五刀外圆得φ39㎜
N0280 G01 Z-4 F100
N0290 G91 X3 Z-3;粗车圆锥二刀
N0300 G90 G00 X25
N0310 Z2
N0320 X18;精车外轮廓
N0330 G01 Z0 F150 S800
N0340 G91 X1 Z-1
N0350 Z-3
N0360 X3 Z-3
N0370 Z-3
N0380 G02 X5 Z-5 I5 K0
N0390 G01 Z-2
N0400 X-1 Z-1
N0410 G90 G00 X30
N0420 Z150
N0430 M02

编程之二

  采用精加工轮廓循环编程法,程序较短,编程也较容易,关键是准确确定循环体中的进刀、退刀量及循环次数,但刀具空行程较多,加工效率低,较适合外形轮廓复杂的工件。
  上一零件还可采用精加工轮廓循环加工编程,如图2-21所示,每次循环刀具运动路线为A→B→C→D→E→F→G→H→I→J,走完一次循环后判别循环次数,若次数不够,则继续执行,直至循环结束。

数控机床操作教程-(2)数控编程实验(图文教程),数控机床操作教程-(2)数控编程实验,工件,加工,坐标系,第24张

循环次数N的确定:N=Δ/ap
其中:
Δ----最大加工余量
ap----每次背吃刀量
若N为小数,则用“去尾法”取整后再车一刀。
  加工如图2-20所示的零件时,设起刀点A点,在工件坐标系下的坐标值为X27.5 Z0,最终刀具的位置为X18 Z0,因此X向的最大余量Δ=(27.5-18)=9.5㎜,取每次吃刀量ap=0.95㎜,则循环次数N=10。
  循环体中除包括刀具的精加工轮廓轨迹以外,还包括刀具X向退刀、Z向退刀和X向进刀。X、Z向的进刀、退刀量可根据零件尺寸及刀具路线来确定。对如图3-19所示的零件,X向退刀量取2㎜,Z向退刀量确定为18㎜,X向进刀量为[(52-36)/2+2] ㎜=10㎜。
  注意:采用循环编程必须使用G91指令,精加工轮廓循环加工程序如下(该程序用于CJK6136D车床):
N0010 G92 X27.5 Z0;建立XOZ工件坐标系
N0020 G91 G01 X-0.95 Z0 F100 S800 M03;X向每次背吃刀量0.95㎜
N0030 X1 Z-1;精加工轮廓开始
N0040 Z-3
N0050 X3 Z-3
N0060 Z-3
N0070 G02 X5 Z-5 I5 K0
N0080 G01 Z-2
N0090 X-1 Z-1;精加工轮廓结束
N0100 G00 X2;X向退刀2㎜
N0110 Z18;Z向退刀18㎜
N0120 X-10;X向进刀10㎜
N0130 G26 N0020.0120.9;循环加工
N0140 G90 G00 Z150
N0150 M02

如图2-20所示轧辊工件,毛坯为φ55㎜×18㎜盘料,φ12+0。05 ㎜内孔及倒角和左右两端面已加工过,材料为45钢。

数控机床操作教程-(2)数控编程实验(图文教程),数控机床操作教程-(2)数控编程实验,工件,加工,坐标系,第25张

实例五 

1.根据零件图样要求、毛坯情况,确定工艺方案及加工路线
1)对细长轴类零件,轴心线为工艺基准,用三爪自定心卡盘夹持φ58㎜外圆一头,使工件伸出卡盘175㎜,用顶尖顶持另一头,一次装夹完成粗精加工(注:切断时将顶尖退出)。
2) 工步顺序
① 粗车外圆。基本采用阶梯切削路线,粗车φ56㎜、SφS50㎜、φ36㎜、M30㎜各外圆段以及锥长为10㎜的圆锥段,留1㎜的余量。
② 自右向左精车各外圆面:螺纹段右倒角→切削螺纹段外圆φ30㎜→车锥长10㎜的圆锥→车φ36㎜圆柱段→车φ56㎜圆柱段。
③ 车5㎜×φ26㎜螺纹退刀槽,倒螺纹段左倒角,车锥长10㎜的圆锥以及车5㎜×φ34㎜的槽。
④ 车螺纹。
⑤ 自右向左粗车R15㎜、R25㎜、Sφ50㎜、R15㎜各圆弧面及30°的圆锥面。
⑥ 自右向左精车R15㎜、R25㎜、Sφ50㎜、R15㎜各圆弧面及30°的圆锥面。
⑦ 切断。
2.选择机床设备
  根据零件图样要求,选用经济型数控车床即可达到要求。故选用CK0630型数控卧式车床。

3.选择刀具
  根据加工要求,选用三把刀具,T01为粗加工刀,选90°外圆车刀,T03为切槽刀,刀宽为3㎜,T05为螺纹刀。
  同时把三把刀在自动换刀刀架上安装好,且都对好刀,把它们的刀偏值输入相应的刀具参数中。
4.确定切削用量
  切削用量的具体数值应根据该机床性能、相关的手册并结合实际经验确定,详见加工程序。
5.确定工件坐标系、对刀点和换刀点
  确定以工件左端面与轴心线的交点O为工件原点,建立XOZ工件坐标系。
  采用手动试切对刀方法(操作与上面数控车床的对刀方法相同)把点O作为对刀点。换刀点设置在工件坐标系下X70、Z30处。
6.编写程序(该程序用于CK0630车床)
  按该机床规定的指令代码和程序段格式,把加工零件的全部工艺过程编写成程序清单。该工件的加工程序如下:
N0010 G59 X0 Z195
N0020 G90
N0030 G92 X70 Z30
N0040 M03 S450
N0050 M06 T01
N0060 G00 X57 Z1
N0070 G01 X57 Z-170 F80
N0080 G00 X58 Z1
N0090 G00 X51 Z1
N0100 G01 X51 Z-113 F80
N0110 G00 X52 Z1
N0120 G91
N0130 G81 P3N0140 G00 X-5 Z0
N0150 G01 X0 Z-63 F80
N0160 G00 X0 Z63
N0170 G80
N0180 G81 P2
N0190 G00 X-3 Z0
N0200 G01 X0 Z-25 F80
N0210 G00 X0 Z25
N0220 G80
N0230 G90
N0240 G00 X31 Z-25
N0250 G01 X37 Z-35 F80
N0260 G00 X37 Z1
N0270 G00 X23 Z-72.5
N0280 G00 X26 Z1
N0290 G01 X30 Z-2 F60
N0300 G01 X30 Z-25 F60
N0310 G01 X36 Z-35 F60
N0320 G01 X36 Z-63 F60
N0330 G00 X56 Z-63
N0340 G01 X56 Z-170 F60
N0350 G28
N0360 G29
N0370 M06 T03
N0380 M03 S400
N0390 G00 X31 Z-25
N0400 G01 X26 Z-25 F40
N0410 G00 X31 Z-23
N0420 G01 X26 Z-23 F40
N0430 G00 X30 Z-21
N0440 G01 X26 Z-23 F40
N0450 G00 X36 Z-35
N0460 G01 X26 Z-25 F40
N0470 G00 X57 Z-113
N0480 G01 X34.5 Z-113 F40
N0490 G00 X57 Z-111
N0500 G01 X34.5 Z-111 F40
N0510 G28
N0520 G29
N0530 M06 T05
N0540 G00 X30 Z2
N0550 G91
N0560 G33 D30 I27.8 X0.1 P3 Q0
N0570 G01 X0 Z1.5
N0580 G33 D30 I27.8 X0.1 P3 Q0
N0590 G90
N0600 G00 X38 Z-45
N0610 G03 X32 Z-54 I60 K-54 F40
N0620 G02 X42 Z-69 I80 K-54 F40
N0630 G03 X42 Z-99 I0 K-84 F40
N0640 G03 X36 Z-108 I64 K-108 F40
N0650 G00 X48 Z-113
N0660 G01 X56 Z-135.4 F60
N0670 G00 X56 Z-113
N0680 G00 X40 Z-113
N0690 G01 X56 Z-135.4 F60
N0700 G00 X50 Z-113
N0710 G00 X36 Z-113
N0720 G01 X56 Z-108 F60
N0730 G00 X36 Z-45
N0740 G00 X36 Z-45
N0750 M03 S800
N0760 G03 X30 Z-54 I60 K-54 F40
N0770 G03 X40 Z-69 I80 K-54 F40
N0780 G02 X40 Z-99 I0 K-84 F40
N0790 G03 X34 Z-108 I64 K-108 F40
N0800 G01 X34 Z-113 F40
N0810 G01 X56 Z-135.4 F40
N0820 G28
N0830 G29
N0840 M06 T03
N0850 M03 S400
N0860 G00 X57 Z-168
N0870 G01 X0 Z-168 F40
N0880 G28
N0890 G29
N0900 M05
N0910 M02

如图2-22所示螺纹特形轴,毛坯为φ58㎜×100㎜棒材,材料为45钢。数控车削前毛坯已粗车端面、钻好中心孔。

数控机床操作教程-(2)数控编程实验(图文教程),数控机床操作教程-(2)数控编程实验,工件,加工,坐标系,第26张

第五节 数控铣床编程实例(参考程序请看超级链接)

实例一 

1.根据图样要求、毛坯及前道工序加工情况,确定工艺方案及加工路线
1)以已加工过的底面为定位基准,用通用台虎钳夹紧工件前后两侧面,台虎钳固定于铣床工作台上。
2)工步顺序
① 铣刀先走两个圆轨迹,再用左刀具半径补偿加工50㎜×50㎜四角倒圆的正方形。
② 每次切深为2㎜,分二次加工完。
2.选择机床设备
  根据零件图样要求,选用经济型数控铣床即可达到要求。故选用XKN7125型数控立式铣床。
3.选择刀具
  现采用φ10㎜的平底立铣刀,定义为T01,并把该刀具的直径输入刀具参数表中。
4.确定切削用量
  切削用量的具体数值应根据该机床性能、相关的手册并结合实际经验确定,详见加工程序。
5.确定工件坐标系和对刀点
  在XOY平面内确定以工件中心为工件原点,Z方向以工件表面为工件原点,建立工件坐标系,如图2-23所示。
  采用手动对刀方法(操作与前面介绍的数控铣床对刀方法相同)把点O作为对刀点。
6.编写程序
  按该机床规定的指令代码和程序段格式,把加工零件的全部工艺过程编写成程序清单。
  考虑到加工图示的槽,深为4㎜,每次切深为2㎜,分二次加工完,则为编程方便,同时减少指令条数,可采用子程序。该工件的加工程序如下(该程序用于XKN7125铣床):
N0010 G00 Z2 S800 T1 M03
N0020 X15 Y0 M08
N0030 G20 N01 P1.-2;调一次子程序,槽深为2㎜
N0040 G20 N01 P1.-4;再调一次子程序,槽深为4㎜
N0050 G01 Z2 M09
N0060 G00 X0 Y0 Z150
N0070 M02;主程序结束
N0010 G22 N01;子程序开始
N0020 G01 ZP1 F80
N0030 G03 X15 Y0 I-15 J0
N0040 G01 X20
N0050 G03 X20 YO I-20 J0
N0060 G41 G01 X25 Y15;左刀补铣四角倒圆的正方形
N0070 G03 X15 Y25 I-10 J0
N0080 G01 X-15
N0090 G03 X-25 Y15 I0 J-10
N0100 G01 Y-15
N0110 G03 X-15 Y-25 I10 J0
N0120 G01 X15
N0130 G03 X25 Y-15 I0 J10
N0140 G01 Y0
N0150 G40 G01 X15 Y0;左刀补取消
N0160 G24;主程序结束

毛坯为70㎜×70㎜×18㎜板材,六面已粗加工过,要求数控铣出如图3-23所示的槽,工件材料为45钢。

数控机床操作教程-(2)数控编程实验(图文教程),数控机床操作教程-(2)数控编程实验,工件,加工,坐标系,第27张

实例二 

1.根据图样要求、毛坯及前道工序加工情况,确定工艺方案及加工路线
1)以底面为定位基准,两侧用压板压紧,固定于铣床工作台上
2)工步顺序
① 钻孔φ20㎜。
② 按O’ABCDEFG线路铣削轮廓。
2.选择机床设备
  根据零件图样要求,选用经济型数控铣床即可达到要求。故选用华中Ⅰ型(ZJK7532A型)数控钻铣床。
3.选择刀具
  现采用φ20㎜的钻头,定义为T02,φ5㎜的平底立铣刀,定义为T01,并把该刀具的直径输入刀具参数表中。
  由于华中Ⅰ型数控钻铣床没有自动换刀功能,按照零件加工要求,只能手动换刀。
4.确定切削用量
  切削用量的具体数值应根据该机床性能、相关的手册并结合实际经验确定,详见加工程序。
5.确定工件坐标系和对刀点
  在XOY平面内确定以0点为工件原点,Z方向以工件表面为工件原点,建立工件坐标系,如图3-24所示。
  采用手动对刀方法把0点作为对刀点。 

6.编写程序(用于华中I型铣床)
  按该机床规定的指令代码和程序段格式,把加工零件的全部工艺过程编写成程序清单。该工件的加工程序如下:
1)加工φ20㎜孔程序(手工安装好φ20㎜钻头)
%1337
N0010 G92 X5 Y5 Z5 ;设置对刀点
N0020 G91 ;相对坐标编程
N0030 G17 G00 X40 Y30 ;在XOY平面内加工
N0040 G98 G81 X40 Y30 Z-5 R15 F150 ;钻孔循环
N0050 G00 X5 Y5 Z50
N0060 M05
N0070 M02
2)铣轮廓程序(手工安装好ф5㎜立铣刀,不考虑刀具长度补偿)
%1338
N0010 G92 X5 Y5 Z50
N0020 G90 G41 G00 X-20 Y-10 Z-5 D01
N0030 G01 X5 Y-10 F150
N0040 G01 Y35 F150
N0050 G91
N0060 G01 X10 Y10 F150
N0070 G01 X11.8 Y0
N0080 G02 X30.5 Y-5 R20
N0090 G03 X17.3 Y-10 R20
N0100 G01 X10.4 Y0
N0110 G03 X0 Y-25
N0120 G01 X-90 Y0
N0130 G90 G00 X5 Y5 Z10
N0140 G40
N0150 M05
N0160 M30

毛坯为120㎜×60㎜×10㎜板材,5㎜深的外轮廓已粗加工过,周边留2㎜余量,要求加工出如图2-24所示的外轮廓及φ20㎜的孔。工件材料为铝。

数控机床操作教程-(2)数控编程实验(图文教程),数控机床操作教程-(2)数控编程实验,工件,加工,坐标系,第28张

看了上面的例子,我们对普通的指令有了了解,但是跟高级语言比较,其功能显得薄弱,为了与高级语言相匹配,特地介绍宏指令。通过使用宏指令可以进行算术运算,逻辑运算和函数的混合运算,此外,宏、程序还提供了循环语句,分支语句和子程序调用语句。

在宏语句中:
变量:
#0--#49是当前局部变量
#50--#99是全局局部变量
常量:
PI,TRUE(真),FALSE(假)
算术运算符:
+,-, *,/
条件运算符:
EQ “=”,NE “!=”, GT “>”,GE “>=”,LT “<”,LE “<=”
逻辑运算符:
AND, OR, NOT
函数:
SIN[],COS[],TAN[],ATAN[],ATAN2[],ABS[],INT[],SIGN[],SQRT[], EXP[]
表达式:
用运算符连接起来的常量,宏变量构成表达式。例如:100/SQRT[2]*COS[55*PI/180]
赋值语句:宏变量=表达式。例如:#2=100/SQRT[2]*COS[55*PI/180]
条件判别语句:IF,ELSE,ENDIF
  格式:
  IF 条件表达式
|
  ELSE
    |
ENDIF
循环语句:WHILE,ENDW
  格式:
  WHILE 条件表达式
    |
  ENDW

  下面就以宏指令编程为例,做两个练习。

 

实例三 

1.根据图样要求、毛坯及前道工序加工情况,确定工艺方案及加工路线
1)以底面为主要定位基准,两侧用压板压紧,固定于铣床工作台上。
2)加工路线
  Y方向以行距小于球头铣刀逐步行切形成椭球形成。
2.选择机床设备
  根据零件图样要求,选用经济型数控铣床即可达到要求。故选用华中Ⅰ型(ZJK7532A型)数控钻铣床。
3.选择刀具
  球头铣刀大小f6mm。
4.确定切削用量
  切削用量的具体数值应根据该机床性能、相关的手册并结合实际经验确定,详见加工程序。
5.确定工件坐标系和对刀点
  在XOY平面内确定以工件中心为工件原点,Z方向以工件表面为工件原点,建立工件坐标系,如图2-25所示。
  采用手动对刀方法把0点作为对刀点。
6.编写程序(用于华中I型铣床)
  按该机床规定的指令代码和程序段格式,把加工零件的全部工艺过程编写成程序清单。该工件的加工程序如下:
%8005(用行切法加工椭园台块,X,Y按行距增量进给)
#10=100 ;毛坯X方向长度
#11=70 ;毛坯Y方向长度
#12=50 ;椭圆长轴
#13=20 ;椭圆短轴
#14=10 ;椭园台高度
#15=2 ;行距步长
G92 X0 Y0 Z[#13+20]
G90G00 X[#10/2] Y[#11/2] M03
G01 Z0
  X[-#10/2] Y[#11/2]
G17G01 X[-#10/2] Y[-#11/2]
  X[#10/2]
  Y[#11/2]
#0=#10/2
#1=-#0
#2=#13-#14
#5=#12*SQRT[1-#2*#2/#13/#13]
G01 Z[#14]
WHILE #0 GE #1
IF ABS[#0] LT #5
#3=#13*SQRT[1-#0*#0/[#12*#12]]
IF #3 GT #2
#4=SQRT[#3*#3-#2*#2]
G01 Y[#4] F400
G19 G03 Y[-#4] J[-#4] K[-#2]
ENDIF
ENDIF
G01 Y[-#11/2] F400
#0=#0-#15
G01 X[#0]
IF ABS[#0] LT #5
#3=#13*SQRT[1-#0*#0/[#12*#12]]
IF #3 GT #2
#4=SQRT[#3*#3-#2*#2]
G01 Y[-#4] F400
G19 G02 Y[#4] J[#4] K[-#2]
ENDIF
ENDIF
G01 Y[#11/2] F1500
#0=#0-#15
G01 X[#0]
ENDW
G00 Z[#13+20] M05

免责声明:
1;所有标注为智造资料网zl.fbzzw.cn的内容均为本站所有,版权均属本站所有,若您需要引用、转载,必须注明来源及原文链接即可,如涉及大面积转载,请来信告知,获取《授权协议》。
2;本网站图片,文字之类版权申明,因为网站可以由注册用户自行上传图片或文字,本网站无法鉴别所上传图片或文字的知识版权,如果侵犯,请及时通知我们,本网站将在第一时间及时删除,相关侵权责任均由相应上传用户自行承担。
[complaint:内容投诉]
智造资料网打造智能制造3D图纸下载,在线视频,软件下载,在线问答综合平台 » 数控机床操作教程-(2)数控编程实验(图文教程)