1.手工编程加工实习
(1)实习目的:
①掌握简单零件的线切割加工程序的手工编制技能;
②熟悉ISO代码编程及3B格式编程;
③熟悉线切割机床的基本操作。
(2)实习要求
通过实习,学生能够根据零件的尺寸、精度、工艺等要求,应用ISO代码或3B格式手工编制出线切割加工程序,并且使用线切割机床加工出符合图纸要求的合格零件。
(3)实习设备
DK7725E型线切割机床。
(4)常用ISO编程代码
G92 X- Y-:以相对坐标方式设定加工坐标起点。
G27 :设定XY/UV平面联动方式。
G01 X- Y-(U- V-):直线插补。
X Y:表示在XY平面中以直线起点为坐标原点的终点坐标。
U V:表示在UV平面中以直线起点为坐标原点的终点坐标。
G02 X- Y- I- J-
G02 U- V- I- J-:顺圆插补指令。
G03 X- Y- I- J-:逆圆插补指令。
以上G02、G03中是以圆弧起点为坐标原点,X、Y(U、V)表示终点坐标,I、J表示圆心坐标。
M00 :暂停。
M02 :程序结束。
(5)3B程序格式
B X B Y B J G Z
B:分隔符号;X:X坐标值;Y:Y坐标值;
J:计数长度;G:计数方向;Z:加工指令。
(6)加工实例

图1 零件一
①工艺分析:
加工如图1所示零件外形,毛坯尺寸为60×60mm,对刀位置必须设在毛坯之外,以图中G点坐标(-20,-10)作为起刀点,A点坐标(-10,-10)作为起割点。为了便于计算,编程时不考虑钼丝半径补偿值。逆时钟方向走刀。
②ISO程序:
程序 注解
G92 X-20000 Y-10000 以O点为原点建立工件坐标系,起刀点坐标为(-20,-10);
G01 X10000 Y0 从G点走到A点,A点为起割点;
G01 X40000 Y0 从A点到B点;
G03 X0 Y20000 I0 J10000 从B点到C点;
G01 X-20000 Y0 从C点到D点;
G01 X0 Y20000 从D点到E点;
G03 X-20000 Y0 I-10000 J0 从E点到F点;
G01 X0 Y-40000 从F点到A点;
G01 X-10000 Y0 从A点回到起刀点G;
M00 程序结束。
③ 3B格式程序:
程序 注解
B10000 B0 B10000 GX L1 从G点走到A点,A点为起割点;
B40000 B0 B40000 GX L1 从A点到B点;
B0 B10000 B20000 GX NR4 从B点到C点;
B20000 B0 B20000 GX L3 从C点到D点;
B0 B20000 B20000 GY L2 从D点到E点;
B10000 B0 B20000 GY NR4 从E点到F点;
B0 B40000 B40000 GY L4 从F点到A点;
B10000 B0 B10000 GX L3 从A点回到起刀点G
程序结束。
④加工:
按第三节中所述的机床操作步骤进行。
2.自动编程加工实习
(1)实习目的及要求:
①熟悉CNC-10A编程系统的绘画功能及图形编辑功能;
②熟悉CNC-10A编程系统的自动编程功能;
③掌握CNC-10A控制系统的各种功能。
(2)实习设备:DK7725E型线切割机床及CNC-10A控制、编程系统。

图2 零件二
(3)加工实例:
①工艺分析:加工如图2所示五角星外形,毛坯尺寸为60×60mm,对刀位置必须设在毛坯之外,以图中E点坐标(-10,-10)作为对刀点,O点为起割点,逆时钟方向走刀。

图3 “OC”直线参数窗
② 绘画:首先绘出直线“OC”:在图形绘制界面上,鼠标左键轻点直线图标,该图标呈深色,然后将光标移至绘图窗内。此时,屏幕下方提示行内的“光标”位置显示光标当前坐标值。将光标移至坐标原点(注:有些误差无妨,稍后可以修改),按下左键不放,移动光标,即可在屏幕上绘出一条直线,在弹出的参数窗中可对直线参数作进一步修正,如图3。确认无误后按“Yes”退出,完成“OC”直线的输入。

图4 “CA”直线参数窗
绘制“CA”直线:光标依次点取屏幕上“编辑”→“旋转” →“线段复制旋转”。屏幕右上角将显示“中心”(提示选取旋转中心),左下角出现工具包,光标从工具包中移出至绘画窗,则马上变成“田” 形,将光标移至“C”点上(呈‘×’形)轻点左键,选定旋转中心,此时屏幕右上角又出现提示“转体”,将“田”型光标移到“OC”线段上(光标呈‘手指’形),轻点左键,在弹出的参数设置窗中进行参数设置,如图4,确认无误后按“Yes”键退出,将光标放回工具包,完成“CA”直线输入。
绘制“DA”直线:其方法与“CA”直线绘制基本相同,旋转中心点为“A”点,旋转体为“CA”直线,参数设置如图5。
绘制“DB”直线:方法同上。
绘制“OB”直线:光标点取直线图标,将光标移至B点,光标呈“×”形,拖动光标至O点(呈‘×’形),在弹出的直线参数窗中对参数进行修正,如图6,按“Yes”键完成直线“OB”的输入。

图5 “DA”直线参数窗 图6 “OB”直线参数窗 图7 编程参数窗
图形编辑:光标点取修剪图标,图标呈深色,将剪刀形光标依次移至线段“IH”、“HG”、“GF”、“FJ”、“FI”上,线段呈红色,轻点左键,删除上述五条线段,然后将光标放回工具包。
倒R5圆角:光标点取圆角图标,将“∠R”形光标分别点取I、H、G、F、J点(光标呈‘×’形),朝倒圆角处拖出光标,在弹出的参数窗中将R值设为5,按回车键退出。
图形清理:由于屏幕显示的误差,图形上可能会有遗留的痕迹而略有模糊。此时,可用光标选择重画图标(图标变深色),并移入绘画窗,系统重新清理、绘制屏幕。
通过以上操作,即完成了完整图形的输入。然后进行图形存盘。

图8 路径选择放大窗
③ 自动编程:鼠标左键轻点“编程” →“切割编程”,在屏幕左下角出现一丝架形光标,将光标移至屏幕上的对刀点,按下左键不放,拖动光标至起割点(注:有些误差无妨,稍后可以修改),在弹出的参数窗中可对起割点、孔位(对刀点)、补偿量等参数进行设置。其中补偿量与钼丝半径大小、走丝方向、切割方式(割孔还是割外形)以及放电间隙有关,要根据具体情况合理选择,如图7。参数设置好后,按“Yes”确认。
随后屏幕上将出现一路径选择放大窗,如图8。“路径选择窗”中的三角形红色指示牌处是起割点,上下或左右线段表示工件图形上起割点处的上下或左右各一线段,分别在窗边用序号代表(C表示圆弧,L表示直线,数字表示该线段作出时的序号)。窗中“+”表示放大钮,“-”表示缩小钮,根据需要用光标每点一下就放大或缩小一次。选择路径时,可直接用光标在序号上轻点左键,序号变黑底白字,光标轻点“认可”即完成路径选择。当无法辨别所列的序号表示哪一线段时,可用光标直接指向窗中图形的对应线段上,光标呈手指形,同时出现该线段的序号,轻点左键,它所对应线段的序号自动变黑色。路径选定后光标轻点“认可”,“路径选择窗”即消失,同时火花沿着所选择的路径方向
进行模拟切割,到“OK”结束。如工件图形上有交叉路径,火花自动停在交叉处,屏幕上再次弹出“路径选择窗”。同前所述,再选择正确的路径直至“OK”。系统自动把没切割到的线段删除,呈一完整的闭合图形。
火花图符走遍全路径后,屏幕右上角出现“加工开关设定窗”,如图9,其中有5项选择:加工方向、锥度设定、旋转跳步、平移跳步和特殊补偿。

图9 加工开关设定窗
加工方向:有左右向两个三角形,分别代表逆/顺时针方向,红底黄色三角为系统自动判断方向。(特别注意:系统自动判断方向一定要和火花模拟的走向一致,否则得到的程序代码上所加的补偿量正负相反)若系统自动判断方向与火花模拟切割的方向相反,可用鼠标键重新设定,将光标移到
正确的方向位,点一下左键,使之成为红底黄色三角。
因本例无锥度、跳步和特殊补偿,故不需设置。用光标轻点加工参数设定窗右上角的小方块“口”按钮,退出
参数窗。屏幕右上角显示红色“丝孔”提示,提示用户可对屏幕中的其他图形再次进行穿孔、切割编程。系统将以跳步模的形式对两个以上的图形进行编程。因本例无此要求,可将丝架形光标直接放回屏幕左下角的工具包(用光标轻点工具包图符),完成线切割自动编程。
退出切割编程阶段,系统即把生成的输出图形信息通过软件编译成ISO数控代码(必要时也可编译成3B程序),并在屏幕上用亮白色绘出对应线段。若编码无误,两种绘图的线段应重合(或错开补偿量)。随后屏幕上出现输出菜单。
菜单中有代码打印、代码显示、代码转换、代码存盘、三维造型和退出。
在此,选择送控制台,将自动生成的程序送到控制台进行加工。至此,一个完整的工件编程过程结束,即可进行实际加工。
④加工:按第三节中所述的机床操作步骤进行操作。
(二)数控慢走丝电火花线切割加工示例
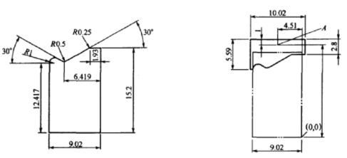
1.零件及加工要求

图10 冲裁模凸模 图11 加工路径
图10所示为一精密冲裁模的凸模,其厚度为30mm,材料采用SKD-11,零件的公差要求为:基本尺寸有一位小数的,公差为土0.10mm;基本尺寸有两位小数的,公差为土0.02mm;基本尺寸有三位小数的,公差为土0.002mm。
2.准备工作
由于该零件精度较高,主要部分采用慢走丝电火花线切割机床加工,零件在线切割之前就进行了精加工,三个相互垂直的面的加工精度控制得较好,且线切割余量少。加工路径见图11中的实线部分,图中双点划线为毛坯形状。
3.操作步骤及内容
要达到工件精度要求,必须采用少量、多次切割。加工余量逐次减少,加工精度逐渐提高。从开机到加工结束的具体操作步骤大致如下。
(1)合上总电源开关。
(2)按下控制面板上的按钮,启动数控系统及机床。
(3)安装并找正工件。
(4)按机床操作说明书的要求,通过在不同操作模块间的切换,完成生成工件切割的程序,调整电极丝垂直度,将电极丝移至穿丝点等基本操作。
(5)选择合适的加工参数,并在加工过程中将各项参数调到最佳适配状态,使加工稳定,达到质量要求。
(6)切割结束后,取下工件。
1;所有标注为智造资料网zl.fbzzw.cn的内容均为本站所有,版权均属本站所有,若您需要引用、转载,必须注明来源及原文链接即可,如涉及大面积转载,请来信告知,获取《授权协议》。
2;本网站图片,文字之类版权申明,因为网站可以由注册用户自行上传图片或文字,本网站无法鉴别所上传图片或文字的知识版权,如果侵犯,请及时通知我们,本网站将在第一时间及时删除,相关侵权责任均由相应上传用户自行承担。
[complaint:内容投诉]
智造资料网打造智能制造3D图纸下载,在线视频,软件下载,在线问答综合平台 » 数控电火花线切割加工实例(图文教程)

