如图1-00为典型轴套类零件,该零件材料为45钢,无热处理和硬度要求,试对该零件进行数控车削工艺分析(单件小批量生产)。
(1)零件图工艺分析
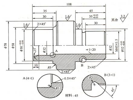
该零件表面由内外圆柱面、内圆锥面、顺圆弧、逆圆弧及外螺纹等表面组成,其中多个直径尺寸与轴向尺寸有较高的尺寸精度和表面粗糙度要求。零件图尺寸标注完整,符合数控加工尺寸标注要求;轮廓描述清楚完整;零件材料为45钢,加工切削性能较好,无热处理和硬度要求。
通过上述分析,采用以下几点工艺措施。
①对图样上带公差的尺寸,因公差值较小,故编程时不必取平均值,而取基本尺寸即可。
②左右端面均为多个尺寸的设计基准,相应工序加工前,应该先将左右端面车出来。
③内孔尺寸较小,镗1:20锥孔与镗φ32孔及150锥面时需掉头装夹。

图1-00 轴承套零件
(2)选择设备
根据被加工零件的外形和材料等条件,选用CJK6240数控车床。
(3)确定零件的定位基准和装夹方式
①内孔加工
定位基准:内孔加工时以外圆定位;
装夹方式:用三爪自动定心卡盘夹紧。
②外轮廓加工
定位基准:确定零件轴线为定位基准;
装夹方式:加工外轮廓时,为保证一次安装加工出全部外轮廓,需要设一圆锥心轴装置(见图1-01双点划线部分),用三爪卡盘夹持心轴左端,心轴右端留有中心孔并用尾座顶尖顶紧以提高工艺系统的刚性。
(4)确定加工顺序及进给路线
加工顺序的确定按由内到外、由粗到精、由近到远的原则确定,在一次装夹中尽可能加工出较多的工件表面。结合本零件的结构特征,可先加工内孔各表面,然后加工外轮廓表面。由于该零件为单件小批量生产,走刀路线设计不必考虑最短进给路线或最短空行程路线,外轮廓表面车削走刀路线可沿零件轮廓顺序进行(见图1-02)。
(5)刀具选择
将所选定的刀具参数填入表5-11轴承套数控加工刀具卡片中,以便于编程和操作管理。注意:车削外轮廓时,为防止副后刀面与工件表面发生干涉,应选择较大的副偏角,必要时可作图检验。本例中选κ =55 。

图1-01 外轮廓车削装夹方案

图1-02 外轮廓加工走刀路线
表5-11 轴承套数控加工刀具卡片
产品名称或代号
×××
零件名称
轴承套
零件图号
×××
序号
刀具号
刀具规格名称
数量
加工表面
备注
1
T01
450硬质合金端面车刀
1
车端面
2
T02
φ5㎜中心钻
1
钻φ5㎜中心孔
3
T03
φ26㎜钻头
1
钻底孔
4
T04
镗刀
1
镗内孔各表面
5
T05
930右手偏刀
1
从右至左车外表面
6
T06
930左手偏刀
1
从左至右车外表面
7
T07
600外螺纹车刀
1
车M45螺纹
编制
×××
审核
×××
批准
×××
年 月 日
共 页
第 页
(6)切削用量选择
根据被加工表面质量要求、刀具材料和工件材料,参考切削用量手册或有关资料选取切削速度与每转进给量,然后利用公式v c=πdn/1000和vf= nf,计算主轴转速与进给速度(计算过程略),计算结果填入表5-15工序卡中。
背吃刀量的选择因粗、精加工而有所不同。粗加工时,在工艺系统刚性和机床功率允许的情况下,尽可能取较大的背吃刀量,以减少进给次数;精加工时,为保证零件表面粗糙度要求,背吃刀量一般取0.1~0.4㎜较为合适。
(7)数控加工工艺卡片拟订
将前面分析的各项内容综合成表5-12所示的数控加工工艺卡片。
表5-12 轴承套数控加工工艺卡片
单位名称
×××
产品名称或代号
零件名称
零件图号
×××
轴承套
×××
工序号
程序编号
夹具名称
使用设备
车间
001
×××
三爪卡盘和自制心轴
CJK6240数控车床
数控中心
工步号
工步内容
(尺寸单位 ㎜)
刀具号
刀具、刀柄规格
/ ㎜
主轴转速
/r.min
进给速度
/㎜.min
背吃刀量
/㎜
备注
1;所有标注为智造资料网zl.fbzzw.cn的内容均为本站所有,版权均属本站所有,若您需要引用、转载,必须注明来源及原文链接即可,如涉及大面积转载,请来信告知,获取《授权协议》。
2;本网站图片,文字之类版权申明,因为网站可以由注册用户自行上传图片或文字,本网站无法鉴别所上传图片或文字的知识版权,如果侵犯,请及时通知我们,本网站将在第一时间及时删除,相关侵权责任均由相应上传用户自行承担。
[complaint:内容投诉]
智造资料网打造智能制造3D图纸下载,在线视频,软件下载,在线问答综合平台 » 套筒类零件数控车削工艺分析(图文教程)

