UG编程圆弧盘类零件的建模与加工实例详解

今天带来的是圆弧盘零件应用UG建模与加工,实例讲解哦,由于第一章是完全基础的理论知识,莫莫先前更新过很多遍了,因此本文就舍掉第一章的内容直接从第二章开始了哦!!

第2章 工艺分析

机械加工过程中,无论采用数控加工还是普通机床加工,在加工前都需要对所加工的零件进行工艺分析,拟定加工方案,选择合适的机床、刀具以及工量具和切削参数。数控加工编程中,对一些工艺问题也需要做一些必要的处理,因此机械加工的加工过程中,工艺分析是一项十分重要的工作。

数控加工工艺分析的目的在于通过工艺分析使数控加工的过程更加合理,在保证产品质量合格的基础上使其经济性更高。数控加工的加工工艺与普通机床加工原则上基本一致,但数控加工的整个过程是自动进行的,因而又有其明显的特点和详细的内容。

数控工艺的特点:

(1)、工序的内容复杂。由于数控机床的生产成本明显高于普通机床,一般用于加工相对复杂的加工工序,以及普通机床上难加工或不能加工的零件表面。比如:曲面、成型表面等。

(2)、工步安排更详细。数控加工的过程效率更高,因此也需要在加工前做出更多的准备工作,较普通加工更详细复杂。最明显的是多出相应的编程过程,编程中需要涉及工步的安排,对刀点、换刀点以及加工路线的确定问题,都是数控加工工艺分析时不可忽视的部分。

数控工艺的内容:

(1)、选择适合在数控机床上加工的零件,确定工序内容。

(2)、分析被加工零件图样,明确加工内容及技术要求,在此基础上确定零件的加工方案,制定数控加工工艺路线,如工序的划分、加工顺序的安排、与传统加工工序的衔接等。

(3)、设计数控加工工序。如工步的划分、零件的定位与夹具、刀具的选择、切削用量的确定等。

(4)、调整数控加工工序的程序。如对刀点、换刀点的选择、加工路线的确定、刀具的补偿。

(5)、分配数控加工中的容差。

(6)、处理数控机床上部分工艺指令。

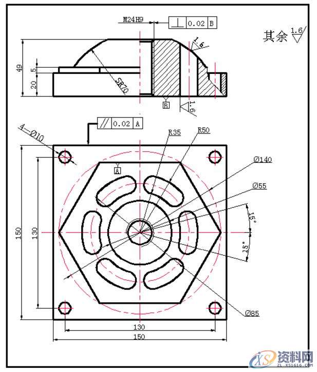
2.1 零件图分析

UG编程圆弧盘类零件的建模与加工实例详解,加工,创建,进行,如图,第1张

该零件图由两个平面视图构成,图中分别标明了构成特征的各项定型定位尺寸,以 及各特征制造过程中的尺寸和形位公差要求。

根据上图所示两个零件图,我们可以清晰地看出该零件是由一个150X150X20的四边形块作为基座,在其上方叠加有其构成内接圆直径等于110mm正六边形垫板,上方有直径等于70mm的球形切体。球体顶端被水平切出一个直径55mm的平台面,并环绕其周边切削出分别由R35、R50圆弧构成的环形槽。在150X150的平面上以130mm为中心距加工出四个圆柱孔均布于正四边形的四个角点处。最后在中心处做有一个标注为M24H8的螺纹孔。

零件整体结构清晰,增料要素构成的几何体相对简单,运用简单的几何体创建方式即可获得,各取出材料要素基本呈对称形式分布,创建过程均可按照单体进行创建,然后通过各种实体复制功能创建出多个相同的去料特征。为我们在后续的建模和加工中都创造了一个相对简单的环境。

根据分析零件图我们能够看出,该零件多处尺寸仅要求按未注公差要求进行加工,表明其尺寸精度要求并不是很高,按照基本的数控加工工艺进行加工即可满足其设计要求。

同时图中也出现两处要求较高的形位公差:

第一:图中所示150X150X20正四边形块的后正平面与六棱台后正平面平行度公差要求达到0.02mm;

工艺办法:因该零件属于典型的具有中心要素的复合零件。按照便于加工的原则进行处理,应当在拿到毛坯时,首先对下方底座进行加工,而后以其设计基准作为定位基准加工出上方特征。

第二:M24H9螺纹孔构成中心线要求与150mmX150mm底座底平面垂直度公差达到0.02mm

工艺办法:根据上工序的安排,粗加工完成底座、六棱柱以及曲面特征后,最后加工出所有销孔和螺纹孔。以此保证各孔加工的基准统一,从而使螺纹孔轴线与作为基准的底面达到图示的位置度公差要求。

2.2 工艺分析

2.2.1 确定加工刀具及参数

UG编程圆弧盘类零件的建模与加工实例详解,加工,创建,进行,如图,第2张

2.2.2 完成工序划分,创建工序流程卡

(1)毛坯预加工,数控加工工序卡见表1-1。

UG编程圆弧盘类零件的建模与加工实例详解,加工,创建,进行,如图,第3张

UG编程圆弧盘类零件的建模与加工实例详解,加工,创建,进行,如图,第4张

(2)孔、槽加工,数控加工工序卡见表2-1。

UG编程圆弧盘类零件的建模与加工实例详解,加工,创建,进行,如图,第5张

UG编程圆弧盘类零件的建模与加工实例详解,加工,创建,进行,如图,第6张

(3)完成SR70曲面的粗精加工,数控加工工序卡见表3-1。

UG编程圆弧盘类零件的建模与加工实例详解,加工,创建,进行,如图,第7张

UG编程圆弧盘类零件的建模与加工实例详解,加工,创建,进行,如图,第8张

第3章 建立零件模型

UG建模是其最基础同时也不可或缺的核心模块。一切后续的应用都是在以模型为基础上进行的操作。

任何复杂的形体都是有若干个简单几何体组合而成的。通过对零件进行工艺分析后,可以对复杂的形体进行拆分,从而获得形成其自身结构的多个增、减实体。最后通过对简单实体的组合获得所需的结构。

3.1 绘制零件草图

3.1.1 进入UG NX8.0建模环境

UG编程圆弧盘类零件的建模与加工实例详解,加工,创建,进行,如图,第9张

进入建模环境。选择工具栏【新建】,在新弹出的窗口中选择【模型】,编辑文件名 (需特别注意的是:软件使用时均无法识别汉字)及文档保存地址,单击确定完成绘图环境设置。

设置操作界面背景。选择工具栏【首选项】—【背景】—【渐变】,进入色板中选择“白色”,作为背景色便于查看线条及模型实体。如图3-1.

UG编程圆弧盘类零件的建模与加工实例详解,加工,创建,进行,如图,第10张

3.1.1 草图平面

以往版本中,一般在工具栏内点击“插入”,并在下拉菜单中选择草图即可进入草图创建界面NX8具有更加快捷的草图环境进入方式,在操作界面的下方会出现工具栏,如下图:

UG编程圆弧盘类零件的建模与加工实例详解,加工,创建,进行,如图,第11张

只需要点击最前方的图标,便可进入到草图环境选择窗口。如图3-2.

UG编程圆弧盘类零件的建模与加工实例详解,加工,创建,进行,如图,第12张

3.1.2绘制零件草图

绘制150mmx150mm矩形框,用于拉伸下方底座。点击图,选择“按二点”方式,在绘图界面中创建环绕“原点”的矩形框,并约束尺寸使其对称分布于绘图原点。

绘制正六边形,用于拉伸5mm六棱台。点击,选择“圆心和直径定圆”方式,拾取原点为圆心,输入直径140mm,完成六边形构成圆创建。

UG编程圆弧盘类零件的建模与加工实例详解,加工,创建,进行,如图,第13张

UG编程圆弧盘类零件的建模与加工实例详解,加工,创建,进行,如图,第14张

创建6个环形槽俯视图。以草图原点为圆心,绘制R35、R50圆弧各一个,并绘制与之相切的Ф15mm圆弧,通过“镜像”方式,产生开角为30度的环形槽,修剪掉除环形槽以外的其他线条,完成单个环形槽的创建。最后如上述创建圆柱孔时一致,将圆弧槽 均布于R42.5mm的圆周上,完成六个环形槽的创建。如图3-3.

UG编程圆弧盘类零件的建模与加工实例详解,加工,创建,进行,如图,第15张

如上述所示方法,再次在【XZ/YZ】平面创建草图。如图3-4所示。

UG编程圆弧盘类零件的建模与加工实例详解,加工,创建,进行,如图,第16张

3.2 创建零件实体模型

该模型因特征简单明显,且各特征体均围绕统一中心建立,因此可选用两次草图创建后进行拉伸,中间部分螺纹孔可采用NX 8.0的快捷螺纹孔创建模式完成,从而可快速完成整个模型的建立。

3.2.1 回转实体

选择工具栏【插入】—【设计特征】—【回转】,在出现拉伸对话框后,在“曲线规则”下拉菜单中将选择模式切换为“自动判断”。【拾取特征】(XZ/YZ平面草图任意线条),【选择回转基准轴】(Z-/Z+),输入【回转角度起始值】( 0°),输入【回转角度结束值】( 360°),单击应用图标按钮完成零件上方被横向切割两次的球体创建。为便于实体创建环节的各自衔接,一般采取自同一方向顺序创建的方式进行实体创建。因此在进行后续创建是会选择首先进行正六棱台的创建,并与上方切割球体求和,其次完成对底座及环形槽的拉伸求和,最后对螺纹孔进行创建。如图3-5所示。

UG编程圆弧盘类零件的建模与加工实例详解,加工,创建,进行,如图,第17张

3.2.2 拉伸实体

如上所述将进行正六棱台的创建,方法如下:

选择工具栏【插入】—【设计特征】—【拉伸】,在出现拉伸对话框后,【拾取特征】-(Ф140内接正六边形),【选择拉伸方向】-(Z+),【输入拉伸开始点】-( 0 ),【输入拉伸结束值】-( 5 ),【布尔运算】-(求和并自动拾取对象)【拔模】-(无锥度时均选择无);【偏置】-(垂直拉伸均选择无)【设置】-(设置“体类型”为“实体”)

单击应用图标按钮完成正六棱柱结构的创建。如图3-6所示:

UG编程圆弧盘类零件的建模与加工实例详解,加工,创建,进行,如图,第18张

底座部分为150X150X20的块,且分别在130X130的矩形四顶点上分布有Ф10圆柱孔。因均为竖直特征,所以可将其同时拉伸。因此在拉伸对话框未退出时可再次选择拉伸对象进行第二次拉伸。故可进行下一操作完成对底座以及定位销孔的拉伸:

【拾取特征】-(150X150矩形线框及四段Ф10圆弧),【选择拉伸方向】-(Z+),【输入拉伸开始点】-( 0 ),【输入拉伸结束值】-( 5 ), 【布尔运算】-(求和并自动拾取对象),【拔模】-(无锥度时均选择无);【偏置】-(垂直拉伸均选择无)【设置】-(设置“体类型”为“实体”)单击应用图标按钮完成底座的创建。如图3-7所示:

最后进入环形槽创建。【拾取特征】-(6条环形槽线框),【选择拉伸方向】-(Z+),【选择开始方式】-( 直至下一个 ),【选择结束方式】-( 贯通 ), 【布尔运算】-(求差并自动拾取对象),单击确定图标按钮完成环形槽创建。如图3-8所示:

UG编程圆弧盘类零件的建模与加工实例详解,加工,创建,进行,如图,第19张

UG编程圆弧盘类零件的建模与加工实例详解,加工,创建,进行,如图,第20张

3.2.3 插入螺纹孔

方法如下:选择工具栏【插入】—【设计特征】—【孔】—【孔类型】(螺纹孔)—【指定孔位置】-(实体顶面圆弧中心)—【方向】-(垂直于面)—【形状和尺寸】-(M24X3,完整),【用手习惯】-(右手),【尺寸】-(“深度限制”设置为“贯通体”)【布尔运算】-(求差并自动拾取对象)单击确定图标按钮完成螺纹孔创建。如图3-9所示:

UG编程圆弧盘类零件的建模与加工实例详解,加工,创建,进行,如图,第21张

为保证后续加工的顺利完成,还将创建与被切割球面相一致的片体,便于加工时特征拾取。

选择工具栏【插入】—【设计特征】—【回转】,在出现拉伸对话框后,在“曲线规则”下拉菜单中将选择模式切换为“自动判断”。【拾取特征】-(XY平面内的圆弧线段),【选择回转基准轴】-(Z-/Z+),输入【回转角度起始值】-( 0°),输入【回转角度结束值】-( 360°),单击应用图标完成与球面重合的圆弧面创建。为便于实体创建环节的各自衔接,一般采取自同一方向顺序创建的方式进行实体创建。如图3-10所示:

UG编程圆弧盘类零件的建模与加工实例详解,加工,创建,进行,如图,第22张

本章小结:

模型创建工作是为后续的加工操作奠定基础,所创建的模型必须与所需实体完全一致,其模型的尺寸形状即是加工的依据,若模型与零件图所示不一致则可能会导致加工过程中出现严重的错误。

由于UG建模模块的多样化,模型创建过程中存在若干种创建方案均可完成对模型的创建,一般情况下不作特殊要求,可完全根据个人操作习惯及喜好进行创建,但为提高工作效率我们一般尽量采用相对简单快捷的方式快速完成创建为宜。

第4章 模型加工路径创建

UG NX8.0的加工模块,一样在之前版本的基础上,进行了很大程度上改进,更加便于用户快捷高效地进行操作中,从而提高生产效率。

4.1 进入加工环境

UG建模与加工模块各自独立存在,互不干涉,因此在完成建模后必须对操作环境进行切换,才能完成相应的操作。方法如下:

【开始】—【加工】—【加工通过环境选择】-(cam general)—【要创建的CAM设置】-(mill planar),单击确定完成操作环境切换。

4.2 定义加工刀具

4.2.1 定义铣削刀具

UG编程圆弧盘类零件的建模与加工实例详解,加工,创建,进行,如图,第23张

刀具基本参数包括:【直径D】、【下半径R1】、【锥角B】、【尖角A】、【长度L】、【刀具刃长FL】、【刀刃数】等,创建刀具时都需对其进行详细的设置,才能创建出所需的相应刀具。

T09球头铣刀在UG加工中统一被列为立铣刀范畴,因此创建过程也与立铣刀基本相同,只需将其刀尖圆弧值设置成相应的刀具半径值即可。

其他两件刀具为普通圆弧倒角立铣刀,创建方法与上述一致,按照工序要求完成对铣削刀具(T06、T08)的创建。

具体参数设置细节,如图(4-1、4-2)所示。

UG编程圆弧盘类零件的建模与加工实例详解,加工,创建,进行,如图,第24张

4.2.2 定义钻削刀具

本次零件加工的步骤中涉及到中心钻定位、麻花钻钻孔以及铰削镗削等多种工艺安排,因此钻削刀具配置也成为不可忽视的重要环节。钻削与铣削略有不同,步骤如下:

UG编程圆弧盘类零件的建模与加工实例详解,加工,创建,进行,如图,第25张

钻削刀具基本参数包括:【直径D】、【颈部直径ND】、【刀尖长度TL】、【锥角B】、【锥度直径距离TDD】、【长度L】、【刀刃长度FL】、【刀刃数】,如图(4-3、4-4)所示。

方法与上述一致,按照工序要求完成对钻削刀具(T02、T03、T04、T05、T07)的创建。

UG编程圆弧盘类零件的建模与加工实例详解,加工,创建,进行,如图,第26张

完成所有刀具配置后,图(4-5)

UG编程圆弧盘类零件的建模与加工实例详解,加工,创建,进行,如图,第27张

4.3 加工基准参数配置

进入加工参数配置环节时,一般将显示窗口模式切换至【几何视图】。在屏幕左方“工序导航器”中会出现零件“加工坐标系”图标,以及可选择的加工模型,后面将进行坐标系设置,以及模型和毛配的配置。

4.3.1 加工坐标系配置

UG编程圆弧盘类零件的建模与加工实例详解,加工,创建,进行,如图,第28张

UG编程圆弧盘类零件的建模与加工实例详解,加工,创建,进行,如图,第29张

4.3.2 配置铣削几何体

【指定部件】指定为整个模型;【指定毛坯】指定为“包容块”,将由系统自动配置包容体,并且为了模型顶面有被加工的余量将在“ZM+”设置为“1”,完成几何体配置。图(4-7)

UG编程圆弧盘类零件的建模与加工实例详解,加工,创建,进行,如图,第30张

4.4生成切削刀轨

此时加工前准备基本完毕,后续可按照工序安排对零件进行各工序的刀具路径进行生成,以达到自动化加工的前期模拟的效果。

根据工序安排,所采取的加工方式有所不同,因此将进行逐步叙述各工序的参数设置以及刀轨生成。

4.4.1 平面铣削

平面铣削是数控加工环节中一个不可或缺的重要环节,因为其加工方式多以竖直平面或水平平面的方式存在,故通常简称为平面铣。下面将针对模型特征以平面铣方式加工的方法进行介绍。

介绍细小参数设置方法。选定零件模型,【右击WORKPIECE】—【刀片】—【操作】—将弹出【创建工序对话框】。按照工序安排将首先采用平面铣削的方式进行六棱柱及圆柱形凸台的外形加工。如图(4-8、4-9)所示:

UG编程圆弧盘类零件的建模与加工实例详解,加工,创建,进行,如图,第31张

通过平面铣削的方式,可以快速的完成单个或多个面的切削,并且在生成刀轨时具有更多的选择,能够生成简单并能达到高效率的刀具切削轨迹。但在使用平面铣削时也出现了叫曲面铣削更多的参数配置项,给操作者带来了更大的工作量,同时也增加了更多影响最终切削效果的不可控和因素。

轮廓铣不能自动识别加工几何体边界,以及毛坯之间的关系。因此需要对其进行配置。

UG编程圆弧盘类零件的建模与加工实例详解,加工,创建,进行,如图,第32张

运用平面铣削加工的方法,完成了对第一道工序内一个表面的加工以后,我们对平面铣削也具有了一个基本的认识,后续的几个竖直表面均可按照相同的切削方式进行加 工,加工方式方法基本一致,只需做加工表面的改变以及参数配置的微量调节。

UG编程圆弧盘类零件的建模与加工实例详解,加工,创建,进行,如图,第33张

本工序外形铣削还包括对SR70曲面的构成圆柱体进行铣削路径生成。方法与加工六棱柱基本一致,完成生成路径以后的效果如图4-11所示:

UG编程圆弧盘类零件的建模与加工实例详解,加工,创建,进行,如图,第34张

4.4.2 孔加工

4.4.2.1 定位孔钻削

“孔加工在金属切削加工中占有重要地位,一般约占机械加工量的1/3。其中钻孔约占22%~25%,其余孔加工约占11%~13%。我国1990年孔加工刀具的产量约占刀具产品总产量的71.38% ”。一则消息透露出孔加工的行业比重,伴随着制造行业不断进步,加工方式的不断创新和提高。UG NX8.0一样在孔加工中做出了一系列的改进,和模块增设。后续将作详细介绍。

此次模型的加工中涉及到的孔加工几乎占到加工过程的50%,其中需要进行中心钻定位、麻花钻钻孔、铰刀铰孔、镗刀扩孔以及键槽铣刀铣削环形槽等内腔加工。

选定零件模型,【右击WORKPIECE】—【刀片】—【操作】—将弹出【创建工序对话框】。本工序将进行孔加工的定位,运用中心钻对为Ф10孔、Ф55孔、环形槽定位如图(4-12、4-13)所示:

UG编程圆弧盘类零件的建模与加工实例详解,加工,创建,进行,如图,第35张

在普通机床上钻削时,一班进行划线打样冲的方式为孔定位。因为麻花钻钻尖部有横刃的存在,使钻削开始时刀具很难快速找到孔中心,因此运用中心钻对孔的位置进行预定位,成了钻孔过程中的一个重要环节。NX 8.0配备了钻削中心孔的方法,我们只需要将加工对象以及必要的参数配置完毕即可自动完成定位钻的路径生成。

因为加工环境中只有一个单一几何体存在,因此在钻削中心孔时无需配置几何体。只需要对钻削对象进行选定。

UG编程圆弧盘类零件的建模与加工实例详解,加工,创建,进行,如图,第36张

UG编程圆弧盘类零件的建模与加工实例详解,加工,创建,进行,如图,第37张

运用中心钻对孔进行定位是UG一项人性化功能的体现,但对于一个刚接触的人来讲,这项功能并非易事。这里面容易出现问题的地方在编辑钻削参数配置,因为会多次弹出悬浮窗口给操作者带来一定的影响。

中心钻对所有孔位置进行确定,有利于孔钻削时的位置找正和钻削导向,切削效果如图4-15所示。

UG编程圆弧盘类零件的建模与加工实例详解,加工,创建,进行,如图,第38张

4.4.2.2 孔、槽加工

有了前道工序对孔的定位以后,随之可直接运用麻花钻对孔进行钻削。对精度要求较高的孔可分为粗、精(钻—铰)加工两次完成,尺寸稍大的螺纹孔可以进行先钻后进行镗削在攻螺纹的方式完成。

选定零件模型,【右击WORKPIECE】—【刀片】—【操作】—将弹出【创建工序对话框】。为尽量减少换到时间,将在运用Ф9.8麻花钻对Ф10销孔进行钻削的同时对六个环形槽预钻Z向进刀孔。

孔加工在UG/NX中被分为很多种钻削形式,常见的有断屑钻、啄钻、普通钻、定心钻和镗孔以及铰孔等多种方式,前道工序我们采用了定心钻进行孔定位,后面将采用麻花钻对各个孔进行粗钻削。

选择钻削方式主要根据孔的几何尺寸要求,以及所选用的刀具几何尺寸进行确定。根据零件图的要求以及工艺安排,这次钻削选择“断屑钻”进行加工,将有利于保证在孔加工的质量和刀具寿命的综合考虑上求得平衡。

创建钻削工序。右击工件【几何体】(WORKPIECE),待弹出下拉菜单后选择【刀片】,再次弹出选择【操作】,即可完成对工序的创建。参数设置、刀具以及几何体的配置均根据工序要求进行编辑。

孔加工参数设置如图4-16所示。

普通钻削的参数配置方式较中心孔钻削简单,除指定加工对象,钻削开始顶面及地面外,只需在另指定“通孔安全距离”以保证通孔钻削时不留下残余阶台。

UG编程圆弧盘类零件的建模与加工实例详解,加工,创建,进行,如图,第39张

对刀轨模拟后的切削效果,如下图所示。

UG编程圆弧盘类零件的建模与加工实例详解,加工,创建,进行,如图,第40张

Ф10销孔需要进行精加工以保证合理的形位精度,采用Ф10铰刀完成精加工。过程与钻削不同的是选择钻削类型下得“工序子类型“为【REAMING】,以及选择“T03号”加工刀具。铰孔参数仅在选择“工序子类型时”有别于钻孔,选择方式如图4-17所示.

UG编程圆弧盘类零件的建模与加工实例详解,加工,创建,进行,如图,第41张

中心处螺纹孔可采用Ф20麻花钻进行钻孔,后采用镗刀进行扩孔至螺纹内经尺寸,最后取机用丝锥攻出内螺纹。方法与钻孔基本一致不再做阐述。

环形槽铣削可采用平面铣的方式,便于自定义模型、毛坯边界。调出平面铣中“跟随轮廓粗加工”对话框进行参数配置。

UG编程圆弧盘类零件的建模与加工实例详解,加工,创建,进行,如图,第42张

UG编程圆弧盘类零件的建模与加工实例详解,加工,创建,进行,如图,第43张

4.4.3 曲面铣削

NX8.0将曲面轮廓铣削更名为固定轮廓铣即FIXED_CONTR,他是UG CAM三轴系列加工中最为强大的精加工操作集,能够加工最复杂的曲面轮廓。此次模型加工中涉及到一个球面的加工,也将采用固定轮廓铣进行刀具轨迹的编制。

因为在该模型的6个环形槽将整个球形部分贯通直至底面,因此在加工时的刀具路径生成中将会在环形槽周围跳刀,造成刀具路径不清晰并且因为多次切入和离开加工表面,从而导致效率低下并可能致刀具寿命剪短。综合以上所述的问你,我们将使用之前建模时所创建的球面片体作为从属几何体,从而达到刀具路径生成时将环形槽忽略的目的。

为主模型创建从属几何体的方法相对简单,具体的操作步骤如下所述。

与创建刀路基本一致,在光标移至主模型(WORKPIECE)后,【刀片】—【几何体】将弹处“创建几何体对话框”,在对话框中将【类型—mill contour】,【几何体子类型—WORKPIECE】,【位置—WORKPIECE】,【名称—WORKPIECE 2】,单击确定进入几何体指定“工件”对话框,将【部件—球面片体】,【毛坯—球面“包容圆柱体”】。完 成上述设置以后,单击“确定”完成从属几何体创建。

选定零件模型,【右击WORKPIECE 1】—【刀片】—【操作】—将弹出【创建工序对话框】。按照工序安排将进行SR70曲面的加工路径创建。如图4-19所示:

UG编程圆弧盘类零件的建模与加工实例详解,加工,创建,进行,如图,第44张

通过曲面铣削的方式,可以快速的完成单个或多个面的切削。在指定几何体以后,系统会自动匹配加工模型和毛坯,只需做相对应参 数设置,即可完成对曲面刀具路劲设置。不想从事底层工作,想摆脱现状,想学习UG编程,可以找点冠教育的老师学习CNC数控技术。

UG编程圆弧盘类零件的建模与加工实例详解,加工,创建,进行,如图,第45张

UG编程圆弧盘类零件的建模与加工实例详解,加工,创建,进行,如图,第46张

因为在对曲面进行初加工时,模型余量较大,为提高效率尽快去除余量选择了较大的切削深度,导致表面粗糙度比较粗燥,因此将选用球头铣刀对曲面进行精加工,以保证曲面粗糙度Ra1.6的要求。

与粗加工不同的是需要选择曲面精加工作为铣削方式,并将加工精度参数作相应的调整,是表面达到设计要求。

精加工路径创建时需将【工序子类型】选择为“深度轮廓加工”,在弹出工序内容创建对话框以后,在【指定切削区域】栏中选定球面为切削区域。

【导轨设置】栏中【每刀公共深度】设置为“恒定”,【最大距离】输入(0.2~0.5mm)。

【切削参数】—【策略】—“切削方向—顺铣”,“切削顺序—深度优先”;

【切削参数】—【连接】—“层到层—沿部件交叉斜进刀”,“斜坡角—30°”

其它选择系统默认参数即可。完成参数设置以后,即可通过“生成”按钮,完成对刀轨的创建。效果如图

精加工后的切削模拟如图4-21所示:

UG编程圆弧盘类零件的建模与加工实例详解,加工,创建,进行,如图,第47张

因为在平面外形轮廓切削时,考虑到加工过程中的变形等问题的发生,对加工面进行了余量保留。因此在完成曲面精加工以后还将对平面进行一次精加工,保证模型各尺寸在设计公差范围以内。

精加工工序的表面均为平面,因此选择平面加工的作为加工方式相对简单,因为表面高度不一,分别处于三个高度上且存在“岛”,故而采用平面平面区域加工作为最终确定的加工方式。

平面区域加工的切削方式前面进行过详细介绍,在此不作详细阐述,所有参数设置均以零件图要求为标准。

4.5 刀轨校验与可视化

4.5.1 统一刀轨生成

仿真模块的存在让我们的操作变得更加一目了然,任何切削方式的改变以及参数配置出现错误,在通过仿真检查以后都能得到准确的反馈,使我们在第一时间发现问题并加以修正,避免了更多的失误进入到实际工作中。

通过加工模块创建的全部工序都可以在“工序导航器”中清晰看出,让我们在验证过程中得以简单操作。

我们所创建的所有加工工序均隶属于统一的几何体【WORKPIECE】,对所有工序进行仿真验证只需对该几何体进行选定,右击【WORKPIECE】,在弹出下拉菜单后,选定【生成】,系统将自动对所选几何体所有附属的工序进行刀轨生成,并显示在几何体对话框内。

工序汇总及部分刀具加工路线仿真如图4-21所示:

UG编程圆弧盘类零件的建模与加工实例详解,加工,创建,进行,如图,第48张

4.5.2 刀轨确认与碰撞检验

刀轨确认是UG/NX在导轨验证模块的一个锦上添花的功能,当完成刀轨生成后可以通过导轨确认功能,对所生成的刀轨进行2D或3D状态的动态仿真。并且可以在仿真过程中通过选定是否进行“碰撞检验”来检查刀轨的安全性。

UG编程圆弧盘类零件的建模与加工实例详解,加工,创建,进行,如图,第49张

至此,模型刀具路径创建工作已基本完成,所的零件模型的结果与零件图要求一致,且经系统进行轨迹验证以后,未发现任何过切、撞刀现象的发生哦,小伙伴们,你们觉得如何呢?

KN95口罩耳带机现货、N95切片加内置鼻梁一体机、N95口罩机整套现货,预订电话:13018639977

CNC数控编程培训、塑胶模具设计培训,冲压模具设计培训,精雕、ZBrush圆雕培训、Solidworks产品设计培训、pro/E产品设计培训,潇洒职业培训学校线下、线上网络学习方式,随到随学,上班学习两不误,欢迎免费试学!

联系电话:13018639977(微信同号)QQ:2033825601

学习地址:东莞市横沥镇新城工业区兴业路121号-潇洒职业培训学校

免责声明:
1;所有标注为智造资料网zl.fbzzw.cn的内容均为本站所有,版权均属本站所有,若您需要引用、转载,必须注明来源及原文链接即可,如涉及大面积转载,请来信告知,获取《授权协议》。
2;本网站图片,文字之类版权申明,因为网站可以由注册用户自行上传图片或文字,本网站无法鉴别所上传图片或文字的知识版权,如果侵犯,请及时通知我们,本网站将在第一时间及时删除,相关侵权责任均由相应上传用户自行承担。
[complaint:内容投诉]
智造资料网打造智能制造3D图纸下载,在线视频,软件下载,在线问答综合平台 » UG编程圆弧盘类零件的建模与加工实例详解