塑胶模具设计:模具圆弧抽芯注塑

如图所示改圆弧抽芯产品为按摩仪上的索环,该按摩仪索环产品最大外形尺寸为57.50 mm x 54.10 mm x 25.10 mm,塑件平均胶位厚度2.70mm,塑件材料为PVC,缩水率为1.015,塑件技术要求为不得存在披峰、注塑不满、流纹、气孔、翘曲变形、银纹、冷料、喷射纹、气泡等各种缺陷,塑件成型中不得使用脱模剂。

塑胶模具设计:模具圆弧抽芯注塑,圆弧,模具设计,注塑,塑胶,模具,第1张

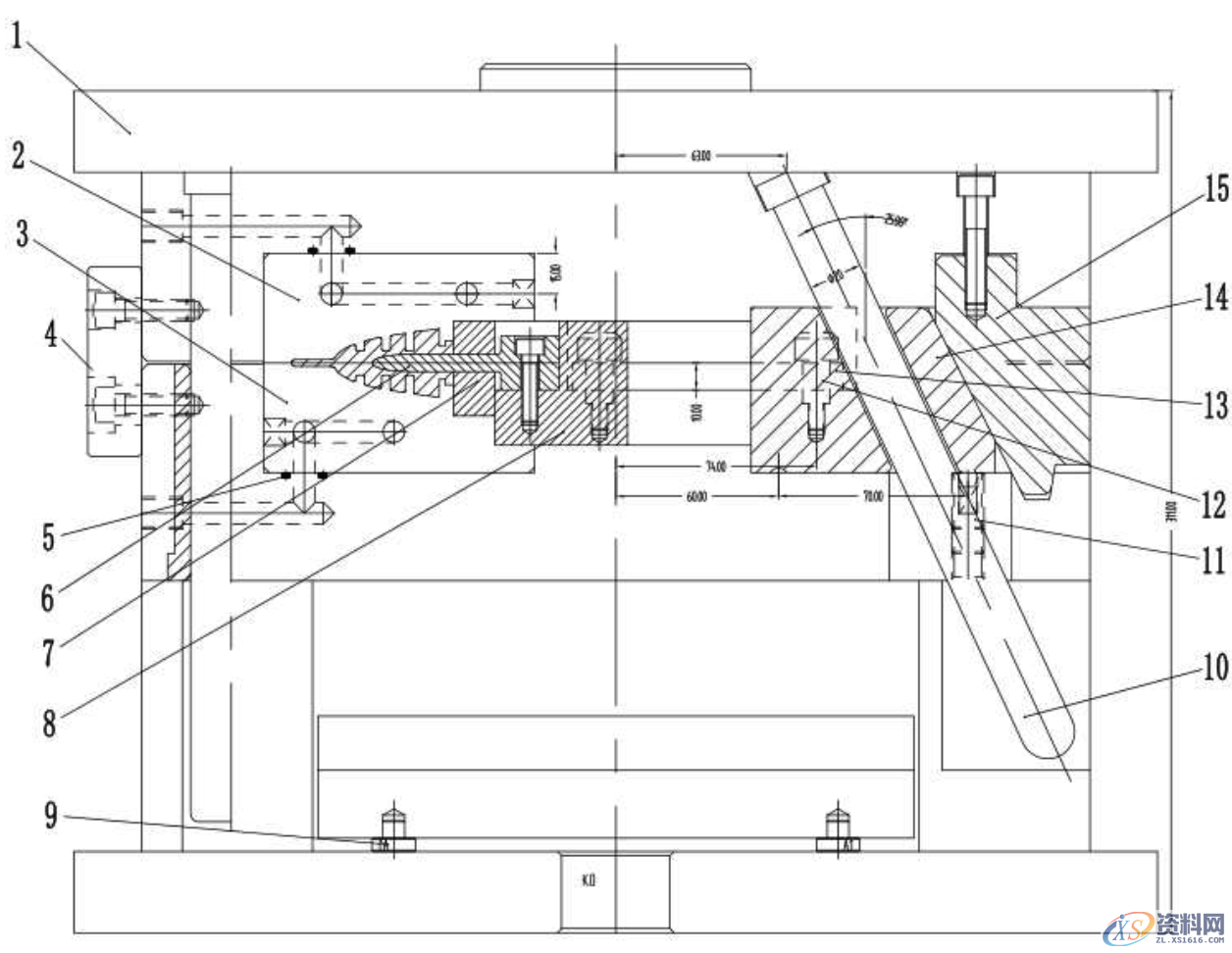
从图1 可以看出,塑件主体造型近似牛角,中间带一圆弧形通孔,大端孔径ø6.50mm,牛角造型边缘是一个带孔的薄片。塑件中心的圆弧通孔,在水平面内其圆弧半径为R106,模具设计的难点在于此圆弧通孔的脱模。PVC 曾是世界上产量最大的通用塑料,应用非常广泛。在建筑材料、工业制品、日用品、地板革、地板砖、人造革、管材、电线电缆、包装膜、瓶、发泡材料、密封材料、纤维等方面均有广泛应用。

PVC 树脂是一个极性非结晶性高聚物,密度:1.380 g/cm3,玻璃转变温度:87℃,因此热稳定性差,不易加工。不能直接使用,必须经过改性混配,添加相关助剂和填充物才可以使用。而因添加的相关助剂和填充物的种类和分数的不同,这就决定了所制备的PVC 材料性能和要求是不一样的。我们通常称之为PVC 配方,严格说来是PVC 改性配方,而PVC 只有经过改性才能使用。改性方法主要是化学改性、填充改性、增强改性、共混改性以及纳米复合改性。改性基本原理就是通过添加物赋予材料功能或者提高某些性能。PVC 在加工时熔化温度是一个非常重要的工艺参数,如果此参数不当将导致材料分解的问题。 PVC 的流动特性相当差,其工艺范围很窄。

塑胶模具设计:模具圆弧抽芯注塑,圆弧,模具设计,注塑,塑胶,模具,第2张图 1 按摩仪索环产品图

产品设计和模具设计上应注意以下几点:

1. 产品尽量不要有尖角或突变,厚度力求变化不大,以防止出现PVC 降解变质。

2. 模具应有足够的拔模斜度。

3. 模具的流道设计应尽可能采用浇口平衡。

4. 模具温度应有冷却水控制装置,使模温能在30℃~60℃之间可控。

5. 模具应表面光洁、镀铬防腐蚀。或采用不锈钢制造。

塑胶模具设计:模具圆弧抽芯注塑,圆弧,模具设计,注塑,塑胶,模具,第3张

PVC 材料有硬质和软质两种,硬质PVC 多用于下水管路、结构零件和建材等行业,软质PVC 多用于日用品、小家电和医疗等领域。所有的软质PVC 并不是同样的硬度。软质PVC 的硬度一般用邵氏硬度表示,数值越大,表示越硬。按摩仪索环产品采用硬质PVC 成型,其内部的圆弧通孔需要旋转模芯才能脱模。

确定模具设计方案时,首先需要确定开模方向。模具的分型面较为简单,是一个平面。经过分析,塑件尺寸较小,将塑件放倒至水平位置,在水平面内旋转内芯较为方便。在水平面内旋转,还是选择在竖直面旋转,要视塑件的尺寸和结构而定。淋浴头的花洒手柄结构较复杂,多采用在竖直面内旋转。

塑胶模具设计:模具圆弧抽芯注塑,圆弧,模具设计,注塑,塑胶,模具,第4张

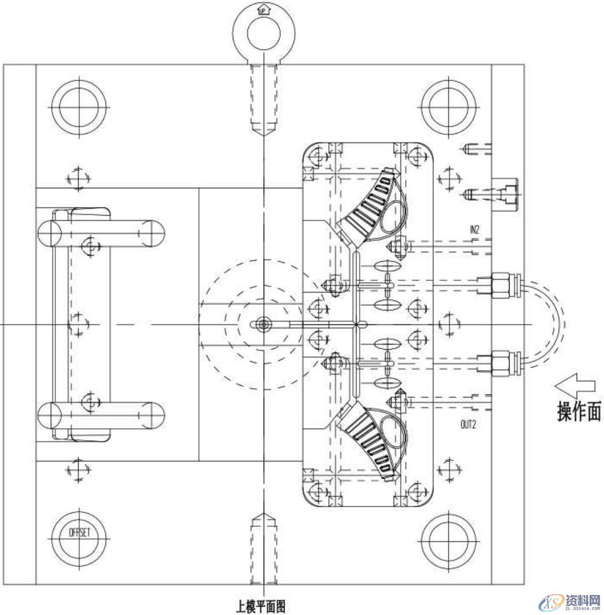
根据塑件的尺寸和结构,塑件排位1 出2 较为方便。在模具中间部位,设计了4 穴椭圆形小塑件,组成家族式模具。熔融塑料进入分型面后,通过潜伏式浇口注塑。

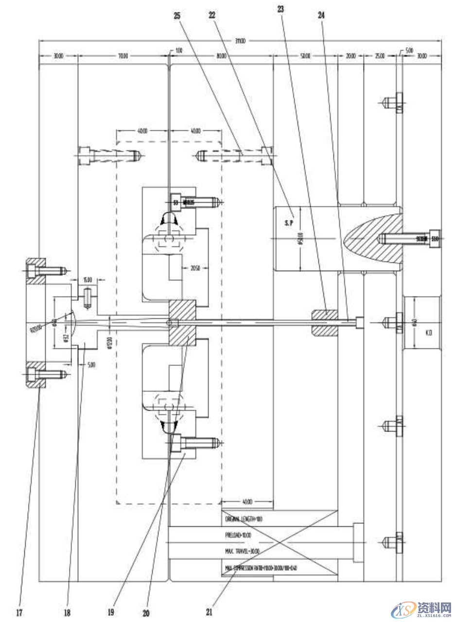
圆弧通孔的内芯通过滑块圆弧抽芯来实现脱模。镶件7 通过圆弧内孔为滑块芯6 导向。滑块芯6 固定在滑块座8 上,滑块座8 沿着圆弧轨道滑动,带动滑块芯6 实现抽芯脱模。开模时,斜导柱10 带动大滑块座14 移动。滑块座8 依靠镶件13(连杆)带动。限位螺钉12 拧紧后,要确保镶件13(连杆)能够自由转动。开模后,塑件由手工取出,因结构原因,塑件外形不允许设计顶针。模具设计图见图2.

塑胶模具设计:模具圆弧抽芯注塑,圆弧,模具设计,注塑,塑胶,模具,第5张

该套模具思路新颖,结构设计巧妙,将复杂的圆弧抽芯问题简化为简单的滑块抽芯,有效地解决了生产难题,投产以来的生产实践表明,模具结构设计可靠,生产稳定,值得推广。

塑胶模具设计:模具圆弧抽芯注塑,圆弧,模具设计,注塑,塑胶,模具,第6张图2 按摩仪索环模具图

(文章转载于网络、仅供学习分享,如有侵权请联系删除)
东莞潇洒职业培训学校目前开设课程有:学历提升、积分入户、数控编程培训、塑胶模具设计培训,压铸模具设计培训、冲压模具设计培训,精雕、ZBrush圆雕培训、Solidworks产品设计培训、pro/E产品设计培训、AutoformR7工艺分析培训,非标自动化设计、PLC编程、CNC电脑锣操机、平面设计等培训,潇洒职业培训学校线下、线上等网络学习方式,随到随学,上班学习两不误,欢迎免费试学!
联系电话:13018636633(微信同号)  QQ:1740467385
学习地址:东莞市横沥镇
免责声明:
1;所有标注为智造资料网zl.fbzzw.cn的内容均为本站所有,版权均属本站所有,若您需要引用、转载,必须注明来源及原文链接即可,如涉及大面积转载,请来信告知,获取《授权协议》。
2;本网站图片,文字之类版权申明,因为网站可以由注册用户自行上传图片或文字,本网站无法鉴别所上传图片或文字的知识版权,如果侵犯,请及时通知我们,本网站将在第一时间及时删除,相关侵权责任均由相应上传用户自行承担。
[complaint:内容投诉]
智造资料网打造智能制造3D图纸下载,在线视频,软件下载,在线问答综合平台 » 塑胶模具设计:模具圆弧抽芯注塑