五金模具设计塞打等高螺丝,卸料等高套筒螺丝,止付螺丝设计方案 ... ...

塞打螺丝-卸料等高螺丝

MISUMI 公司之标准系列.

五金模具设计塞打等高螺丝,卸料等高套筒螺丝,止付螺丝设计方案 ... ...,五金模具设计塞打等高螺丝,卸料等高套筒螺丝,止付螺丝设计标准!,螺丝,卸料,第1张
五金模具设计塞打等高螺丝,卸料等高套筒螺丝,止付螺丝设计方案 ... ...,五金模具设计塞打等高螺丝,卸料等高套筒螺丝,止付螺丝设计标准!,螺丝,卸料,第2张

MISUMI 和 PUNCH公司之标准.

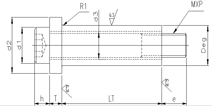
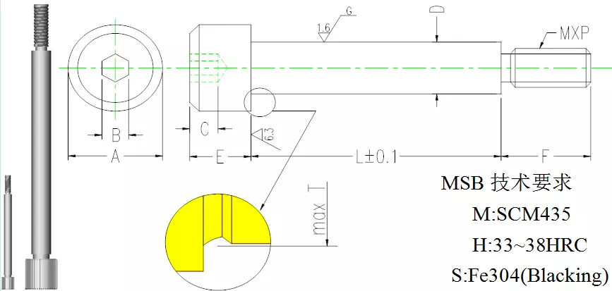
图面及技术要求:

五金模具设计塞打等高螺丝,卸料等高套筒螺丝,止付螺丝设计方案 ... ...,五金模具设计塞打等高螺丝,卸料等高套筒螺丝,止付螺丝设计标准!,螺丝,卸料,第3张

L≦100 L±0.03

L≧100 L±0.05

①材料 SCM345

强度分数

②材质 S45C

硬度 HRC38~

表面处理 四氧化三铁保护膜(FE3O4)

五金模具设计塞打等高螺丝,卸料等高套筒螺丝,止付螺丝设计方案 ... ...,五金模具设计塞打等高螺丝,卸料等高套筒螺丝,止付螺丝设计标准!,螺丝,卸料,第4张
五金模具设计塞打等高螺丝,卸料等高套筒螺丝,止付螺丝设计方案 ... ...,五金模具设计塞打等高螺丝,卸料等高套筒螺丝,止付螺丝设计标准!,螺丝,卸料,第5张

Order Catalong N0 — L

订货范例 CSR 20 — L

止付螺丝


MISUMI 公司之标准系列

五金模具设计塞打等高螺丝,卸料等高套筒螺丝,止付螺丝设计方案 ... ...,五金模具设计塞打等高螺丝,卸料等高套筒螺丝,止付螺丝设计标准!,螺丝,卸料,第6张

规格系列:

五金模具设计塞打等高螺丝,卸料等高套筒螺丝,止付螺丝设计方案 ... ...,五金模具设计塞打等高螺丝,卸料等高套筒螺丝,止付螺丝设计标准!,螺丝,卸料,第7张

根据铭科模具部物料储备而适当选用规格

东莞潇洒职业培训学校目前开设课程有:学历提升、积分入户、数控编程培训、塑胶模具设计培训,压铸模具设计培训、冲压模具设计培训,精雕、ZBrush圆雕培训、Solidworks产品设计培训、pro/E产品设计培训、AutoformR7工艺分析培训,非标自动化设计、PLC编程、CNC电脑锣操机、平面设计等培训,潇洒职业培训学校线下、线上等网络学习方式,随到随学,上班学习两不误,欢迎免费试学!
联系电话:13018636633(微信同号)  QQ:1740467385
学校官网:www.dgxspx.com  人才制造网:https://www.58hr.net

免责声明:
1;所有标注为智造资料网zl.fbzzw.cn的内容均为本站所有,版权均属本站所有,若您需要引用、转载,必须注明来源及原文链接即可,如涉及大面积转载,请来信告知,获取《授权协议》。
2;本网站图片,文字之类版权申明,因为网站可以由注册用户自行上传图片或文字,本网站无法鉴别所上传图片或文字的知识版权,如果侵犯,请及时通知我们,本网站将在第一时间及时删除,相关侵权责任均由相应上传用户自行承担。
[complaint:内容投诉]
智造资料网打造智能制造3D图纸下载,在线视频,软件下载,在线问答综合平台 » 五金模具设计塞打等高螺丝,卸料等高套筒螺丝,止付螺丝设计方案 ... ...