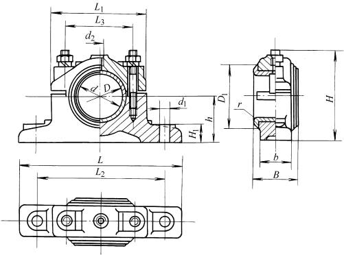
对开式二螺柱正滑动轴承座尺寸

型 号 | D (D4) | D | D1 | B | b | H ≈ | h | h1 | L | L1 | L2 | L3 | d1 | d3 | r | 质量/ kg |
H 2030 | 30 | 38 | 48 | 34 | 22 | 70 | 35 | 15 | 140 | 85 | 115 | 60 | 10 | M10×1 | 1.5 | 0.8 |
H 2035 | 35 | 45 | 55 | 45 | 28 | 87 | 42 | 18 | 165 | 110 | 135 | 75 | 12 | 2 | 1.2 | |
H 2040 | 40 | 50 | 60 | 50 | 35 | 90 | 45 | 20 | 170 | 110 | 140 | 80 | 14.5 | 1.8 | ||
H 2045 | 45 | 55 | 65 | 55 | 40 | 100 | 50 | 175 | 145 | 85 | 2.3 | |||||
H 2050 | 50 | 60 | 70 | 60 | 105 | 25 | 200 | 120 | 160 | 90 | 18.5 | 2.9 | ||||
H 2060 | 60 | 70 | 80 | 70 | 50 | 125 | 60 | 240 | 140 | 190 | 100 | 24 | M14×1.5 | 2.5 | 4.6 | |
H 2070 | 70 | 85 | 95 | 80 | 60 | 140 | 70 | 30 | 260 | 160 | 210 | 120 | 7.0 | |||
H 2080 | 80 | 95 | 110 | 95 | 70 | 160 | 80 | 35 | 290 | 180 | 240 | 140 | 28 | 10.5 | ||
H 2090 | 90 | 105 | 120 | 105 | 80 | 170 | 85 | 300 | 190 | 250 | 150 | 3 | 12.5 | |||
H 2100 | 100 | 115 | 130 | 115 | 90 | 185 | 90 | 40 | 340 | 210 | 280 | 160 | 35 | 17.5 | ||
H 2110 | 110 | 125 | 140 | 125 | 100 | 190 | 95 | 350 | 220 | 290 | 170 | 19.5 | ||||
H 2120 | 120 | 135 | 150 | 140 | 110 | 205 | 105 | 45 | 370 | 240 | 310 | 190 | 25.0 | |||
H 2140 | 140 | 160 | 175 | 160 | 120 | 230 | 120 | 50 | 390 | 260 | 330 | 210 | 4 | 33.5 | ||
H 2160 | 160 | 180 | 200 | 180 | 140 | 250 | 130 | 410 | 280 | 350 | 230 | 45.5 |
免责声明:
1;所有标注为智造资料网zl.fbzzw.cn的内容均为本站所有,版权均属本站所有,若您需要引用、转载,必须注明来源及原文链接即可,如涉及大面积转载,请来信告知,获取《授权协议》。
2;本网站图片,文字之类版权申明,因为网站可以由注册用户自行上传图片或文字,本网站无法鉴别所上传图片或文字的知识版权,如果侵犯,请及时通知我们,本网站将在第一时间及时删除,相关侵权责任均由相应上传用户自行承担。
[complaint:内容投诉]
智造资料网打造智能制造3D图纸下载,在线视频,软件下载,在线问答综合平台 » 对开式二螺柱正滑动轴承座尺寸(图文教程)
1;所有标注为智造资料网zl.fbzzw.cn的内容均为本站所有,版权均属本站所有,若您需要引用、转载,必须注明来源及原文链接即可,如涉及大面积转载,请来信告知,获取《授权协议》。
2;本网站图片,文字之类版权申明,因为网站可以由注册用户自行上传图片或文字,本网站无法鉴别所上传图片或文字的知识版权,如果侵犯,请及时通知我们,本网站将在第一时间及时删除,相关侵权责任均由相应上传用户自行承担。
[complaint:内容投诉]
智造资料网打造智能制造3D图纸下载,在线视频,软件下载,在线问答综合平台 » 对开式二螺柱正滑动轴承座尺寸(图文教程)

