一. V折的成形过程
V折弯曲是最简单的弯曲形式,能一次弯曲成形.但其变形过程複杂,在弯曲过程中凸模与V槽接触后材料的受力点不断变化,材料的圆角部分与直边部分都参与变形,使材料的回弹变形变的十分复杂. 影响V折弯曲回弹的因素除与塑性弯曲时基本相似外,凹模的开口宽度,凸模的圆角半径,弯曲力等也对弯曲件的精度产生影响.
我们是知识搬运工,我们是技术传播者!
东莞潇洒职业培训学校开设课程有:CNC数控编程、塑胶模具设计,压铸模具设计、冲压模具设计, Solidworks/pro/E产品设计、AutoformR7工艺分析,非标自动化设计、PLC编程、文职、电商、平面设计、新媒体等培训课程,潇洒职业培训学校线下、线上、随到随学等学习方式,上班学习两不误,欢迎预约免费试学!
联系电话:13018639977(微信同号)QQ:2033825601
学校官网:www.dgxspx.com线上免费试学: xsmj.ke.qq.com
二. V折成形的展开方法及工程图的画法
展开一般以标准展开.
工程图的画法依标准进行.
三.
V折弯曲凹模深度的确定
弯曲凹模深度的大小与弯曲件的形状,尺
寸及弯曲方式有关.如太小则工件两端
直边的自由部分太多,弯曲件的回弹大,
不平直,影响工件质量.如太大,模具笨
重,浪费材料且需要较大的冲压行程.凹
模示意图如右图所示:
弯曲V形件的凹模深度及底部最小厚度值,如下表所示:(单位:mm)
弯曲件
的边长(L)
板料厚度t

注:遇到上表未列出的数据请示上级
四. V折成形模具局部结构
1. A类V折成形模具局部结构(见下图)

2. B类V折成形模具局部结构(见下图)

五. 模具结构设计要点
1. 模具结构采用成形模结构.
2. 要加限位柱.
3. 冲子的中间对折弯内线向外偏0.5k的位置.
4. 下模V槽两边倒R3.0~R4.0的角.
5. 上模的冲子宽度一般取20㎜左右.
6. 定位按正常成形模的定位方式.
7. 上模冲子侧锁在上夹板.
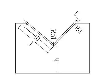
六. V形弯曲力的计算

中:
F:自由弯曲力,单位N.
b:弯曲件的宽度,单位mm.
r:弯曲半径,单位mm.
t:料厚,单位mm.
a:材料的抗拉强度,单位Mpa.
K:系数,一般取1~1.3(见右上图)
七. 提高V形弯曲件精度的措施
1. 合理选用材料.
2. 利用回弹规律补偿回弹.
3. 改变弯曲变形区应力状态校正回弹,如加压筋(见下图).

你们对这如何看,在下面留言大家一起评论
1、本文由入驻智造人才网资讯专栏的作者撰写或者网上转载,观点仅代表作者本人,不代表智造人才网立场。如有侵权或者其他问题,请联系举报。
2、本网转载并注明自其它来源的作品,目的在于传递更多信息,并不代表本网赞同其观点或证实其内容的真实性,不承担此类作品侵权行为的直接责任及连带责任。其他媒体、网站或个人从本网转载时,必须保留本网注明的作品来源,并自负版权等法律责任。
3、如涉及作品内容、版权等问题,请在作品发布之日起一周内与本网联系,否则视为放弃相关权利。


Copyright C 2020 All Rights Reserved 版权所有 智造人才网 粤ICP备16112896号 44190002004849号
地址:东莞市横沥镇兴业路121号 EMAIL:qiufukang2007@163.com
Powered by 广东智造