机械制图教程-(7.2)零件图的视图选择(图文教程)

7.2  零件图的视图选择

    运用各种表达方法,选取一组恰当的视图,把零件的形状表示清楚。零件上每一部分的形状和位置要表示得完全、正确、清楚,符合国家标准规定,便于读图

7.2.1 主视图的选择

    主视图是一组视图的核心,是表达零件形状的主要视图。主视图选择恰当与否,将直接影响整个表达方法和其他视图的选择。因此,确定零件的表达方案,首先应选择主视图。主视图的选择应从投射方向和零件的安放位置两个方面来考虑。选择最能反映零件形状特征的方向作为主视图的投射方向,如图7-2所示。确定零件的放置位置应考虑以下原则:

机械制图教程-(7.2)零件图的视图选择(图文教程),机械制图教程-(7.2)零件图的视图选择,教程,制图,视图,零件,第1张

图7-2 主视图的投射方向

 1. 加工位置原则

    加工位置原则是指主视图按照零件在机床上加工时的装夹位置放置,应尽量与零件主要加工工序中所处的位置一致。例如,加工轴、套、圆盘类零件,大部分工序是在车床和磨床上进行的,为了使工人在加工时读图方便,主视图应将其轴线水平放置,如图7-3所示。机械制图教程-(7.2)零件图的视图选择(图文教程),机械制图教程-(7.2)零件图的视图选择,教程,制图,视图,零件,第2张

图7-3 加工位置原则 

2. 工作位置原则

    工作位置原则是指主视图按照零件在机器中工作的位置放置,以便把零件和整个机器的工作状态联系起来。对于叉架类、箱体类零件,因为常需经过多种工序加工,且各工序的加工位置也往往不同,故主视图应选择工作位置,以便与装配图对照起来读图,想象出零件在部件中的位置和作用,如图7-4中的吊钩。

机械制图教程-(7.2)零件图的视图选择(图文教程),机械制图教程-(7.2)零件图的视图选择,教程,制图,视图,零件,第3张

图7-4 工作位置原则 

3. 自然安放位置原则

    如果零件的工作位置是斜的,不便按工作位置放置,而加工位置较多,又不便按加工位置放置,这时可将它们的主要部分放正,按自然安放位置放置,以利于布图和标注尺寸,如图7-5所示的拨叉。

 机械制图教程-(7.2)零件图的视图选择(图文教程),机械制图教程-(7.2)零件图的视图选择,教程,制图,视图,零件,第4张

图7-5 自然安放位置原则

    由于零件的形状各不相同,在具体选择零件的主视图时,除考虑上述因素外,还要综合考虑其他视图选择的合理性。

7.2.2 其他视图的选择

    主视图选定之后,应根据零件结构形状的复杂程度,采用合理、适当的表达方法,来考虑其他视图,对主视图表达未尽部分,还需要选择其他视图完善其表达,使每一视图都具有其表达的重点和必要性。

    其他视图的选择,应考虑零件还有哪些结构形状未表达清楚,优先选择基本视图,并根据零件内部形状等,选取相应的剖视图。对于尚未表示清楚的零件局部形状或细部结构,则可选择局部视图、局部剖视图、断面图、局部放大图等。对于同一零件,特别是结构形状比较复杂的零件,可选择不同的表达方案,进行分析比较,最后确定一个较好的方案。

    具体选用时,应注意以下几点。

(1) 视图的数量

    所选的每个视图都必须具有独立存在的意义及明确的表示重点,并应相互配合、彼此互补。既要防止视图数量过多、表达松散,又要避免将表示方法过多集中在一个视图上。

(2) 选图的步骤

    首先选用基本视图,后选用其他视图(剖视、断面等表示方法应兼用);先考虑表达零件的主要部分的形体和相对位置,然后再解决细节部分。根据需要增加向视图、局部视图、斜视图等。

(3) 图形清晰、便于读图

    其他视图的选择,除了要求把零件各部分的形状和它们的相互关系完整地表达出来外,还应该做到便于读图,清晰易懂,尽量避免使用虚线。

    初选时,采用逐个增加视图的方法,即每选一个视图都自行试问:表示什么?是否需要剖视?怎样剖?还有哪些结构未表示清楚等。在初选的基础上进行精选,以确定一组合适的表示方案,在准确、完整表示零件结构形状的前提下,使视图的数量最少。

7.2.3 常用典型零件的视图选择

    零件的形状虽然千差万别,但根据它们在机器(或部件)中的作用和形状特征,通过比较、归纳,零件的种类按其结构特点等,大体可分为轴套类、盘盖类、叉架类和箱体类等类型。讨论各类零件的结构、表达方法、尺寸标注、技术要求等特点,从中找出共同点和规律,可作为绘制和阅读同类零件图时的参考。

1 轴套类零件

    轴套类零件包括各种轴、丝杠、套筒等。其基本形状一般为同轴的细长回转体,由不同直径的数段回转体组成。轴上常加工出键槽、退刀槽、砂轮越程槽、螺纹、销孔、中心孔、倒角和倒圆等结构。轴类零件主要用来支承传动零件(如齿轮、皮带轮等)和传递动力,如图7-6所示;套类零件通常装在轴上或孔中,用来定位、支承、保护传动零件等。

机械制图教程-(7.2)零件图的视图选择(图文教程),机械制图教程-(7.2)零件图的视图选择,教程,制图,视图,零件,第5张 

图7-6 轴

 (1) 选择主视图

    轴套类零件一般在车床和磨床上加工,按加工位置确定主视图,轴线水平放置,大头在左、小头在右,键槽和孔结构可以朝前。轴套类零件主要结构形状是回转体,一般只画一个主视图来表示轴上各轴段长度、直径及各种结构的轴向位置。

(2) 选择其他视图

    实心轴主视图以显示外形为主,局部孔、槽、凹坑可采用局部剖视图表达。键槽等结构需画出移出断面图,这样既能清晰表达结构细节,又有利于尺寸和技术要求的标注。当轴较长时,可采用断开后缩短绘制的画法。必要时,有些细部结构可用局部放大图表达。轴的零件图如图7-7所示。

机械制图教程-(7.2)零件图的视图选择(图文教程),机械制图教程-(7.2)零件图的视图选择,教程,制图,视图,零件,第6张 

图7-7 轴套类零件

 2. 盘盖类零件

    盘盖类零件一般包括法兰盘、端盖、阀盖和各种轮子等。其基本形状为扁平的盘状。它们的主要结构大多有回转体,径向尺寸一般大于轴向尺寸,通常还带有各种形状的凸缘、圆孔和肋板等局部结构,可起支承、定位和密封等作用,如图7-8所示。

  机械制图教程-(7.2)零件图的视图选择(图文教程),机械制图教程-(7.2)零件图的视图选择,教程,制图,视图,零件,第7张

图7-8 阀盖

  (1) 选择主视图

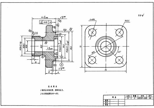
    盘盖类零件的毛坯有铸件或锻件,机械加工以车削为主,对于圆盘,一般将中心轴线水平放置,与车削、磨削时的加工状态一致,主视图符合加工位置原则,便于加工者读图,并采用全剖视图(由单一剖切面或几个相交的剖切面等剖切获得)。对于非圆盘,主视图一般符合工作位置原则,如图7-9所示。根据结构特点,视图具有对称面时,可作半剖视;无对称面时,可作全剖或局部剖视。

(2) 选择其他视图

    一个基本视图不能完整表达零件的内外结构,必须增加其他视图。用另一视图表达孔、槽的分布情况。某些局部细节需用局部放大图表示。其他结构形状如轮辐和肋板等可用移出断面或重合断面,也可用简化画法。如图7-9所示的阀盖就增加了一个左视图,以表达带圆角的方形凸缘和四个均布的通孔。 

机械制图教程-(7.2)零件图的视图选择(图文教程),机械制图教程-(7.2)零件图的视图选择,教程,制图,视图,零件,第8张 

图7-9 盘盖类零件

 3 叉架类零件

    叉架类零件包括叉杆和支架,一般有杠杆、拨叉、连杆、支座等零件,通常起传动、连接、支承等作用,多为铸件或锻件,如图7-10所示。叉架类零件形状不规则,外形比较复杂,常有弯曲或倾斜结构,并带有底板、肋板、轴孔、螺孔等结构,加工位置较多。

机械制图教程-(7.2)零件图的视图选择(图文教程),机械制图教程-(7.2)零件图的视图选择,教程,制图,视图,零件,第9张

图7-10 脚踏支架

(1) 选择主视图

    叉架类零件的加工位置较难区别主次,因此,主视图一般按工作位置放置,当工作位置倾斜或不固定时,可将主视图摆正,按自然安放位置,主视图的投射方向主要考虑其形状特征。

(2) 选择其他视图

    其他基本视图大多用局部剖视图,兼顾表达叉架类零件的内、外结构形状。常常需要两个或两个以上的基本视图,因常有形状扭斜的结构,仅用基本视图往往不能完整表达真实形状,常用斜视图、局部视图等表达方法。对肋板结构用断面图表示。当杆类零件较长时,可采用断开后缩短绘制的画法。如图7-11所示的脚踏支架,采用俯视图表达安装板、肋板和轴承孔的宽度,以及它们的相对位置,用A向局部视图表达安装板左侧的形状,用移出断面图表达肋板的断面形状。

机械制图教程-(7.2)零件图的视图选择(图文教程),机械制图教程-(7.2)零件图的视图选择,教程,制图,视图,零件,第10张

图7-11 叉架类零件

 

4 箱体类零件

    箱体类零件一般有箱体、泵体、阀体、阀座等。箱体类零件是用来支承、包容、密封和保护运动着的零件或其他零件的,多为铸件,如图7-12所示。

 机械制图教程-(7.2)零件图的视图选择(图文教程),机械制图教程-(7.2)零件图的视图选择,教程,制图,视图,零件,第11张

图7-12 阀体 

(1) 选择主视图

    一般来说,箱体类零件的结构比较复杂,加工位置较多,为了清楚地表达其复杂的内、外结构和形状,所采用的视图较多。箱体类零件的功能特点决定了其结构和加工要求的重点在于内腔,所以大量地采用剖视画法。在选择主视图时,主要考虑其内外结构特征和工作位置。

(2) 选择其他视图

    选择其他基本视图、剖视图等多种形式来表达零件的内部和外部结构,为表达完整和减少视图数量,可适当地使用虚线,但要注意不可多用。如图7-13所示的阀体,球形主体结构的左端是方形凸缘,右端和上部都是圆柱凸缘,凸缘内部的阶梯孔与中间的球形空腔相通。用三个基本视图表达它的内、外形状。主视图采用全剖视图,主要表达内部结构形状。俯视图表达外形。左视图采用A-A半剖视图,补充表达内部形状及安装底板的形状。

机械制图教程-(7.2)零件图的视图选择(图文教程),机械制图教程-(7.2)零件图的视图选择,教程,制图,视图,零件,第12张

图7-13 箱体类零件

该文章所属专题:机械制图技术教程

免责声明:
1;所有标注为智造资料网zl.fbzzw.cn的内容均为本站所有,版权均属本站所有,若您需要引用、转载,必须注明来源及原文链接即可,如涉及大面积转载,请来信告知,获取《授权协议》。
2;本网站图片,文字之类版权申明,因为网站可以由注册用户自行上传图片或文字,本网站无法鉴别所上传图片或文字的知识版权,如果侵犯,请及时通知我们,本网站将在第一时间及时删除,相关侵权责任均由相应上传用户自行承担。
[complaint:内容投诉]
智造资料网打造智能制造3D图纸下载,在线视频,软件下载,在线问答综合平台 » 机械制图教程-(7.2)零件图的视图选择(图文教程)