首页
图纸下载
冲压模具
塑胶模具
数控编程
机械设备
家用电器
更多
软件下载
二维软件
三维软件
编程软件
CAE软件
系统软件
更多
图文资讯
软件应用
模具制造
机械制造
机械知识
平面设计
其他
软件安装
帮助中心
注册问题
登录问题
上传问题
下载问题
充值问题
更多
在线视频
新站课程
本站课程
在线问答
登录
注册
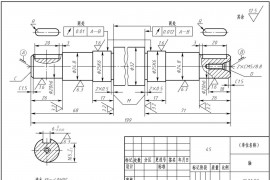
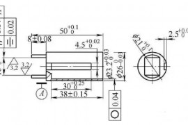
零件 第11页
最新标签
HTML
入门
精通
摩托车
三轮
狂想
两栖
图文
作用
水泵
诱导
前置
视频
测试
咨询
售后
违规
注册
登录
充值
积分
流程
提现
编号
大小
提取
0167
XSSJUG
取值
旋切
毫米
按照
上传
退稿
稿件
无法
账号
注销
站上
qiufukang
右上角
绑定
下拉
帐号
原作者
以下简称
本站
协议
会员
其它
刀路
桃木
夹板
关联性
鸟瞰
文章
PAUSE
command
主视图
长度
RCDATA
计算
ID
开发
雕刻机
生成
注释
端盖
中设
标题
回到
外公切线
圆心
立体
实验
布局
浮动
外部
参照
网格
多线
显示
缩放
特性
编组
门厅
源点
附着
光源
图片
一圆
基点
SolidEdge
教程
属性
10.3
有的
弧段
正交
栅格
及图
文章排序
时间
标题
热度
留言
随机
由装配图拆画零件图(图文教程)
装配图
零件
教程
零件图中尺寸公差注法(GB/T4458.4—1984)(图文教程)
图中
公差
零件
尺寸
机械制造与工艺全书-8 典型零件的加工(图文教程)
零件
加工
基准
典型薄壁盘类零件的工艺方案及数控加工过程(图文教程)
型腔
加工
零件
精加工
工件
杆类零件机械加工CAPP(图文教程)
零件
教程
机械加工表面质量对零件耐磨性的影响(图文教程)
粗糙度
零件
耐磨性
简化画法(GB/T16675.1—1996)(图文教程)
图中
实线
零件
表示
ACRAMATIC 850MC数控系统加工中心编程技巧(图文教程)
坐标系
旋转
零件
零件常见结构的尺寸注法(图文教程)
零件
尺寸
结构
数控机床编程时分析零件图样和工艺处理的内容和技巧(图文教程) ...
零件
机械加工如何分析零件图纸(图文教程)
图纸
零件
教程
轴承套零件的数控车加工工艺分析(图文教程)
零件
加工
轴类零件工艺分析及数控车加工艺制订(图文教程)
工艺
零件
冷冲压件结构设计:分离工艺与冲压件基本结构(图文教程)
冲模
零件
冲压件
冲压
分切
数控车加工的零件图及加工出来的零件图片(图文教程)
零件
加工
数控车粗精加工套筒零件的工艺设计和程序编制(图文教程) ...
精加工
零件
数控车盘类零件工艺分析(图文教程)
盘
零件
工艺
机床零件常用材质及热处理知识(图文教程)
热处理
零件
材质
常用
复杂零件加工工艺(图文教程)
零件
加工
工艺
箱体类零件的特点和加工方法(图文教程)
加工
零件
螺纹
轴类零件圆周曲面上螺旋线的数控车加工(图文教程)
曲面
零件
Mastercam教程-2.二维零件设计及轮廓加工刀具路径(图文教程) ...
二维
教程
零件
薄壁零件遇上装夹变形和热变形怎么办!(图文教程)
变形
零件
避免毛刺的基本措施教程
加工
零件
生成
讲述机械加工中的磨损以及预防解析
零件
造成
液压缸的工作原理及拆装的注意事项图文讲解
零件
油缸
装配
快速读懂零件图的方法和步骤教程
零件
步骤
教程
数控车削加工薄壁零件的技巧教程
数控
零件
加工
逆向工程技术在模具上的灵活应用技巧
三维
进行
零件
模具
数据
工装在烟草机零件加工中的应用要求
零件
要求
加工
模具设计师的设计工作步骤
模具
零件
尺寸
制件
是否
7
8
9
10
11
首页
发布
用户中心
积分充值
开通会员
客服